电脑桌面
添加小米粒文库到电脑桌面
安装后可以在桌面快捷访问

工程图面要求

工程图面要求_第1页
1/13
工程图面要求_第2页
2/13
工程图面要求_第3页
3/13
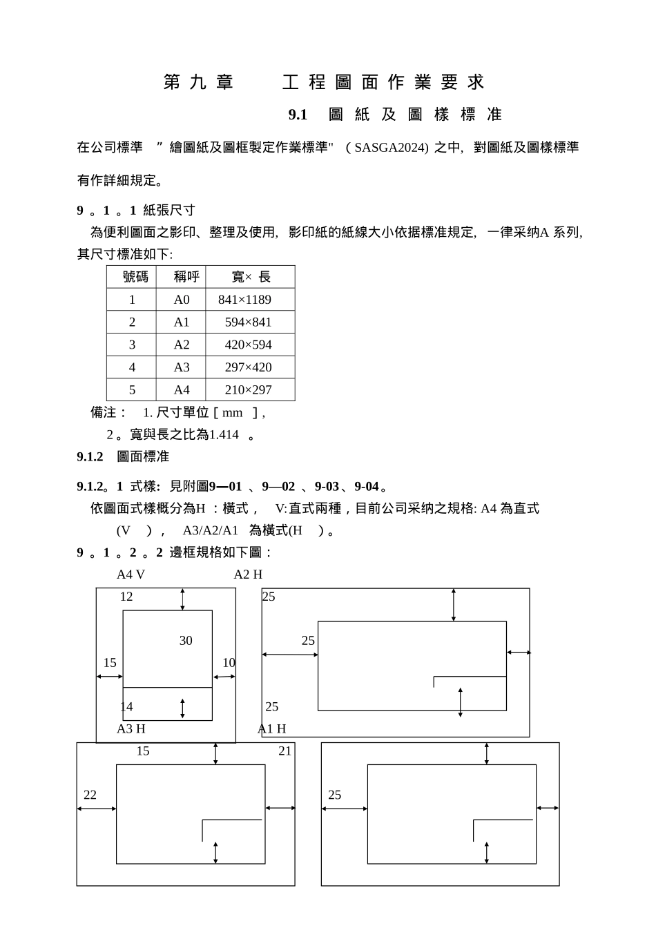
第 九 章 工 程 圖 面 作 業 要 求9.1 圖 紙 及 圖 樣 標 准在公司標準 ” 繪圖紙及圖框製定作業標準" (SASGA2024) 之中, 對圖紙及圖樣標準有作詳細規定。9 。1 。1 紙張尺寸 為便利圖面之影印、整理及使用, 影印紙的紙線大小依据標准規定, 一律采纳A 系列,其尺寸標准如下:號碼稱呼寬× 長1A0841×11892A1594×8413A2420×5944A3297×4205A4210×297 備注: 1. 尺寸單位[mm ], 2 。寬與長之比為1.414 。9.1.2 圖面標准9.1.2。1 式樣: 見附圖9—01 、9—02 、9-03 、9-04 。 依圖面式樣概分為H :橫式, V:直式兩種,目前公司采纳之規格: A4 為直式(V), A3/A2/A1 為橫式(H)。9 。1 。2 。2 邊框規格如下圖: A4 V A2 H 12 25 30 251510 14 25 A3 H A1 H 15 21 22 10 29 25 14 20備注:各邊框尺寸之公差為±1 ㎜.圖9—01 A4 圖樣 (4-E)圖9-02 A3 圖樣 (8-E )圖9—03 A2 圖樣 (11-H )圖9-04 A1 圖樣 (16—K )9.1.2。3 標題圖框規格如下圖: 字高2 字高3 字高1.3標題欄填寫: A. TITLE[名稱] :填寫繪製圖面內容的名稱 例:D-SUB。25P 。R/A 。FEMALE。( 注: PDM中Document—Drawing 中的Description 應與此名稱一致)B. DWG 。 NO 。 [ 圖面編號]:依 [工程圖面編碼作業系統] 規定, 向工程資料中心( 執行管制單位) 申請圖號。[注: 正式圖面不應有 * 出現]C. REV. [版次] :暫行版圖面( 草圖)以英文字母大寫” XN”表示,N代表修正次數。正式版圖面以英文字母大寫表示。( 除I 、O 、X 外)。設變中的臨時版次以” *XN” 表示, 如C-——〉D, 則為DX1, DX2…D. SHEET [張數] :標示圖面所代表張數及圖面總張數. 如:1/2E. SCALE [比例]: 依圖面比例予以標示,以整數之倍數比例。現實際指的是圖檔中的比例, 一般為 1 :1F. UNITS[單位] :填寫圖面標示尺寸單位別,一律以SI 單位標示. 例:mm 或cmG. 投影表示法: 采第三角投影法。H. INTENDED NAME [用途名稱] :注明圖面之用途名稱. 例:DE 后工程自動机,DM 壓入治具, ZIF PGA SOCKETI. PART NO 。/SERIES[產品料號/ 零件號]:填寫應用于該圖面之產品料號或零件編號.如產品圖填產品料號. 例: DT1123*-** , AT0840—*P*,如模具圖填產品零件號. 例: 001—0000-123, 050—0000—321J. DR...

1、当您付费下载文档后,您只拥有了使用权限,并不意味着购买了版权,文档只能用于自身使用,不得用于其他商业用途(如 [转卖]进行直接盈利或[编辑后售卖]进行间接盈利)。
2、本站所有内容均由合作方或网友上传,本站不对文档的完整性、权威性及其观点立场正确性做任何保证或承诺!文档内容仅供研究参考,付费前请自行鉴别。
3、如文档内容存在违规,或者侵犯商业秘密、侵犯著作权等,请点击“违规举报”。

碎片内容

工程图面要求

您可能关注的文档

确认删除?
VIP
微信客服
  • 扫码咨询
会员Q群
  • 会员专属群点击这里加入QQ群
客服邮箱
回到顶部