电脑桌面
添加小米粒文库到电脑桌面
安装后可以在桌面快捷访问

工程安装质量观感质量验收记录

工程安装质量观感质量验收记录_第1页
1/18
工程安装质量观感质量验收记录_第2页
2/18
工程安装质量观感质量验收记录_第3页
3/18
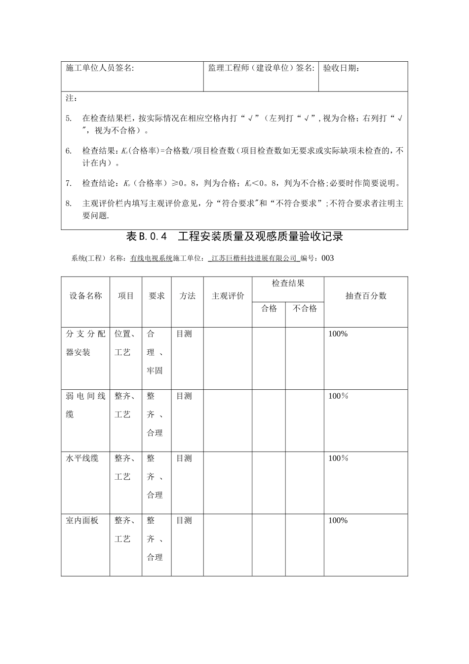
表 B.0。4 工程安装质量及观感质量验收记录系统(工程)名称:施工单位:编号:001设备名称项目要求方法主观评价检查结果抽查百分数合格不合格吸顶音箱位置、工艺合理 、牢固目测100%壁挂音箱位置、工艺合理 、牢固目测100%功放设备位置、布局合理目测100%检查结果安装质量检查结论施工单位人员签名:监理工程师(建设单位)签名:验收日期:注:1.在检查结果栏,按实际情况在相应空格内打“√"(左列打“√”,视为合格;右列打“√",视为不合格)。2.检查结果:Ks(合格率)=合格数/项目检查数(项目检查数如无要求或实际缺项未检查的,不计在内)。3.检查结论:Ks(合格率)≥0。8,判为合格;Ks<0。8,判为不合格;必要时作简要说明。4.主观评价栏内填写主观评价意见,分“符合要求”和“不符合要求”;不符合要求者注明主要问题。表 B。0。4 工程安装质量及观感质量验收记录系统(工程)名称:五方对讲系统施工单位:_ 江苏巨楷科技进展有限公司 _ 编号:002设备名称项目要求方法主观评价检查结果抽查百分数合格不合格水平线缆整齐、工艺整齐 、合理目测100%检查结果安装质量检查结论施工单位人员签名:监理工程师(建设单位)签名:验收日期:注:5.在检查结果栏,按实际情况在相应空格内打“√”(左列打“√”,视为合格;右列打“√",视为不合格)。6.检查结果:Ks(合格率)=合格数/项目检查数(项目检查数如无要求或实际缺项未检查的,不计在内)。7.检查结论:Ks(合格率)≥0。8,判为合格;Ks<0。8,判为不合格;必要时作简要说明。8.主观评价栏内填写主观评价意见,分“符合要求"和“不符合要求”;不符合要求者注明主要问题.表 B.0.4 工程安装质量及观感质量验收记录系统(工程)名称:有线电视系统施工单位:_ 江苏巨楷科技进展有限公司 _ 编号:003设备名称项目要求方法主观评价检查结果抽查百分数合格不合格分 支 分 配器安装位置、工艺合理 、牢固目测100%弱 电 间 线缆整齐、工艺整齐 、合理目测100%水平线缆整齐、工艺整齐 、合理目测100%室内面板整齐、工艺整齐 、合理目测100%检查结果安装质量检查结论施工单位人员签名:监理工程师(建设单位)签名: 验收日期:注:9.在检查结果栏,按实际情况在相应空格内打“√”(左列打“√”,视为合格;右列打“√”,视为不合格)。10. 检查结果:Ks(合格率)=合格数/项目检查数(项目检查数如无要求或实际缺项未检查的,不计在内)。11. 检查结论:Ks(合格率)≥0。8,...

1、当您付费下载文档后,您只拥有了使用权限,并不意味着购买了版权,文档只能用于自身使用,不得用于其他商业用途(如 [转卖]进行直接盈利或[编辑后售卖]进行间接盈利)。
2、本站所有内容均由合作方或网友上传,本站不对文档的完整性、权威性及其观点立场正确性做任何保证或承诺!文档内容仅供研究参考,付费前请自行鉴别。
3、如文档内容存在违规,或者侵犯商业秘密、侵犯著作权等,请点击“违规举报”。

碎片内容

工程安装质量观感质量验收记录

您可能关注的文档

MY shop+ 关注
实名认证
内容提供者

欢迎挑选适合自己的材料。

确认删除?
VIP
微信客服
  • 扫码咨询
会员Q群
  • 会员专属群点击这里加入QQ群
客服邮箱
回到顶部