电脑桌面
添加小米粒文库到电脑桌面
安装后可以在桌面快捷访问

工程定位测量记录

工程定位测量记录_第1页
1/3
工程定位测量记录_第2页
2/3
工程定位测量记录_第3页
3/3
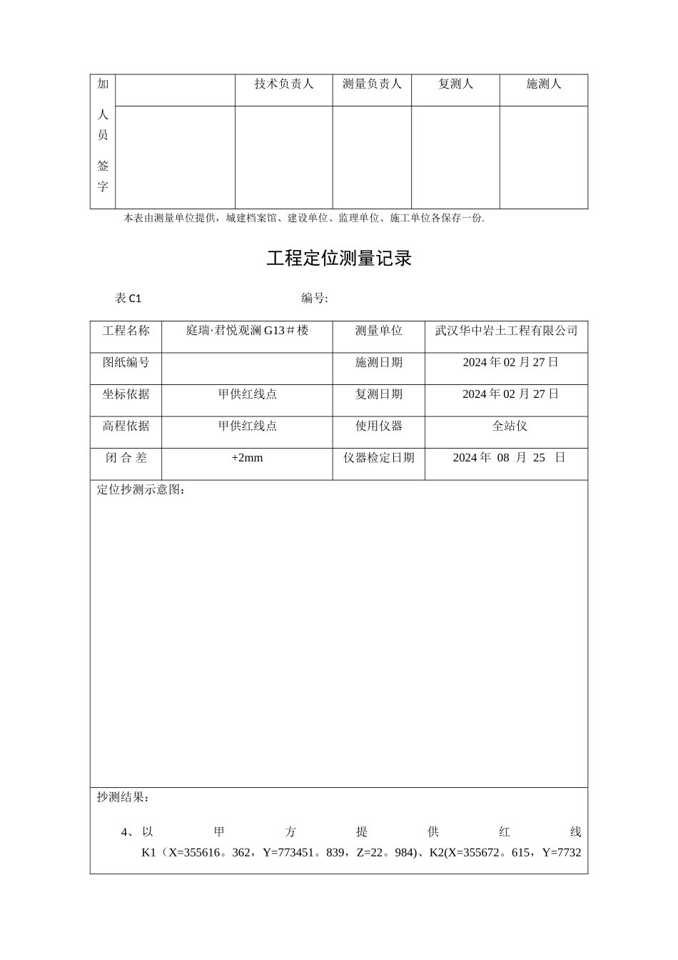
工程定位测量记录表 C1 编号:工程名称庭瑞·君悦观澜 G11#楼测量单位武汉华中岩土工程有限公司图纸编号施测日期 2024 年 02 月 27 日坐标依据甲供红线点复测日期 2024 年 02 月 27 日高程依据甲供红线点使用仪器全站仪闭 合 差+2mm仪器检定日期2024 年 08 月 25 日定位抄测示意图:抄测结果:1、 以甲方提供红线K1(X=355616。362,Y=773451。839,Z=22.984)、K2(X=355672。615,Y=773284.724,Z=23.467)、K3(X=355724。529,Y=773130.071,Z=23。012).2、 根 据 甲 方 提 供 控 制 点 为 依 据 进 行 引 点 得 到 控 制 点K1(X=355722.043,Y=773137。396,Z=23。033)、J2(X=355794。895 ,Y=773220。538,Z=20。398)3、 以上数据测量精度符合法律规范要求。参建设(监理)单位施工单位武汉华中岩土工程有限责任公司加人员签字技术负责人测量负责人复测人施测人本表由测量单位提供,城建档案馆、建设单位、监理单位、施工单位各保存一份.工程定位测量记录表 C1 编号:工程名称庭瑞·君悦观澜 G13#楼测量单位武汉华中岩土工程有限公司图纸编号施测日期 2024 年 02 月 27 日坐标依据甲供红线点复测日期 2024 年 02 月 27 日高程依据甲供红线点使用仪器全站仪闭 合 差+2mm仪器检定日期2024 年 08 月 25 日定位抄测示意图:抄测结果:4、 以甲方提供红线K1(X=355616。362,Y=773451。839,Z=22。984)、K2(X=355672。615,Y=773284.724,Z=23.467)、K3(X=355724。529,Y=773130。071,Z=23。012)。5、 根 据 甲 方 提 供 控 制 点 为 依 据 进 行 引 点 得 到 控 制 点K1(X=355722.043,Y=773137.396,Z=23。033)、J2(X=355794。895 ,Y=773220.538,Z=20.398)6、 以上数据测量精度符合法律规范要求.参加人员签字建设(监理)单位施工单位武汉华中岩土工程有限责任公司技术负责人测量负责人复测人施测人本表由测量单位提供,城建档案馆、建设单位、监理单位、施工单位各保存一份。

1、当您付费下载文档后,您只拥有了使用权限,并不意味着购买了版权,文档只能用于自身使用,不得用于其他商业用途(如 [转卖]进行直接盈利或[编辑后售卖]进行间接盈利)。
2、本站所有内容均由合作方或网友上传,本站不对文档的完整性、权威性及其观点立场正确性做任何保证或承诺!文档内容仅供研究参考,付费前请自行鉴别。
3、如文档内容存在违规,或者侵犯商业秘密、侵犯著作权等,请点击“违规举报”。

碎片内容

工程定位测量记录

您可能关注的文档

确认删除?
VIP
微信客服
  • 扫码咨询
会员Q群
  • 会员专属群点击这里加入QQ群
客服邮箱
回到顶部