电脑桌面
添加小米粒文库到电脑桌面
安装后可以在桌面快捷访问

工程施工合同-数据中心建设

工程施工合同-数据中心建设_第1页
1/37
工程施工合同-数据中心建设_第2页
2/37
工程施工合同-数据中心建设_第3页
3/37
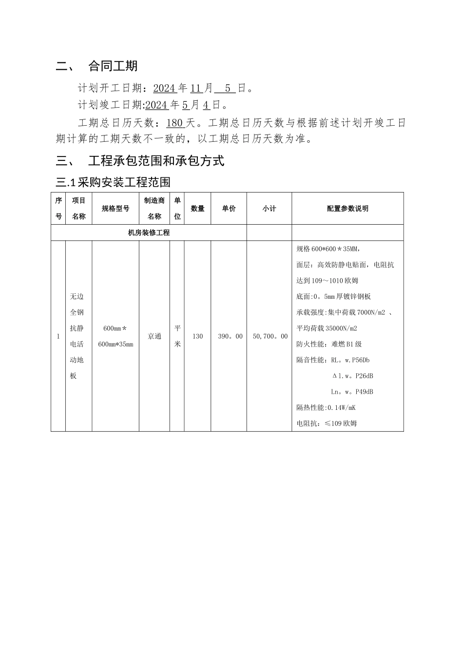
工 程 施 工 合 同项目编号:项目名称:北京市房山区卫生和计划生育委员会疾病控制中心及卫生监督所业务用房数据中心机房建设项目甲 方:北京兴创嘉业科技有限公司乙 方:北京中科盈联科技有限公司签订日期: 年 月 日目 录一、工程概况.................................................................................................................2二、 合同工期 ................................................................................................................. 2 三、 工程承包范围和承包方式 ....................................................................................... 2 四、 合同金额 ............................................................................................................... 27 五、 交货、系统集成时间 ............................................................................................. 27 六、 付款方式 ............................................................................................................... 27 七、 设备交货、检验及验收 ......................................................................................... 27 八、 双方责任 ............................................................................................................... 29 九、 不可抗力 ............................................................................................................... 31 十、 争议的解决 ............................................................................................................ 31 十一、 售后服务 ............................................................................................................ 32 十二、 合同的补充、修改和变更 ................................................................................. 35 十三、 合同的生效 ........................................................................................................ 35 十四、 其他约定事项 .....................................................................................

1、当您付费下载文档后,您只拥有了使用权限,并不意味着购买了版权,文档只能用于自身使用,不得用于其他商业用途(如 [转卖]进行直接盈利或[编辑后售卖]进行间接盈利)。
2、本站所有内容均由合作方或网友上传,本站不对文档的完整性、权威性及其观点立场正确性做任何保证或承诺!文档内容仅供研究参考,付费前请自行鉴别。
3、如文档内容存在违规,或者侵犯商业秘密、侵犯著作权等,请点击“违规举报”。

碎片内容

工程施工合同-数据中心建设

您可能关注的文档

确认删除?
VIP
微信客服
  • 扫码咨询
会员Q群
  • 会员专属群点击这里加入QQ群
客服邮箱
回到顶部