电脑桌面
添加小米粒文库到电脑桌面
安装后可以在桌面快捷访问

工程检验批划分方案

工程检验批划分方案_第1页
1/5
工程检验批划分方案_第2页
2/5
工程检验批划分方案_第3页
3/5
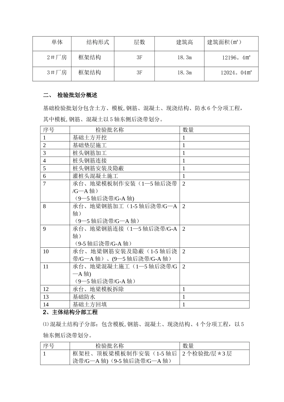
徐州绪权印刷有限公司 2#、3#厂房检验批划分方案编 制 人: 审 核 人: 审 批 人:编制单位:吉沃建设科技 ( 江苏)有限公司 编制日期:年 月 日 目 录一、编制依据及说明………………………………………………2二、工程概况………………………………………………………2三、检验批划分概述………………………………………………31 、地基与基础分部工程 ………………………………………32 、主体结构分部工程 …………………………………………33 、建筑装饰装修工程分部 ……………………………………44 、建筑屋面工程分部 …………………………………………55 、建筑给水、排水和采暖工程分部 …………………………56 、建筑电气分部 ………………………………………………5徐州绪权印刷有限公司 2#、3#厂房检验批划分计划方案一、 编制依据及说明1、2#、3#厂房工程设计的施工图纸及设计变更;2、招标文件及答疑文件、投标文件3、工程建设强制性条文—房屋建筑部分3。1、建筑地基基础工程施工质量验收法律规范(GB50202—2024);3。2、混凝土结构工程施工质量验收法律规范(GB50204—2024);3.3、砌体工程施工质量验收法律规范(GB50203-2024);3。4、地下工程防水技术法律规范(G50208-2024);3.5、建筑地面工程施工质量验收法律规范(GB50209—2024);3.6、屋面工程质量验收法律规范(GB50207—2024);3.7、建筑工程施工质量验收统一标准(GB50300—2024);3.8、建筑装饰装修工程施工质量验收法律规范(GB50210-2001);3。9、工程测量法律规范(GB50026—2024);3。10、建筑给水排水及采暖工程施工质量验收法律规范(GB50242-2024);3.11、建筑电气工程施工质量验收法律规范(GB50303-2024);3.12、电梯工程施工质量验收法律规范(GB50310—2024);3。13、通风与空调工程施工质量验收法律规范(GB50243—2024);3。14、混凝土质量控制标准(GB50164-2024);3。15、钢筋焊接及验收规程(JGJ18-2024);3。16、建筑工程冬期施工规程(JGJ104—2024).3。17、《建筑节能工程施工质量验收法律规范》GB50411—20244、本检验批划分主要针对工程的基础、主体、装修、屋面分部,其中实体检测部位在实体检测前确定。二、工程概况本工程位于徐州市铜山区珠江路北侧,工程名称为徐州绪权印刷有限公司2#、3#厂房,设计使用年限为 50 年,耐火等级,生产火灾危险性为 2 类,主体建筑面积及建筑高度见表(1)。二、 ...

1、当您付费下载文档后,您只拥有了使用权限,并不意味着购买了版权,文档只能用于自身使用,不得用于其他商业用途(如 [转卖]进行直接盈利或[编辑后售卖]进行间接盈利)。
2、本站所有内容均由合作方或网友上传,本站不对文档的完整性、权威性及其观点立场正确性做任何保证或承诺!文档内容仅供研究参考,付费前请自行鉴别。
3、如文档内容存在违规,或者侵犯商业秘密、侵犯著作权等,请点击“违规举报”。

碎片内容

工程检验批划分方案

您可能关注的文档

确认删除?
VIP
微信客服
  • 扫码咨询
会员Q群
  • 会员专属群点击这里加入QQ群
客服邮箱
回到顶部