电脑桌面
添加小米粒文库到电脑桌面
安装后可以在桌面快捷访问

工程质量管理考核标准

工程质量管理考核标准_第1页
1/2
工程质量管理考核标准_第2页
2/2
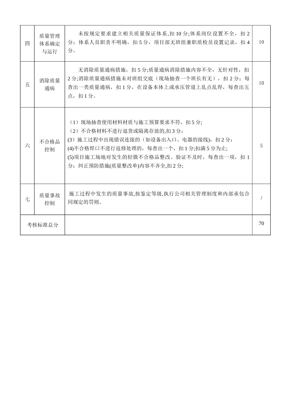
工程质量管理考核标准序号检查项目考 核 标 准标准分值一质量目标管理未按公司质量管理目标(工程定向优良率 100%)制定所施工工程质量目标,扣 5分;未对质量目标进行单位、分部、分项工程进行分解的,扣 3 分;单位、分部、分项工程质量目标未落实到责任人(管理人员 ),扣 2 分;质量目标未得到控制和落实,质量目标计划编号不下发到各个使用部门,每查出一项,扣 1 分;质量目标划分不正确的,扣 5 分;未制作质量目标管理图板,扣 2 分.10二材料监督检验(1)对工程材料进行检验状态标识不进行监督检查,每查出一种无检验状态标识材料,扣 1 分;(2)过程施工材料质量标准不符合设计图纸、施工法律规范的规定,每查出一项扣5 分;(3)班组未对材料使用的正确性进行检查或班组无材料材质自检记录,每查出一项,扣1 分;(4)材料调拨不按施工预算的材质和数量进行调拨又无设计变更或材料代用手续的,扣 5 分;(5)材料发放不按施工预算的材质和数量进行发放的,扣 3 分;10三控制点专业检查(1)各专业工程开箱检查、隐蔽工程检查验收过程不法律规范,每查出一项,扣 5分;记录签证手续不全,每查出一项,扣 3 分;(2)锅炉安装中的基础复查、钢结构吊装前、钢架整体复查找正、受热面检查、组焊、汽包吊装前、受热面吊装前、水压试验前、锅炉整体风压试验、砌筑、酸洗(煮炉)、单机试运前的检查验收过程记录不全,每查出一项,扣 5 分;(3)汽轮机安装中的基础验收、台板就位、汽缸扣缸前、基础二次浇灌前、发电机安装前、机组整体启动前检查验收过程记录不全,每查出一项,扣 5 分;(4)设备安装中的基础复查、设备吊装就位前、设备单机试运前检查验收过程记录不全,每查出一项,扣 5 分;(5)工艺管道安装中的支吊架安装前、预制管道吊装前、阀门试压后、管路吹扫、试压前检查验收过程记录不全,每查出一项,扣 5 分;(6)电气仪表安装过程中的电缆敷设前、倒送电前、仪表投入前检查验收过程记录不全,每查出一项,扣 5 分;(7)上述(2)(3)(4)(5)(6)中的控制点不对实体观感质量做出真实评价,扣2 分;分项工程质量评定记录与工程进展不同步,扣 3 分;分部工程质量评定记录与工程进展不同步,扣 2 分;单位工程质量评定记录与工程进展不同步,扣 1 分;专业负责人未组织工序交接检查或检查后无完整质量记录的,每查出一项,扣 2 分;(8)涉及特种设备的工程控制点不及时通知监检单位参加检查验收...

1、当您付费下载文档后,您只拥有了使用权限,并不意味着购买了版权,文档只能用于自身使用,不得用于其他商业用途(如 [转卖]进行直接盈利或[编辑后售卖]进行间接盈利)。
2、本站所有内容均由合作方或网友上传,本站不对文档的完整性、权威性及其观点立场正确性做任何保证或承诺!文档内容仅供研究参考,付费前请自行鉴别。
3、如文档内容存在违规,或者侵犯商业秘密、侵犯著作权等,请点击“违规举报”。

碎片内容

工程质量管理考核标准

您可能关注的文档

确认删除?
VIP
微信客服
  • 扫码咨询
会员Q群
  • 会员专属群点击这里加入QQ群
客服邮箱
回到顶部