电脑桌面
添加小米粒文库到电脑桌面
安装后可以在桌面快捷访问

市政道路绿化工程专项施工方案VIP专享

市政道路绿化工程专项施工方案_第1页
1/29
市政道路绿化工程专项施工方案_第2页
2/29
市政道路绿化工程专项施工方案_第3页
3/29
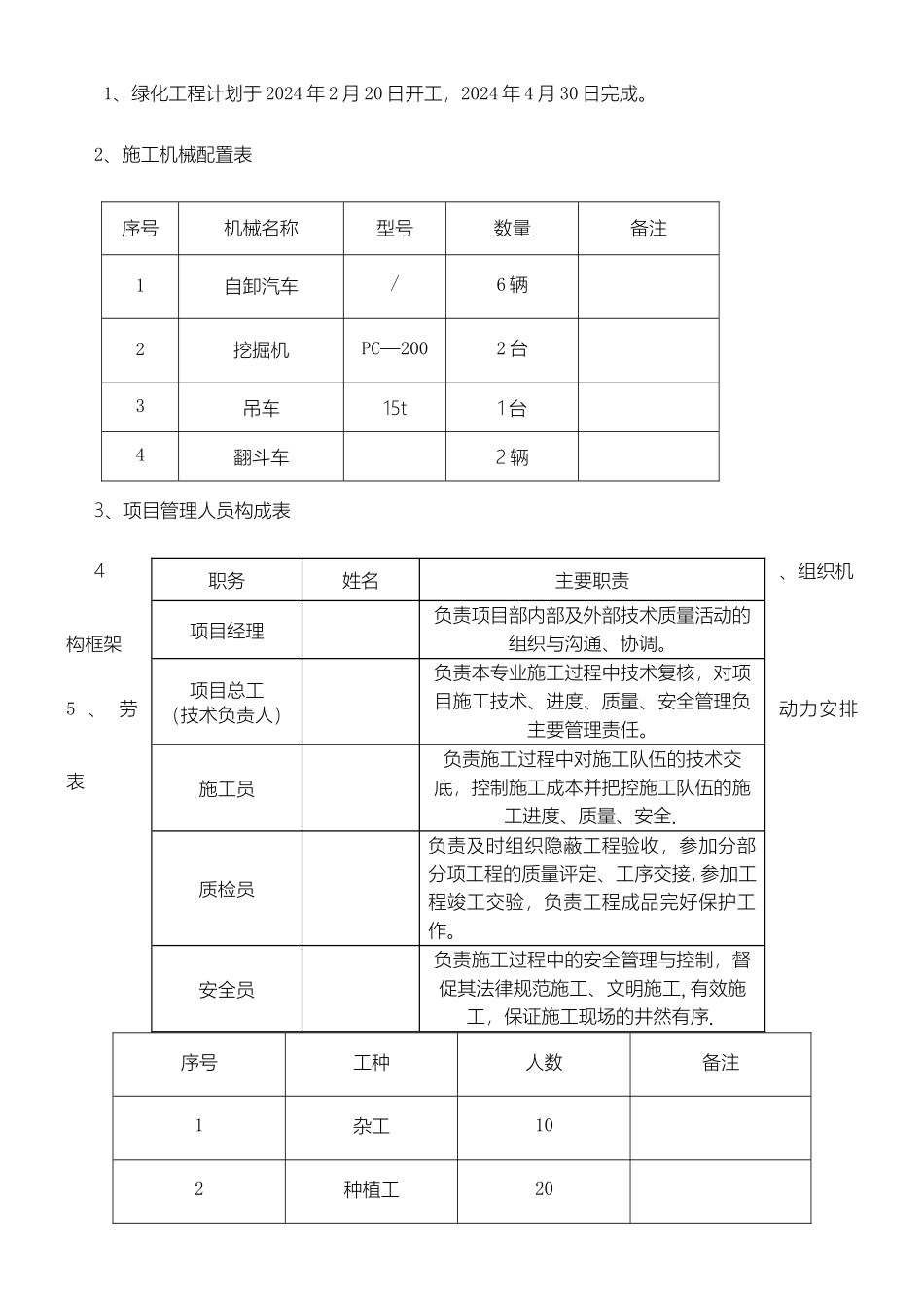
绿化工程专项施工方案一、工程概况本工程项目工程名称为祁东县**路、**路道路提质改造工程,是祁东县城区的Ⅰ级城市主干道,是市委、市政府为缓解交通“行路难、停车难”,改善人居环境,提升城市综合竞争力的一项重大举措。它的建成对提高城市品位,改善交通环境,将会产生深远影响.**路施工范围西起于城西路,东至青山路,全长约 2.365 公里。**路改造后道路标准横断面设计为:5 米(人行道)+2 米(绿化带)+28 米(机动车道)+2 米(绿化带)+5 米(人行道)=42米。**路施工范围南起于祁丰大道,北至竹苑路,全长 889。546 米。**路标准横断面与现状一致,确定如下:9。5 米(人行道)+5 米(非机动车道)+2 米(机非分隔带)+10。5(机动车道)+6 米(中央分隔带)+10。5 米(机动车道)+2 米(机非分隔带)+5 米(非机动车道)+9。5 米(人行道)=60 米。绿化工程内容为种植行道树、草坪、花卉等绿化,总绿化面积约 6396㎡。二、编制依据1、《城市绿化工程施工及验收法律规范》CJJ/T82-992、《城市绿化和园林绿地用植物材料》(CJ/T34—91)三、进度计划及机械、人员安排1、绿化工程计划于 2024 年 2 月 20 日开工,2024 年 4 月 30 日完成。2、施工机械配置表序号机械名称型号数量备注1自卸汽车/6 辆2挖掘机PC—2002 台3吊车15t1 台4翻斗车2 辆3、项目管理人员构成表4、组织机构框架5 、 劳动力安排表序号工种人数备注1杂工102种植工20职务姓名主要职责项目经理负责项目部内部及外部技术质量活动的组织与沟通、协调。项目总工(技术负责人)负责本专业施工过程中技术复核,对项目施工技术、进度、质量、安全管理负主要管理责任。施工员负责施工过程中对施工队伍的技术交底,控制施工成本并把控施工队伍的施工进度、质量、安全.质检员负责及时组织隐蔽工程验收,参加分部分项工程的质量评定、工序交接,参加工程竣工交验,负责工程成品完好保护工作。安全员负责施工过程中的安全管理与控制,督促其法律规范施工、文明施工,有效施工,保证施工现场的井然有序.3司机84起重工1四、具体施工要求及主要工程量(一)绿化地平整清理进场后按计划进度做好清场工作。对施工范围内的有碍进展和影响工程质量的地上(石块垃圾、废弃物)、地下物(管线)进行清除、深埋、转移、加固、标记,同时对 20cm 以内的土层进行人工深翻、碾压.仪器复测高程,并对比设计地形高程、平衡土方。初步地形造好后为使绿化更具立体感、层次...

1、当您付费下载文档后,您只拥有了使用权限,并不意味着购买了版权,文档只能用于自身使用,不得用于其他商业用途(如 [转卖]进行直接盈利或[编辑后售卖]进行间接盈利)。
2、本站所有内容均由合作方或网友上传,本站不对文档的完整性、权威性及其观点立场正确性做任何保证或承诺!文档内容仅供研究参考,付费前请自行鉴别。
3、如文档内容存在违规,或者侵犯商业秘密、侵犯著作权等,请点击“违规举报”。

碎片内容

市政道路绿化工程专项施工方案

确认删除?
VIP
微信客服
  • 扫码咨询
会员Q群
  • 会员专属群点击这里加入QQ群
客服邮箱
回到顶部