电脑桌面
添加小米粒文库到电脑桌面
安装后可以在桌面快捷访问

布线施工方案

布线施工方案_第1页
1/30
布线施工方案_第2页
2/30
布线施工方案_第3页
3/30
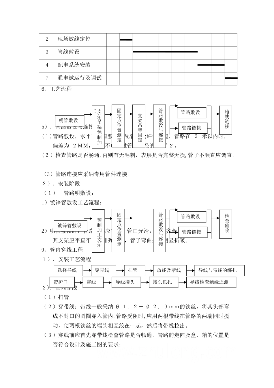
第一章编制说明1、设计、施工图纸2、设计、施工、验收法律规范及质量验评标准 1)建筑电气通用图集 92DQ1,92DQ3,92DQ4,92DQ6; 2)建筑电气工程施工质量验收法律规范 GB50303-2002; 3)《电气安置安装工程施工及验收法律规范》 4)《建筑安装分项工程施工工艺规程》DBJ 01—26-96; 5)《高层民用建筑设计防火法律规范》GB50045—95 6)《民用建筑电气设计法律规范》JGJ/T16—92 7)《住宅设计法律规范》GB50096—1999 8)《住宅设计标准》DGJ08-20—2001,J10090—2001 9)《低压配电设计法律规范》GB50054-95 10)《供配电系统设计法律规范》GB50052—95 第二章工程概况及施工特点一、 工程概况园区亮化布线二、工程施工特点1、阜新 123 园区内部第二章总体布局、施工方案与技术措施一、施工总平面图二、施工方案(一)、施工方案重点内容分析本工程位置位位于阜新市 123 园区内部编制原则◆体现“均衡有序、突出重点、保证工期"的原则.◆实行专业组施工。实行施工人员和施工项目相对固定的原则。◆推广应用新技术、新工艺和新材料,采纳先进施工机械设备实施以机械作业为主的原则.(二)、总体施工程序施工准备阶段,熟悉图纸资料,领悟设计意图,掌握施工标准、法律规范.组织施工人员学习图纸等技术资料,做好技术交底,合理配备劳动力、设备、材料等。三、施工方按及技术措施1,地面布线需要在土地地面以及地砖地面挖槽,铺设电线。在就近路灯灯杆处取电,并配置配电箱。如图 01 所示2,穿线管选用尼龙阻燃穿线管:3,凉亭柱子、水池,为确保美观,使用白色护套线在表面喷漆,使其与原理石材质颜色相近。4,需挖开地砖样式及数量序号位置样式数量(块)1南门路面4202南门入口处路面4163中心十字轴南侧及北侧凉亭地面164081684中心水池四周406940155中心十字轴东侧罗马柱404、配电箱5、工期:10 日历天序号 时间 项目 第1天第2天第3天第4天第5天第6天第7天第8天第9天第10天1施工进场准备水2现场放线定位3管线敷设4配电系统安装7通电试运行及调试6、工艺流程5).管路敷设与连接 (1)管路敷设,水平或垂直敷设明配管,允许偏差值,管路在 2 米以内时,偏差为 2MM,全长不应超过管子内径的 1/2。 (2)检查管路是否畅通,内则有无毛剌,表层是否完整无损,管子不顺直应调直。 (3)管路连...

1、当您付费下载文档后,您只拥有了使用权限,并不意味着购买了版权,文档只能用于自身使用,不得用于其他商业用途(如 [转卖]进行直接盈利或[编辑后售卖]进行间接盈利)。
2、本站所有内容均由合作方或网友上传,本站不对文档的完整性、权威性及其观点立场正确性做任何保证或承诺!文档内容仅供研究参考,付费前请自行鉴别。
3、如文档内容存在违规,或者侵犯商业秘密、侵犯著作权等,请点击“违规举报”。

碎片内容

布线施工方案

确认删除?
VIP
微信客服
  • 扫码咨询
会员Q群
  • 会员专属群点击这里加入QQ群
客服邮箱
回到顶部