电脑桌面
添加小米粒文库到电脑桌面
安装后可以在桌面快捷访问

幕墙工程专项安全施工方案

幕墙工程专项安全施工方案_第1页
1/12
幕墙工程专项安全施工方案_第2页
2/12
幕墙工程专项安全施工方案_第3页
3/12
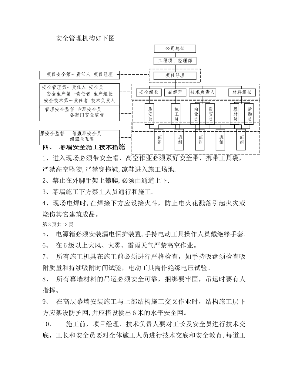
幕墙工程专项安全施工与应急预案一、 编制依据1、《中华人民共和国安全生产法》2、《建设工程项目管理法律规范》3、《建设领域安全生产行政责任规定》4、《山东省建设工程文明施工管理文件汇编》5、<建筑施工安全管理文件汇编〉6、〈建筑施工安全法规选编〉7、《安全生产文明施工管理规定及办法》及国家、省、市其它关于施工安全的强制性条文.8、《建筑施工安全检查评分标准》及其它建筑施工安全技术法律规范与标准。9、施工合同及有关图纸.10、报批审定的有关施工方案.11、项目部现行的安全文明施工管理的规章制度和岗位责任制等。二、 工程概况本工程为青岛市市北区兴旺花园二期,东侧为兴旺花园一期住宅小区,南侧为在建吉尼斯酒店,西侧台柳路,北侧蚌埠路。主体 30层,框架剪力墙结构地下二层,地上 30 层。±0.000m 对应绝对标高 24。400m,为框剪结构.其中地下车库建筑面积 10067。08 m2、地上建筑面积 A 座 12040.56 m2、B 座 15040。22m2、总建筑面积 37147。68m2。工程造价 10922。80 万。本工程石材幕墙网点商铺面积 3200 余平方米。因外装饰采纳干挂石材,外墙作业有一定的危险性,特此编制安全施工方案三、安全生产管理机构:第 2 页共 13 页成立以项目经理为首的安全生产管理机构,按施工区域分别确定专职安全员,各生产班组设兼职安全员,建立一整套的安全生产管理体系. 安全管理机构如下图四、 幕墙安全施工技术措施1、进入现场必须带安全帽、高空作业必须系好安全带、携带工具袋,严禁高空坠物,严禁穿拖鞋,凉鞋进入施工场地.2、禁止在外脚手架上攀爬,必须由通道上下.3、幕墙施工下方禁止人员通行和施工.4、现场电焊时,在焊接下方应设接火斗,防止电火花溅落引起火灾或烧伤其它建筑成品。第 3 页共 13 页5、 电源箱必须安装漏电保护装置,手持电动工具操作人员戴绝缘手套.6、 在 6 级以上大风、大雾、雷雨天气严禁高空作业。7、 所有施工机具在施工前必须进行严格检查,如手持吸盘须检查吸附质量和持续吸附时间试验,电动工具需作绝缘电压试验。8、 所有幕墙材料的吊运必须安全可靠,捆绑要牢固,吊运时要有人指挥。9、 在高层幕墙安装施工与上部结构施工交叉作业时,结构施工层下方应架设防护网,并应搭设挑出 6 米的水平安全网。10、 施工前,项目经理、技术负责人要对工长及安全员进行技术交底,工长和安全员要对全体施工人员进行技术交底和安全教育,每道工公司总部工程项目经理部项目经理...

1、当您付费下载文档后,您只拥有了使用权限,并不意味着购买了版权,文档只能用于自身使用,不得用于其他商业用途(如 [转卖]进行直接盈利或[编辑后售卖]进行间接盈利)。
2、本站所有内容均由合作方或网友上传,本站不对文档的完整性、权威性及其观点立场正确性做任何保证或承诺!文档内容仅供研究参考,付费前请自行鉴别。
3、如文档内容存在违规,或者侵犯商业秘密、侵犯著作权等,请点击“违规举报”。

碎片内容

幕墙工程专项安全施工方案

确认删除?
VIP
微信客服
  • 扫码咨询
会员Q群
  • 会员专属群点击这里加入QQ群
客服邮箱
回到顶部