电脑桌面
添加小米粒文库到电脑桌面
安装后可以在桌面快捷访问

建-筑-工-程-施-工-安-全-月-报-表

建-筑-工-程-施-工-安-全-月-报-表_第1页
1/5
建-筑-工-程-施-工-安-全-月-报-表_第2页
2/5
建-筑-工-程-施-工-安-全-月-报-表_第3页
3/5
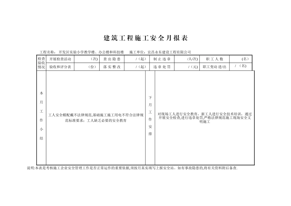
建 筑 工 程 施 工 安 全 月 报 表工程名称:开发区实验小学教学楼、办公楼和科技楼 施工单位:宜昌永东建设工程有限公司 NO:01检查验收情况开展检查活动(次)查出隐患(起)制止违章(人/次)职工人数(名)验收和评分表(份)落实整改(起)违章处罚(元)职工变动进/出(名)本月工作小结下月工作安排说明:本表是考核施工安全企业管理工作是否正常运作的重要依据,须按月真实填写上报安全站.如有隐患的,将有关资料附后备查。安全员: 企业安全负责人:(签章) 年 月 日建 筑 工 程 施 工 安 全 月 报 表工程名称: 开发区实验小学教学楼、办公楼和科技楼 施工单位:宜昌永东建设工程有限公司检查验收情况开展检查活动 (次)查 出 隐 患/(起)制 止 违 章/人/次)职 工 人 数 (名)验收和评分表 (份)落 实 整 改/(起)违 章 处 罚/(元)职工变动 进/出/ (名)本月工作小结工人安全帽配戴不法律规范,基础施工施工用电不符合法律规范标准要求;工人缺乏必要的安全教育下月工作安排对现场工人进行安全教育,新工人进行安全技术培训,通过开展安全检查,进行违章处罚,严格法律规范施工现场安全文明施工 说明:本表是考核施工企业安全管理工作是否正常运作的重要依据,须按月真实填写上报安全站。如有事故隐患的,将有关资料附后备查.安全员: 企业安全负责人:(签章) 年 月 日建 筑 工 程 施 工 安 全 月 报 表工程名称: 开发区实验小学教学楼、办公楼和科技楼 施工单位:宜昌永东建设工程有限公司检查验收情况开展检查活动 (次)查 出 隐 患/(起)制 止 违 章/人/次)职 工 人 数 (名)验收和评分表 (份)落 实 整 改/(起)违 章 处 罚/(元)职工变动 进/出/ (名)本月工作小结部分模板支撑系统未按要求设置,局部缺失;断开式外架未用斜撑加固;下月工作安排对于模板支撑系统严格按要求设置,杜绝有局部缺失;断开式外架必须用斜撑加固。严格法律规范施工现场安全文明施工 说明:本表是考核施工企业安全管理工作是否正常运作的重要依据,须按月真实填写上报安全站。如有事故隐患的,将有关资料附后备查。安全员: 企业安全负责人:(签章) 年 月 日建 筑 工 程 施 工 安 全 月 报 表工程名称: 开发区实验小学教学楼、办公楼和科技楼 施工单位:宜昌永东建设工程有限公司检查验收情况开展检查活动 (次)查 出 隐 患/(起)制 止 违 章...

1、当您付费下载文档后,您只拥有了使用权限,并不意味着购买了版权,文档只能用于自身使用,不得用于其他商业用途(如 [转卖]进行直接盈利或[编辑后售卖]进行间接盈利)。
2、本站所有内容均由合作方或网友上传,本站不对文档的完整性、权威性及其观点立场正确性做任何保证或承诺!文档内容仅供研究参考,付费前请自行鉴别。
3、如文档内容存在违规,或者侵犯商业秘密、侵犯著作权等,请点击“违规举报”。

碎片内容

建-筑-工-程-施-工-安-全-月-报-表

确认删除?
VIP
微信客服
  • 扫码咨询
会员Q群
  • 会员专属群点击这里加入QQ群
客服邮箱
回到顶部