电脑桌面
添加小米粒文库到电脑桌面
安装后可以在桌面快捷访问

建筑工程造价全过程跟踪审计工作方案

建筑工程造价全过程跟踪审计工作方案_第1页
1/12
建筑工程造价全过程跟踪审计工作方案_第2页
2/12
建筑工程造价全过程跟踪审计工作方案_第3页
3/12
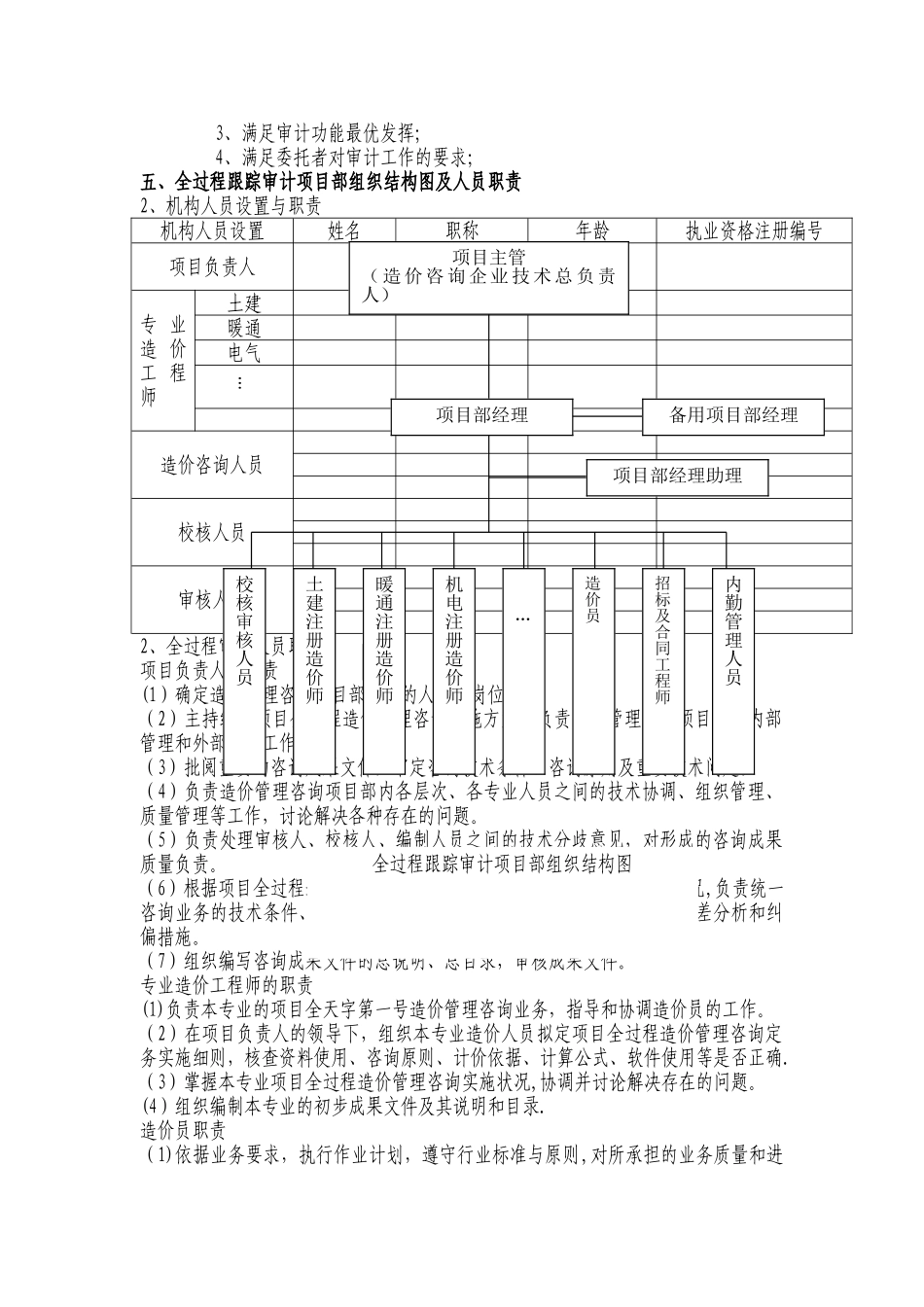
工程咨询工作方案单位名称:******地址:******联系电话:******传真:******目 录一、项目概况二、全过程跟踪服务的目的与任务三、服务范围及工作内容四、全过程跟踪审计服务的指导思想和审计目标五、项目部组织结构图及人员职责六、建设过程各阶段的具体工作和责任细化七、工程审计质量控制措施八、工程审计难点分析九、工程审计风险评估十、工程审计工作建设性建议******工程咨询工作方案根据中华人民共和建设部颁发的《工程造价咨询管理办法》规定及委托方要求,并根据我单位长期实践经验制定本操作规程(全过程跟踪审计工作方案).一、项目概况项目名称: 建设地点: 建设规模:项目工程费用:咨询业务要求: 咨询单位: 资质要求:工程造价咨询甲级以上资质二、全过程跟踪审计的目的与任务1。1 检查工程项目准备工作情况,项目是否具备开工条件,以防止资金不落实、条件不具备的项目开工,造成损失浪费。1.2 及时纠正工程项目建设中存在的问题,保证工程建设项目合理、合法进行,提高资金使用效率,注意节约投资,以提高经济效益和保证按期完成。1.3 加强委托方基建管理力量,协助委托方控制好工程造价,贯彻委托方的审计管理理念,促进工程建设管理水平的提升。三、服务范围及工作内容1、服务范围1、1用现代审计方法对建设项目决策、设计、招投标、工程中规模XX万元以上的工程招标文件和招标答疑文件、施工合同,重要的隐蔽工程、大宗材料和设备采购、工程进度款、XX万元以上的工程变更及洽商费用、索赔费用等;竣工结算、竣工决算.1、2对建设工程管理情况及造价控制情况定期出具审计报告。1、3执行与本项目建设有关的其他规定的活动和服务工作。2、全过程审计的工作内容2、1直接接受并执行委托方及业主有关项目的指令;2、2指定项目经理、对委托方及业主关于服务的书面询问给予书面答复;2、3根据委托方及业主要求,提供有关的投资预算分析报告供委托方及业主审核;2、4编制项目方案及概算、施工预算、竣工决算;2、5主持由委托方及业主发标的材料、设备、工程及其他服务的招投标工作,编制商务标书、组织招标答疑文件、编制施工合同文件、审核投标资料、编制投标综合报告、参加合同的商务谈判;2、6协助委托方及业主进行合同管理,负责合同的解释,每月提供计划与实际付款说明;2、7协助审核、控制工程进度款的支付,最晚审核时间不超过进度款支付申请提交日后的14日历天;2、8对承包商的施工报价和材料报价进行审核确认...

1、当您付费下载文档后,您只拥有了使用权限,并不意味着购买了版权,文档只能用于自身使用,不得用于其他商业用途(如 [转卖]进行直接盈利或[编辑后售卖]进行间接盈利)。
2、本站所有内容均由合作方或网友上传,本站不对文档的完整性、权威性及其观点立场正确性做任何保证或承诺!文档内容仅供研究参考,付费前请自行鉴别。
3、如文档内容存在违规,或者侵犯商业秘密、侵犯著作权等,请点击“违规举报”。

碎片内容

建筑工程造价全过程跟踪审计工作方案

确认删除?
VIP
微信客服
  • 扫码咨询
会员Q群
  • 会员专属群点击这里加入QQ群
客服邮箱
回到顶部