电脑桌面
添加小米粒文库到电脑桌面
安装后可以在桌面快捷访问

建筑电气节能方案

建筑电气节能方案_第1页
1/4
建筑电气节能方案_第2页
2/4
建筑电气节能方案_第3页
3/4
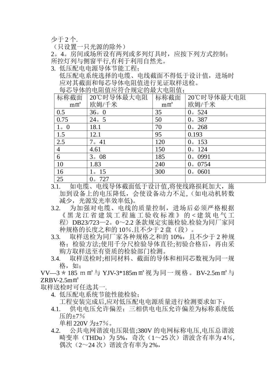
建筑电气节能施工方案;低压配电与照明节能分布工程;依 据 设 计 图 纸 及 《 黑 龙 江 省 建 筑 节 能 工 程 施 工 质 量 验 收 标准》DB23/1206—2024 进行施工。1、照明光源、灯具及其附属装置安装节能工程;1.1.照明光源、灯具及其附属装置的选择,应符合国家现行有关标准,并应满足;荧光灯灯具和高强度气体放电灯灯具的效率不应低于规定的允许值;灯具出光口形式开敞式保护罩(玻璃或塑料)格栅透光罩透明磨砂、棱镜荧光灯(﹪)75655560—-高 强 度 气 体 放 电 灯(﹪)——-————-——1.2.管型荧光灯具镇流器不小于能效限定值的规定;标称功率 W18202230323640镇 流 器能 效 因数(BEF)电感型3。1542。9522。7702.2322。1462.0301.992电子型4。7884.3703。9982。8702。6782.4022。2720 1。3 照明设备谐波含量限值应符合规定;谐波次数 n基波频率下输入电流百分比数的最大允许谐波电流(﹪)22330xλ510779511≤n≤39 ( 仅 有 奇 次 谐波)3注;表中 ג为电路功率因数2. 照明控制节能;2。1.建筑照明的控制方法和功能应符合设计要求;建筑照明的控制方式和功能;当设计无自控要求时,应实现下列控制功能,以其最大限度节能。根据建筑使用条件和天然采光状况分区、分组控制措施.并按要求实行调光或降低照度的控制措施,在白天自然光较强或深夜人员较少时,可以方便的关闭一部分或大部分照明,有利于节电。分组控制的目的;是为了将天然采光充足或不充足的场所分别开、关.2。2.居住建筑有天然采光的楼梯间的一般照明,应采纳节能自熄开关,这类场所在夜间的人员不多,采纳声光控制等的开关方式有利于节电.2。3.每个照明开关所控光源不宜太多,每个房间灯的开关数不宜少于 2 个.(只设置一只光源的除外)2。4。房间或场所设有两列或多列灯具时,应按下列方式控制;所控灯列与侧窗平行,有利于利用自然光。3. 低压配电电源导体节能工程;低压配电系统选择的电缆、电线截面不得低于设计值,进场时应对其截面和每芯导体电阻值进行见证取样送检。每芯导体的电阻值应符合规定的最大电阻值;标称截面m㎡20℃时导体最大电阻欧姆/千米标称截面m㎡20℃时导体最大电阻欧姆/千米0.536。0350。5240.7524。5500。3871。018.1700。2681.512.1950.1932.57。411200。15344.611500。12463。081850。0991101.832400。0754161。153000。0601250。7273.1.如电缆、电线导体截面低于设计值,将使线路损耗加大,施...

1、当您付费下载文档后,您只拥有了使用权限,并不意味着购买了版权,文档只能用于自身使用,不得用于其他商业用途(如 [转卖]进行直接盈利或[编辑后售卖]进行间接盈利)。
2、本站所有内容均由合作方或网友上传,本站不对文档的完整性、权威性及其观点立场正确性做任何保证或承诺!文档内容仅供研究参考,付费前请自行鉴别。
3、如文档内容存在违规,或者侵犯商业秘密、侵犯著作权等,请点击“违规举报”。

碎片内容

建筑电气节能方案

您可能关注的文档

确认删除?
VIP
微信客服
  • 扫码咨询
会员Q群
  • 会员专属群点击这里加入QQ群
客服邮箱
回到顶部