电脑桌面
添加小米粒文库到电脑桌面
安装后可以在桌面快捷访问

建筑节能施工控制VIP专享

建筑节能施工控制_第1页
1/3
建筑节能施工控制_第2页
2/3
建筑节能施工控制_第3页
3/3
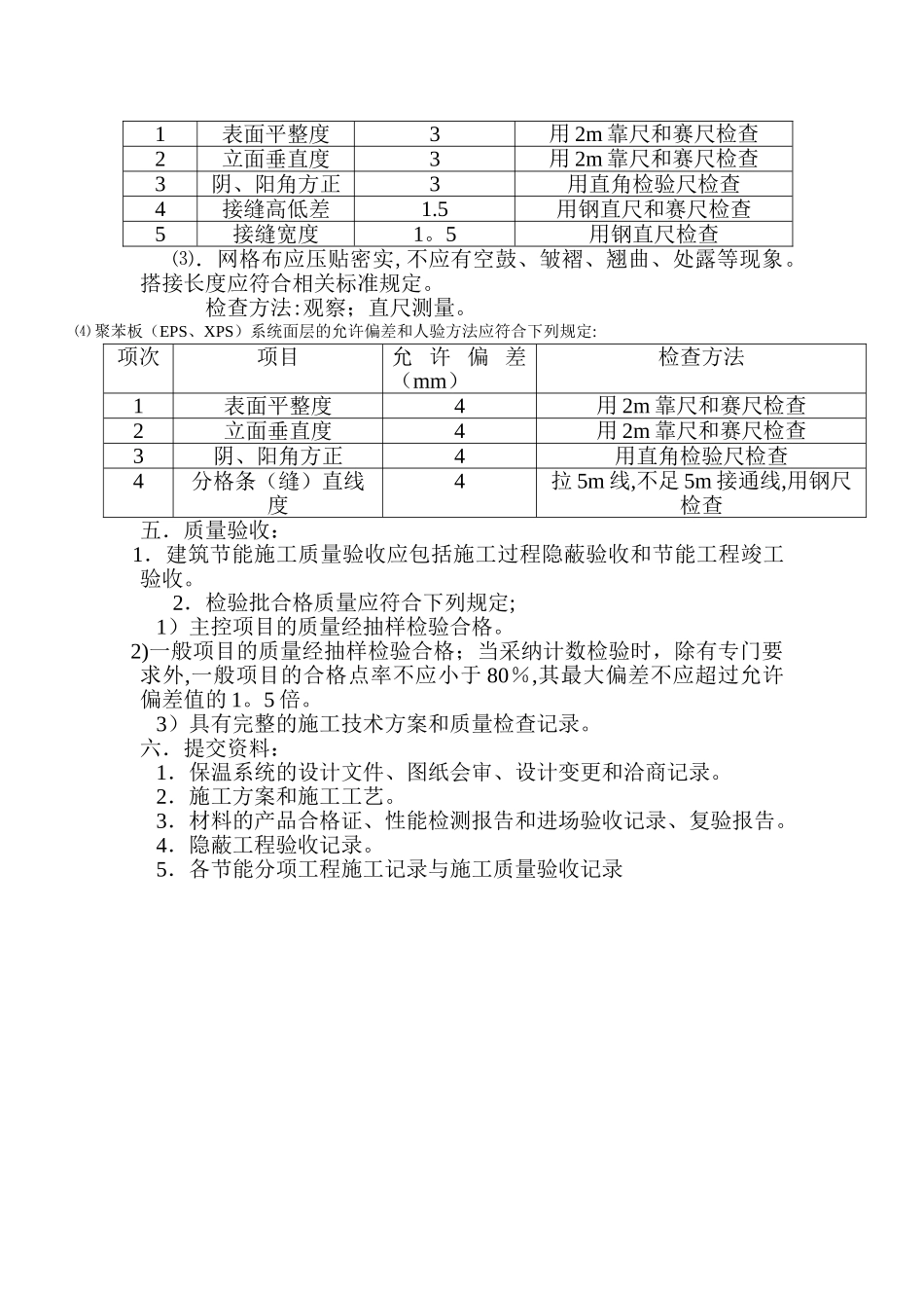
第六章建筑节能施工控制建筑节能工程施工监理细则﹤聚苯板(EPS、XPS)薄抹灰外墙保温系统﹥一. 编制依据: DBJ08-113—2024《住宅建筑节能工程施工质量验收规程》二. 材料控制: 1.建筑节能工程所用材料的品种、规格应符合设计要求,其性能应符合国家、行业和本市现行的有关标准要求。2.严禁在住宅节能工程中使用国家及本市建设行政主管部门向社会公布淘汰的建筑材料及产品。3.用于建筑节能的产品应具有产品合格证、相应性能的出厂检验报告和有相应资质的监测机构的型式检验报告。进口产品尚应按规定提供商品检验报告。4.进场后需要进行复验的材料种类及项目应符合法律规范相应规定。5.复验材料的取样和送检应按本市有关的规定执行。建筑节能分项工程可划分为一个或若干个检验批,检验批可根据施工及质量验收和专业验收需要按楼层、变形缝、施工段等进行划分。6.保温系统材料性能、规格应符合设计及产品要求,保温层厚度应控制在标准偏差范围内,材料进场后,施工单位应取样复检并进场验收。保温系统材料现场抽检复验项目材料名称现场抽样数量外观质量检验物理性能指标膨胀聚苯板(EPS)每 5000 m2 为一批,不足5000 m2 按一批抽样,抽取1%做外观质量检查,在外观质量合格的板材中,任取一块做物理性能检验色泽均匀、厚度偏差合格、表面平整无明显收缩变形和膨胀变形、无明显油渍和杂质表观密度、抗拉强度、尺寸稳定性、燃烧性能级别挤塑聚苯板(XPS)每 5000 m2 为一批,不足5000 m2 按一批抽样,抽取1%做外观质量检查,在外观质量合格的板材中,任取一块做物理性能检验色泽均匀、厚度偏差合格、表面平整无明显收缩变形和膨胀变形、无明显油渍和杂质表观密度、抗拉强度、尺寸稳定性、燃烧性能级别三. 施工准备质量控制:1.建筑节能工程施工前,施工单位应根据设计要求编制施工技术方案,对施工人员应进行技术交底和专业技术培训.并应按相关的施工技术标准对施工过程实行质量控制.2.建筑节能工程施工前,应对基层的质量按相关法律规范进行验收。合格后方可进行节能工程施工。对既有建筑进行节能改造时,应对基层进行处理并达到要求后方可实施。3.主体结构的支模洞等应修补完成后再做节能保温工程,不应用保温材料填嵌。4.管道、设备等安装及调试宜在有关节能工程施工前完成。必须同步进行时,应在饰面层施工前完成.建筑节能工程不应影响管道、设备等的使用和维修。5.建筑墙体保温工程施工过程中,应对隐蔽工程进行验收.并...

1、当您付费下载文档后,您只拥有了使用权限,并不意味着购买了版权,文档只能用于自身使用,不得用于其他商业用途(如 [转卖]进行直接盈利或[编辑后售卖]进行间接盈利)。
2、本站所有内容均由合作方或网友上传,本站不对文档的完整性、权威性及其观点立场正确性做任何保证或承诺!文档内容仅供研究参考,付费前请自行鉴别。
3、如文档内容存在违规,或者侵犯商业秘密、侵犯著作权等,请点击“违规举报”。

碎片内容

建筑节能施工控制

确认删除?
VIP
微信客服
  • 扫码咨询
会员Q群
  • 会员专属群点击这里加入QQ群
客服邮箱
回到顶部