电脑桌面
添加小米粒文库到电脑桌面
安装后可以在桌面快捷访问

开工复工报审表

开工复工报审表_第1页
1/2
开工复工报审表_第2页
2/2
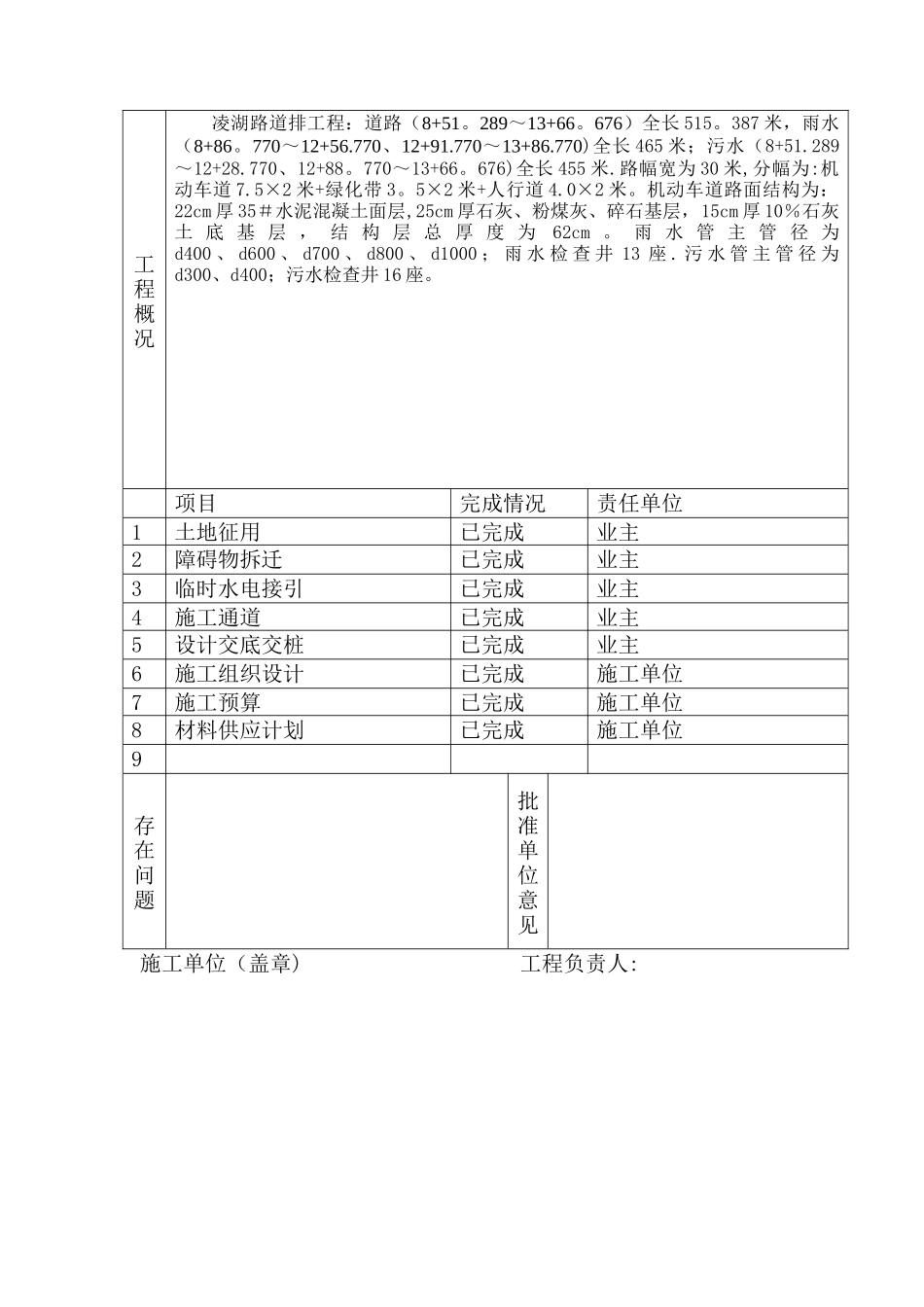
工程开工/复工报审表工程名称:许涵路(卫关路—许涵路)改造工程编号:致:安徽恒泰工程咨询有限公司 (监理单位)我方承担的:许涵路 ( 卫关路—许涵路)改造工程 ,已完成了以下各项工作,具备了开工/复工条件,特此申请施工,请核查并签发开工/复工指令。附:开工报告承包单位(章)项 目 经 理日 期审查意见:项目监理机构总监理工程师日 期工 程 开 工 报 告施工单位:合肥义城建设工程有限责任公司报告时间:2024 年 3 月 1 日工程编号工程名称庐阳工业园凌湖路道排工程预算造价元 工程地点合肥庐阳工业园计划开工日期2024.3.1批准文件计划竣工日期计划工作天工程概况凌湖路道排工程:道路(8+51。289~13+66。676)全长 515。387 米,雨水(8+86。770~12+56.770、12+91.770~13+86.770)全长 465 米;污水(8+51.289~12+28.770、12+88。770~13+66。676)全长 455 米.路幅宽为 30 米,分幅为:机动车道 7.5×2 米+绿化带 3。5×2 米+人行道 4.0×2 米。机动车道路面结构为:22cm 厚 35#水泥混凝土面层,25cm 厚石灰、粉煤灰、碎石基层,15cm 厚 10%石灰土 底 基 层 , 结 构 层 总 厚 度 为62cm 。 雨 水 管 主 管 径 为d400 、 d600 、 d700 、 d800 、 d1000 ; 雨 水 检 查 井 13 座 . 污 水 管 主 管 径 为d300、d400;污水检查井 16 座。项目完成情况责任单位1土地征用已完成业主2障碍物拆迁已完成业主3临时水电接引已完成业主4施工通道已完成业主5设计交底交桩已完成业主6施工组织设计已完成施工单位7施工预算已完成施工单位8材料供应计划已完成施工单位9存在问题批准单位意见施工单位(盖章) 工程负责人:

1、当您付费下载文档后,您只拥有了使用权限,并不意味着购买了版权,文档只能用于自身使用,不得用于其他商业用途(如 [转卖]进行直接盈利或[编辑后售卖]进行间接盈利)。
2、本站所有内容均由合作方或网友上传,本站不对文档的完整性、权威性及其观点立场正确性做任何保证或承诺!文档内容仅供研究参考,付费前请自行鉴别。
3、如文档内容存在违规,或者侵犯商业秘密、侵犯著作权等,请点击“违规举报”。

碎片内容

开工复工报审表

您可能关注的文档

确认删除?
VIP
微信客服
  • 扫码咨询
会员Q群
  • 会员专属群点击这里加入QQ群
客服邮箱
回到顶部