电脑桌面
添加小米粒文库到电脑桌面
安装后可以在桌面快捷访问

开车前安全条件确认表

开车前安全条件确认表_第1页
1/2
开车前安全条件确认表_第2页
2/2
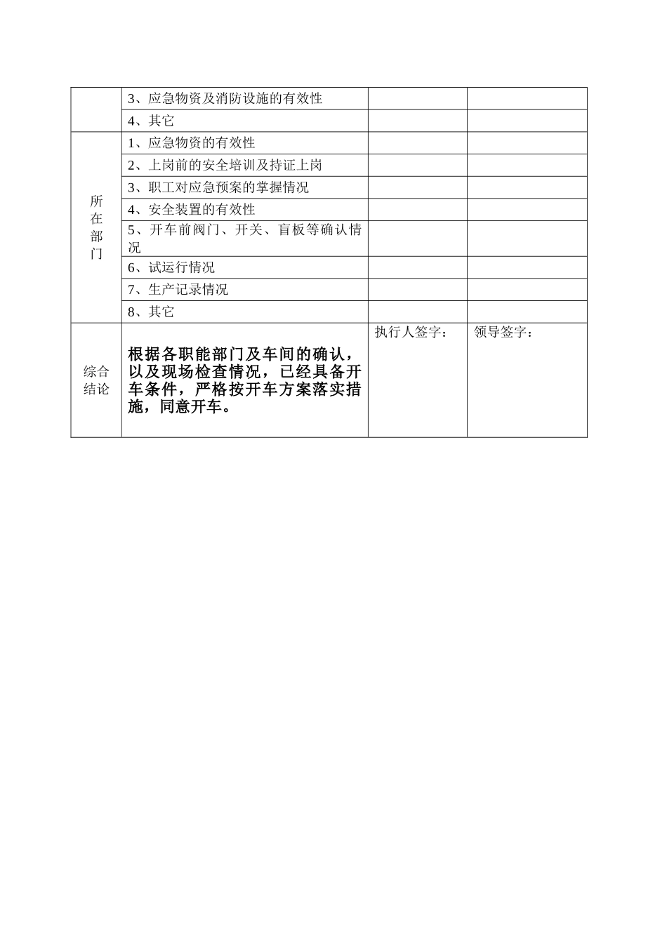
山东帝高漆业有限公司开车前的安全条件确认表开车装置名称所在部门负责人是否重点部位或关键装置时 间年 月 日 时 分部门确认的主要内容安全符合性确认人签字生产部1、开车方案落实情况;2、生产工艺方面;3、生产设施方面4、其它设备1、设备、特种设备及机动车辆的监测检验情况;2、特种作业人员培训及持证上岗情况;3、仪器、仪表的有效情况;4、防爆电器的选型情况;5、安全阀或其它职责范围内安全装置有效性6、其它技术1、开车方案的可行性2、工艺指标的变更情况3、操作规程的完善及健全情况4、其它质量1、原料、中间品及产品的安全质量情况2、设施设备及管道中可燃或爆炸性气体检测检验结果3、产品包装质量及重复使用包装物的检验情况4、职责范围内其他安全质量问题确认办公室1、人力资源的合理安排情况2、职工的教育培训情况3、其它安环科1、安全操作证持证上岗情况2、职工对应急预案的掌握情况(现场抽查)3、应急物资及消防设施的有效性4、其它所在部门1、应急物资的有效性2、上岗前的安全培训及持证上岗3、职工对应急预案的掌握情况4、安全装置的有效性5、开车前阀门、开关、盲板等确认情况6、试运行情况7、生产记录情况8、其它综合结论根据各职能部门及车间的确认,以及现场检查情况,已经具备开车条件,严格按开车方案落实措施,同意开车。执行人签字:领导签字:

1、当您付费下载文档后,您只拥有了使用权限,并不意味着购买了版权,文档只能用于自身使用,不得用于其他商业用途(如 [转卖]进行直接盈利或[编辑后售卖]进行间接盈利)。
2、本站所有内容均由合作方或网友上传,本站不对文档的完整性、权威性及其观点立场正确性做任何保证或承诺!文档内容仅供研究参考,付费前请自行鉴别。
3、如文档内容存在违规,或者侵犯商业秘密、侵犯著作权等,请点击“违规举报”。

碎片内容

开车前安全条件确认表

文森传品+ 关注
实名认证
内容提供者

一家传播文化教育的小店,资料丰富,随意挑选。

确认删除?
VIP
微信客服
  • 扫码咨询
会员Q群
  • 会员专属群点击这里加入QQ群
客服邮箱
回到顶部