电脑桌面
添加小米粒文库到电脑桌面
安装后可以在桌面快捷访问

张力放线施工方案

张力放线施工方案_第1页
1/8
张力放线施工方案_第2页
2/8
张力放线施工方案_第3页
3/8
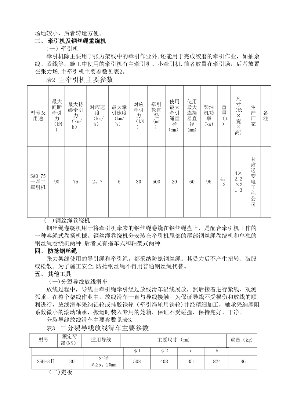
导、地线张力放线施工方案一、 张力架线的优点及施工流程张力架线是在架线过程中给导线或避雷线施加一定张力,使之离开地面或跨越被跨越物的一种架线施工方法。采纳张力架线时,导线或避雷线不致受到磨损,从而减少导线带电运行后的电晕损耗,且可提高施工效率.我公司采纳的张牵设备为:SAZ-30×2 张力机;牵引机为SAQ-75一牵二牵引机;张力架线布置示意图见图1。施工过程为:1、展放引绳:引绳盘置于张力场,用人力向牵引场展放。展放时,引绳依次穿过本架线段各个杆塔的放线滑车,两端分别在张力场和牵引场锚固,以备牵放牵引绳.2、牵放牵引绳:将锚固在牵引场的引绳松开,用旋转连接器与绕在小张力机上的牵引绳连接后,用放置在张力场的小牵引机向张力场牵放,牵放过程中牵引绳应始终保持在悬空状态,直到牵引绳被牵放到张力场,通过走板与导线连接为止。3、牵放导线:将牵引绳用走板与盘在主张力机上的导线相连接,然后用放置在牵引场的主牵引机将导线牵放至牵引场.导线牵放到指定位置后,将它带着张力临时锚固在两端的锚线架上。4、紧线工作:该工作包括紧线、观测与调整弧垂、画印、挂线及附件安装。张力架线使用的工机具包括张力机、牵引机、线盘支承装置、钢丝绳卷绕机、防捻钢丝绳、分裂导线放线滑车、走板、网套式连接器、钢丝绳连接器等.二、 张力机及线盘支承装置(一) 张力机张力机用于控制放线张力。施工时使用的有主张力机和小张力机。前者放置在张力场,用于控制导线张力;后者放置在牵引场,用于控制牵引绳张力。张力机主要参数见表1。表1 常用张力机主要参数型号及用途用于1根线用于2根线用于4根线最大持续张力(kN)最大持续速度(km/h)最大持续张力(kN)最大持续速度(km/h)最大持续张力(kN)最大持续速度(km/h)SAZ—30×24052×305———-型号及用途张力轮直径(mm)使用最大导线直径(mm)重量(t)尺寸长×宽×高(m)生产厂家备注SAZ—30×2120032.54.94×2。22×2.3甘肃送变电工程公司(二)线盘支承装置放线时线盘支承装置置于张力机后面,将架空线(指导线或牵引绳)盘支离地面,使架空线能通过张力机进行展放。线盘支承装置分为线盘轴架和线盘拖车两种,前者所占图 1场地较小,后者转运方便。三、 牵引机及钢丝绳重绕机(一)牵引机牵引机除主要用于张力架线中的牵引作业外,还能用于完成绞磨的牵引作业,如抽余线、紧线等。施工中使用的牵引机有主牵引机、小牵引机.前者放置在牵引场,后者放置在张力场.主牵引机主要参数见表2...

1、当您付费下载文档后,您只拥有了使用权限,并不意味着购买了版权,文档只能用于自身使用,不得用于其他商业用途(如 [转卖]进行直接盈利或[编辑后售卖]进行间接盈利)。
2、本站所有内容均由合作方或网友上传,本站不对文档的完整性、权威性及其观点立场正确性做任何保证或承诺!文档内容仅供研究参考,付费前请自行鉴别。
3、如文档内容存在违规,或者侵犯商业秘密、侵犯著作权等,请点击“违规举报”。

碎片内容

张力放线施工方案

您可能关注的文档

确认删除?
VIP
微信客服
  • 扫码咨询
会员Q群
  • 会员专属群点击这里加入QQ群
客服邮箱
回到顶部