电脑桌面
添加小米粒文库到电脑桌面
安装后可以在桌面快捷访问

强电施工方案汇总

强电施工方案汇总_第1页
1/18
强电施工方案汇总_第2页
2/18
强电施工方案汇总_第3页
3/18
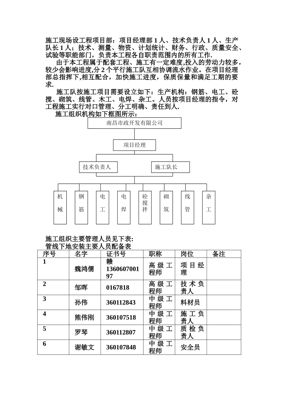
一、工程概况1、工程概况1.1 工程地理位置及环境本次设计为天祥大道(规划四路以东)电力预埋管道工程。本工程地处亚热带湿润气候,气候温暖,雨量充沛,四季分明。 平均气温为 17.50C 极高气温为 43。20C(7 月),12 月翌年 2 月气温最低 , 极 端 最 低 气 温 为 — 9.90C ( 2 月 ) ; 多 年 平 均 降 水 量 为1046mm,最大降水量为 2354mm,最不降水量为 1046mm,最大日暴雨量为 200.6mm,最大时降雨量为 27。8mm。 工程区域内地下水为上层带水和孔隙潜水,上层带水需量分布于杂填土中,一般埋深 1 至 2 米左右,主要受大气降水及生活污水补给.孔隙水需存于第四素砂土层中,受居民用水、赣江水的侧向补给,水量丰富,水位的变化受居民用水、赣江水的影响,水位标高在 9。10 至 2。2 米,地下水对砼无腐蚀性。工程规模本工程采纳管沟方式敷设电缆,沿天祥大道东南侧绿化带敷设 12孔电力管道,具体布置见线路部分“工井平面布置图”。沿电缆管沟路径布置,管道基础为素砼结构,电力井为直通、三通井、四通井及转角井,其结构为砌体和钢筋砼混合结构,下地电缆线安装暂无;本工程属于强电铺设配套工程,在施工期间,做好不受其它外界影响,做到施工管线铺设抢在晴天施工,铺设好管线。此外,由于该工程设计管网应及时排水,做好管线的保护工作.因此,在施工过程中,除了制定详细的技术方案外,还应严格按科学的管理和先进的设备精心组织施工。项目部统一部署、统一协调、统一指挥、密切配合,按规定施工顺序精心组织施工。工期要求本工程按合同要求计划在 年 月 日至 年 月 日竣工.为确保工期的实现,我公司将组织技术力量,必须做到以下五点要求:一是制定合理的施工技术方案;二是加强前期施工准备工作及地方协调工作;三是加大机械设备的投入、维修、保养及材料的及时供应:四是加强质量和安全控制,确保工序检验,一次性通过:五是协调各班组施工进度,使之合理有序按拟定计划时间顺利进行。本工程参建单位建设单位:监理单位:江西赣建工程建设监理有限公司施工单位:南昌市市政开发有限公司施工组织和管理2。1 施工部署 根据工期的要求,结合本工程施工的实际情况,为了不影响施工,首先加紧开挖敷设好电缆管线,操作井的施工,保持线路畅通,紧接布置下地电缆线安装。为了不影响施工效率,在施工安排上,做到轻重缓急,有条不紊地分段分项施工.施工组织和管理体系施工现场设工程项目部:项目经理部...

1、当您付费下载文档后,您只拥有了使用权限,并不意味着购买了版权,文档只能用于自身使用,不得用于其他商业用途(如 [转卖]进行直接盈利或[编辑后售卖]进行间接盈利)。
2、本站所有内容均由合作方或网友上传,本站不对文档的完整性、权威性及其观点立场正确性做任何保证或承诺!文档内容仅供研究参考,付费前请自行鉴别。
3、如文档内容存在违规,或者侵犯商业秘密、侵犯著作权等,请点击“违规举报”。

碎片内容

强电施工方案汇总

津创媒+ 关注
实名认证
内容提供者

欢迎交流文创,小店资料希望满足您的需要。

确认删除?
VIP
微信客服
  • 扫码咨询
会员Q群
  • 会员专属群点击这里加入QQ群
客服邮箱
回到顶部