电脑桌面
添加小米粒文库到电脑桌面
安装后可以在桌面快捷访问

悬挑大棚施工方案

悬挑大棚施工方案_第1页
1/9
悬挑大棚施工方案_第2页
2/9
悬挑大棚施工方案_第3页
3/9
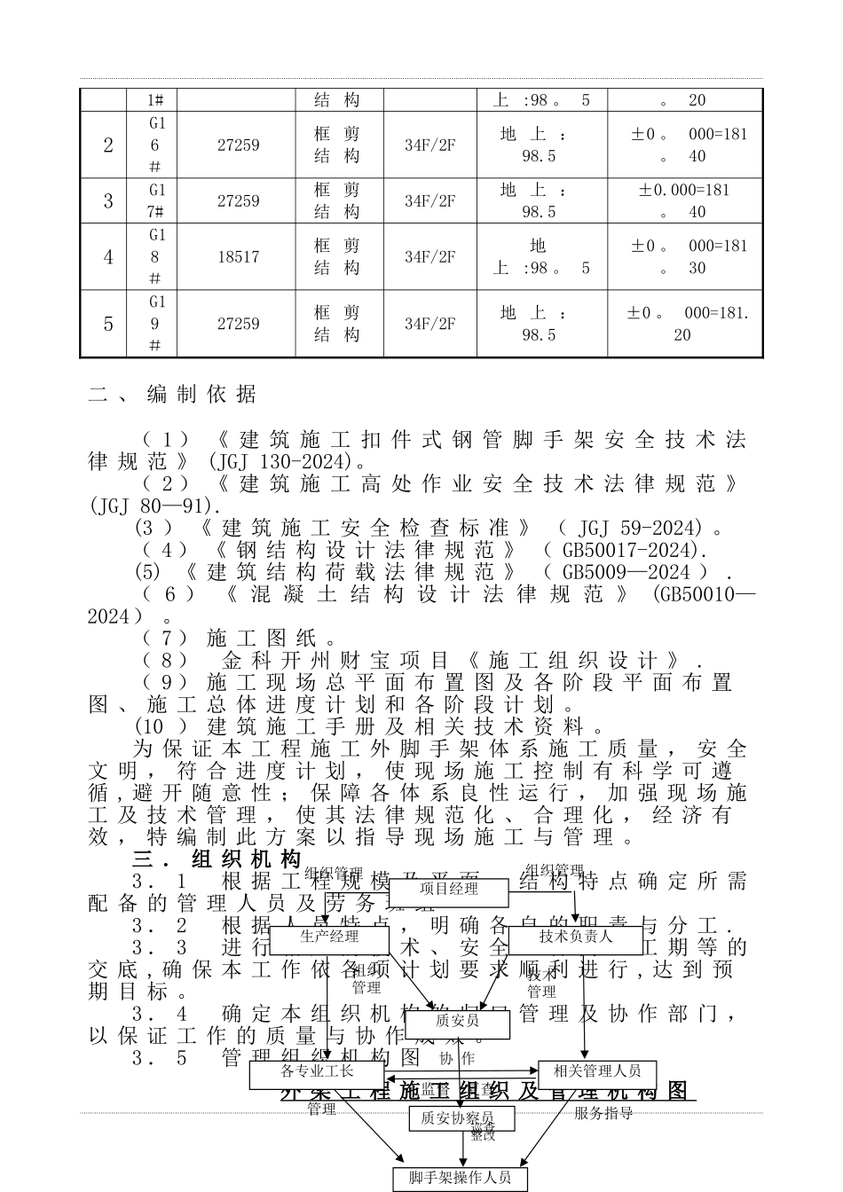
目 录一 、 工 程 概 况 — -——-—-——-—--———————--——--——-————-—————-—-—————--2二 、 编 制 依 据 — — --—-—————-—-——————-——-——--—-—--—--———-———-—-—-—2三 . 组 织 机 构 ----—--—-——-——-———--————-————-—————---—-————-————3四 . 悬 挑 大 棚 工 程 施 工 准 备 — -———-—--——-—-—————-———————-—--———--—4五 . 悬 挑 大 棚 搭 设 说 明 — — -—--——————--—--——--—-—————-—-—-———--—-5六 . 型 钢 悬 挑 式 防 护 棚 构 造 要 — — — — -—--——-—--—————-——--—--————--—5七 . 悬 挑 大 棚 搭 设 流 程 --———-—-—-————-——-—-——-—--——-———--—————-7八 . 悬 挑 大 棚 的 拆 除 -——--—-—--———-—---——----——-————-——-——-————8九 . 应 急 救 援 预 案 — — — — ---—---———--—--——-———--—-—-—-—-—————-—-—9十 . 型 钢 悬 挑 防 护 架 的 设 计 与 验 算 — -—--——-——---————-——-—————-———12型 钢 悬 挑 大 棚 施 工 方 案一 、 设 计 概 况1 、 设 计 概 况金 科 开 州 财 宝 中 心 项 目 , 位 于 重 庆 市 开 县 东 部南 山 东 路 , 由 重 庆 市 金 科 骏 耀 房 地 产 开 发 有 限 公司 开 发 , 中 煤 科 工 集 团 重 庆 设 计 讨 论 院 设 计 , 岩 土工 程 勘 察 由 重 庆 南 江 地 质 勘 察 设 计 讨 论 院 勘 察 , 重庆 联 盛 建 设 项 目 管 理 有 限 公 司 监 理 。 设 计 使 用 年限 为 50 年 , 基 础 设 计 为 乙 级 , 抗 震 设 防 烈 度 为 6 度 .2 、 项 目 组 成 如 下 : ( 以 审 定 的 施 工 图 为 准 )序号栋号建 筑 面积( ㎡)结 构形 式层 数建 筑 总高 (M )设 计 标 高1G118517框 剪34F/2F地±0.000=1831#结 构上 :98 。 5。 202G16#27259框 剪结 构34F/2F地 上 :98.5±0 。 000=181。 403G17#27259框 剪结 构34F/2F地 上 ...

1、当您付费下载文档后,您只拥有了使用权限,并不意味着购买了版权,文档只能用于自身使用,不得用于其他商业用途(如 [转卖]进行直接盈利或[编辑后售卖]进行间接盈利)。
2、本站所有内容均由合作方或网友上传,本站不对文档的完整性、权威性及其观点立场正确性做任何保证或承诺!文档内容仅供研究参考,付费前请自行鉴别。
3、如文档内容存在违规,或者侵犯商业秘密、侵犯著作权等,请点击“违规举报”。

碎片内容

悬挑大棚施工方案

津创媒+ 关注
实名认证
内容提供者

欢迎交流文创,小店资料希望满足您的需要。

确认删除?
VIP
微信客服
  • 扫码咨询
会员Q群
  • 会员专属群点击这里加入QQ群
客服邮箱
回到顶部