电脑桌面
添加小米粒文库到电脑桌面
安装后可以在桌面快捷访问

成品木饰面安装工程

成品木饰面安装工程_第1页
1/3
成品木饰面安装工程_第2页
2/3
成品木饰面安装工程_第3页
3/3
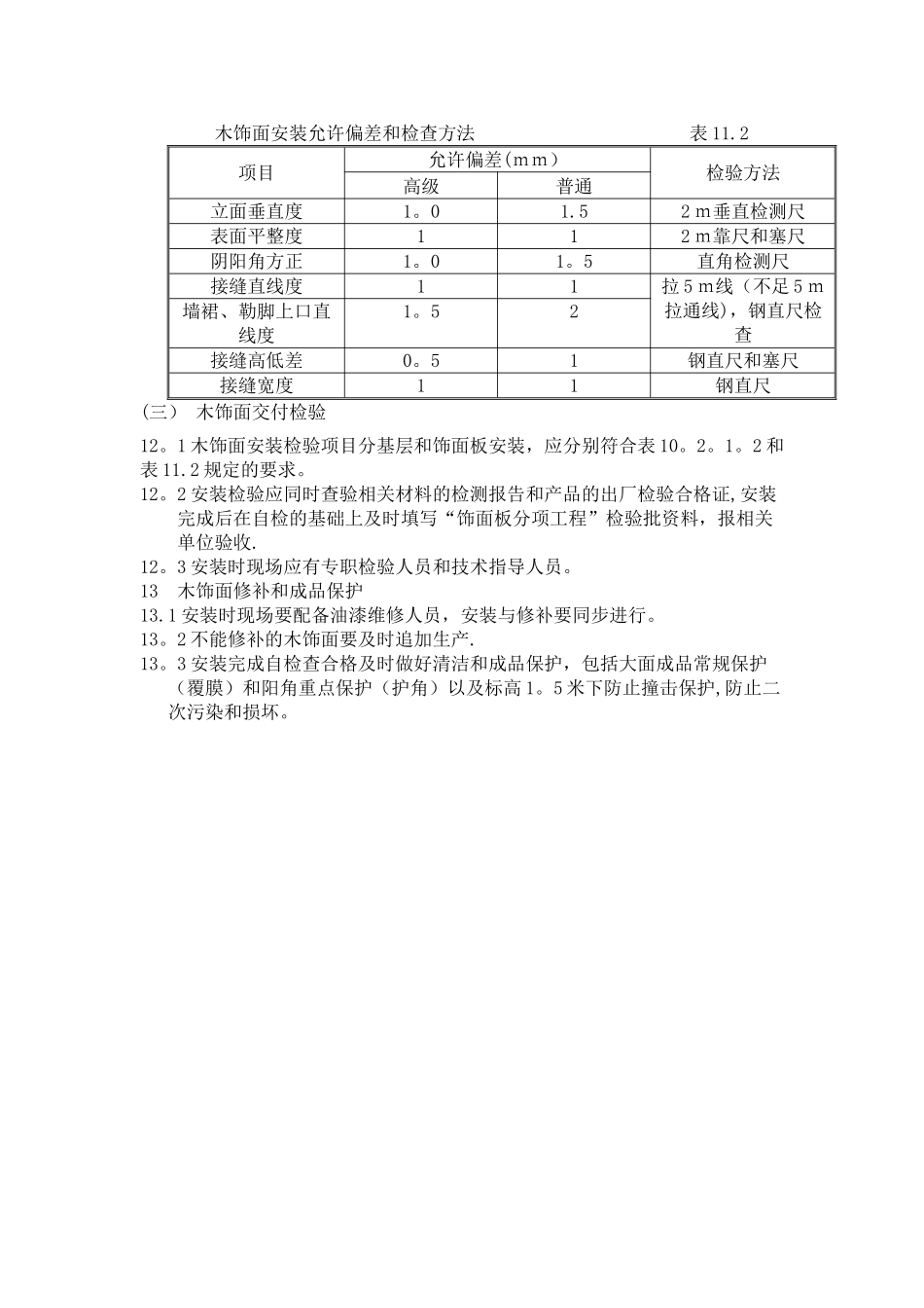
成品木饰面安装工程(一)、木饰面基层制作和质量要求10。1 木饰面的基层制作根据安装方法分为:挂式安装和粘贴安装.10.2 挂式安装基层制作挂式安装基层分为:木方骨架基层、轻钢龙骨基层、平板满铺基层。10。2.1 木方骨架基层制作:1 木方骨架基层一般采纳 40×30 木方搭成 400×400 的#字型骨架,并用20×20 小木方或钢质角码固定在墙面上(图 10.2。1。1)。2 基层要求安装牢固,其允许偏差和检验方法应符合表 10。2。1。2 的要求。基层骨架安装允许偏差和检验方法(mm)表 10.2。1.2项目允许偏差检验方法高级普通立面垂直度232 m垂直检查尺表面平整度232 m靠尺和塞尺阴阳角方正23直角检查尺接缝直线度23拉 5 m线(不足 5 m拉通线),钢直尺检查压条直线度23接缝高低差11钢直尺和塞尺3 木方的间距分隔要考虑木饰面面板的规格,要求每块木饰面四边的边线位置必须有一组平行边和基层木方重合。 4 基层木方材质应符合 GB4817.2 中一等材用材要求,并应做防火、防腐、防虫处理。10.2.2 轻钢龙骨基层制作:1 轻钢龙骨骨架主要用于隔墙骨架或墙体加厚骨架的制作时使用.2 基层龙骨要求安装牢固,其允许偏差和检验方法应符合表 10。2.1。2的要求。10.2。3 平板满铺基层制作:1 满铺基层主要适用于粘贴式安装的木饰面,一般是木方骨架和轻钢龙骨骨架外再满铺人造板材(主要是多层板或细木工板).2 平板满铺骨架制作要求参见 10。2。1 木方骨架基层制作和 10。2.2 轻钢龙骨基层制作。3 基层满铺板要求安装牢固,其允许偏差和检验方法应符合表10。2.1。2 的要求。10。3 挂式安装基层制作的隐蔽工程报验基层部分属隐蔽工程,材料必须做好防火、防腐、防虫处理,安装面板前准备好隐蔽资料向相关单位报验,验收合格后安装木饰面.10。4 挂式安装的挂件1 木挂件的厚度一般为 9~12mm,长度视板面幅度而定。材料应为实木或优质多层板,根据正反方向吻合加工成 45 度或 L 型挂口(图 10。4.1).2 挂件的连接方式为:木质挂件与木质挂件相组合;钢制角码与木质挂件相结合;全用钢制角码挂合;其他新型安装材料。 图 10.4.1 木饰面挂件示意图Error: Reference source not found10。5 挂式安装要求1 根据木饰面版面幅度,首先在基层上对挂件位置进行放线,放线要求每块木饰面的一组对应边必须与基层框架的其中一条木方重合,每块木饰面的一组对应边必须为安放挂件位置,即基层木方、挂件、木饰面边三者要重合见...

1、当您付费下载文档后,您只拥有了使用权限,并不意味着购买了版权,文档只能用于自身使用,不得用于其他商业用途(如 [转卖]进行直接盈利或[编辑后售卖]进行间接盈利)。
2、本站所有内容均由合作方或网友上传,本站不对文档的完整性、权威性及其观点立场正确性做任何保证或承诺!文档内容仅供研究参考,付费前请自行鉴别。
3、如文档内容存在违规,或者侵犯商业秘密、侵犯著作权等,请点击“违规举报”。

碎片内容

成品木饰面安装工程

确认删除?
VIP
微信客服
  • 扫码咨询
会员Q群
  • 会员专属群点击这里加入QQ群
客服邮箱
回到顶部