电脑桌面
添加小米粒文库到电脑桌面
安装后可以在桌面快捷访问

房建基础土石方工程方案

房建基础土石方工程方案_第1页
1/3
房建基础土石方工程方案_第2页
2/3
房建基础土石方工程方案_第3页
3/3
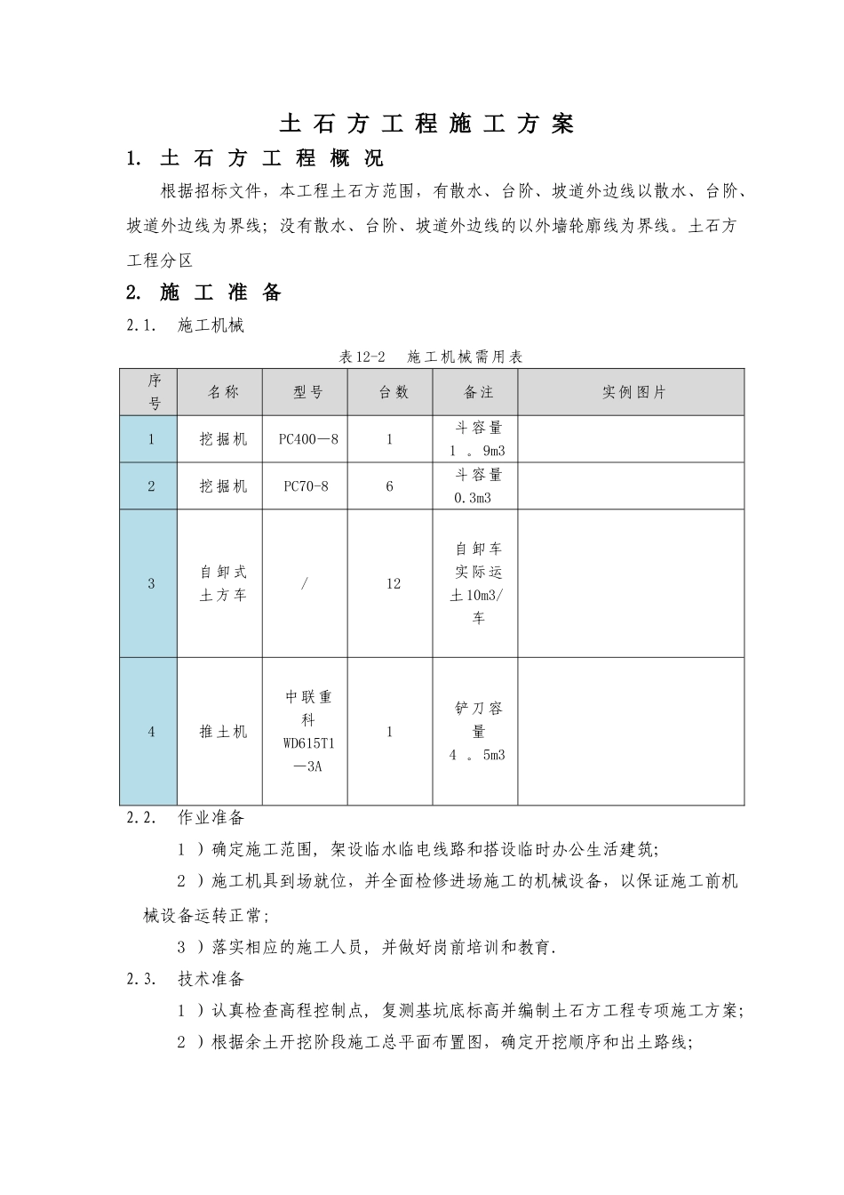
土 石 方 工 程 施 工 方 案1. 土 石 方 工 程 概 况根据招标文件,本工程土石方范围,有散水、台阶、坡道外边线以散水、台阶、坡道外边线为界线;没有散水、台阶、坡道外边线的以外墙轮廓线为界线。土石方工程分区2. 施 工 准 备2.1. 施工机械表12-2 施工机械需用表序号名称型号台数备注实例图片1挖掘机PC400—81斗容量1 。9m32挖掘机PC70-86斗容量0.3m33自卸式土方车/12自卸车实际运土10m3/车4推土机中联重科WD615T1—3A1铲刀容量4 。5m32.2. 作业准备1 )确定施工范围, 架设临水临电线路和搭设临时办公生活建筑;2 )施工机具到场就位,并全面检修进场施工的机械设备,以保证施工前机械设备运转正常;3 )落实相应的施工人员, 并做好岗前培训和教育.2.3. 技术准备1 )认真检查高程控制点, 复测基坑底标高并编制土石方工程专项施工方案;2 )根据余土开挖阶段施工总平面布置图,确定开挖顺序和出土路线;3 )组织工程技术人员熟悉施工图纸,做好技术、安全交底,安排好有关的试验工作.3. 交 通 运 输 协 调本工程位于广东xx市xx县境内207 国道与渝湛高速公路立交口的东南侧, 土方施工交通很方便,但必须按环卫法规和政府其它相关规定要求进行土石方运输,场内和场外应设交通疏导员各一名, 指挥疏导交通. 土方外运根据实时交通状况,灵活应变.场地周边道路情况4. 施 工 工 艺4.1. 施工工艺流程施工工艺流程图:土石方工程施工工艺流程图4.1.1. 施工方法序号施工主要步骤操作要点1放线定位 开挖前,测量员复核设置的临时测量控制点,测量基坑底标高,初步决定开挖深度.2机械开挖 开挖应合理确定开挖顺序、路线及开挖深度。本工程采纳挖掘机配合堆土机进行开挖,土方开挖从上到下一次开挖到设计标高以上 300—500mm.在开挖过程中,应随时检查基坑支护的状态。开挖基坑不得挖至设计标高以下。3人工清土 在挖掘机挖不到的土方,应人工配合随时进行开挖,并用手推车把土运到机械挖到的位置,以便及时用机械运走. 修帮和清底时在距底设计标高 500mm 槽帮处,抄出水平线,钉上小木撅,预留 300mm 土层,然后用人工将预留土层挖走,不得扰动地基土。4土方外运 采纳自卸汽车运输,运输过程中所涉及的道路污染,根据路政部门的要求及时保洁。5土方回填 1)基槽回填前应将基坑底的垃圾等杂物清理洁净. 2)检验回填土中有无杂物,以及回填土的含水量是否在控制的范围内;如含水量偏高可采纳翻松,晾晒或均...

1、当您付费下载文档后,您只拥有了使用权限,并不意味着购买了版权,文档只能用于自身使用,不得用于其他商业用途(如 [转卖]进行直接盈利或[编辑后售卖]进行间接盈利)。
2、本站所有内容均由合作方或网友上传,本站不对文档的完整性、权威性及其观点立场正确性做任何保证或承诺!文档内容仅供研究参考,付费前请自行鉴别。
3、如文档内容存在违规,或者侵犯商业秘密、侵犯著作权等,请点击“违规举报”。

碎片内容

房建基础土石方工程方案

您可能关注的文档

确认删除?
VIP
微信客服
  • 扫码咨询
会员Q群
  • 会员专属群点击这里加入QQ群
客服邮箱
回到顶部