电脑桌面
添加小米粒文库到电脑桌面
安装后可以在桌面快捷访问

控制计划管理规定

控制计划管理规定_第1页
1/7
控制计划管理规定_第2页
2/7
控制计划管理规定_第3页
3/7
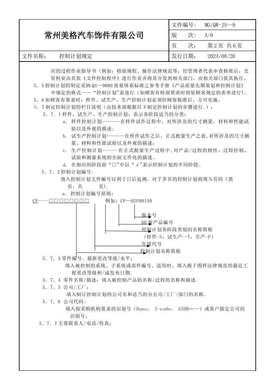
常州美格汽车饰件有限公司文件编号: MG/QW—JS—9版 次: A/0页 次: 第 1 页 共 6 页文件名称: 控制计划规定发行日期: 2024/08/201.目的:对控制零件和过程的体系,通过控制特性的过程监视和控制方法来最大限度地减少过程和产品变差;并随着测量系统和控制方法的评价和改进对其进行修订,使控制计划在整个产品寿命周期中得到保持和使用,确保按顾客的要求制造出优质的产品.2.范围:凡本厂内所有的产品之质量策划均适用之.3.定义:无4.权责: 4.1 各阶段的控制计划之制订:技术部; 4.2 各阶段的控制计划之审查:多方认证小组; 4.3 各阶段的控制计划之核准:管理者代表.5.工作程序: 5.1 技术部根据《产品质量先期策划程序》中的各种不同阶段制订出相应的控制计划,经多方认证小组审查,呈管理者代表核准后由文管中心依《文件与资料控制程序》将其分发到相关部门,由相关部门依其执行。 5.1.1 控制计划应包括原材料及零件在生产过程中所有的生产过程和检验过程,包括保证所有的过程输出将处于控制状态的进货、过程中、出厂和阶段性的要求。 5.1.2 控制计划应列出各过程控制中控制特性的过程监视和控制方法及所使用的控制措施,并随着测量系统和控制方法的评价和改进进行修订。 5.2 为了达到过程控制和改进的有效性,多方认证小组应利用所有可用的信息来审查控制计划,制订控制计划的信息可包括: 5.2.1 过程流程图; 5.2.2 系统/过程失效模式及后果分析; 5.2.3 特别特性; 5.2.4 从相似零件得到的经验; 5.2.5 多方认证小组对过程的了解; 5.2.6 优化方法(如:QFD,DOE 等)。 5.3 新产品开发过程中根据进度计划要求,由技术部主导并负责,质量部、生产部协助/配合共同制订样件、试生产和生产的控制计划;已生产的产品由技术部按客户和/或公司的要求制订生产控制计划。 5.4 为支持控制计划,技术部必须在控制计划完成后五个工作日内制订并完成相常州美格汽车饰件有限公司文件编号: MG/QW-JS—9版 次: A/0页 次: 第 2 页 共 6 页文件名称: 控制计划规定发行日期: 2024/08/20应的过程作业指导书(例如:检验规程、操作法律规范等,经管理者代表审查核准后,交资料室由其依《文件控制程序》进行作业并将其分发到相关部门,由相关部门依其执行。 5.5 控制计划的制定采纳 QS-9000 质量体系标准之参考手册《产品质量先期策划和控制计划》中规定的格式——“控制...

1、当您付费下载文档后,您只拥有了使用权限,并不意味着购买了版权,文档只能用于自身使用,不得用于其他商业用途(如 [转卖]进行直接盈利或[编辑后售卖]进行间接盈利)。
2、本站所有内容均由合作方或网友上传,本站不对文档的完整性、权威性及其观点立场正确性做任何保证或承诺!文档内容仅供研究参考,付费前请自行鉴别。
3、如文档内容存在违规,或者侵犯商业秘密、侵犯著作权等,请点击“违规举报”。

碎片内容

控制计划管理规定

确认删除?
VIP
微信客服
  • 扫码咨询
会员Q群
  • 会员专属群点击这里加入QQ群
客服邮箱
回到顶部