电脑桌面
添加小米粒文库到电脑桌面
安装后可以在桌面快捷访问

施工现场六牌一图

施工现场六牌一图_第1页
1/6
施工现场六牌一图_第2页
2/6
施工现场六牌一图_第3页
3/6
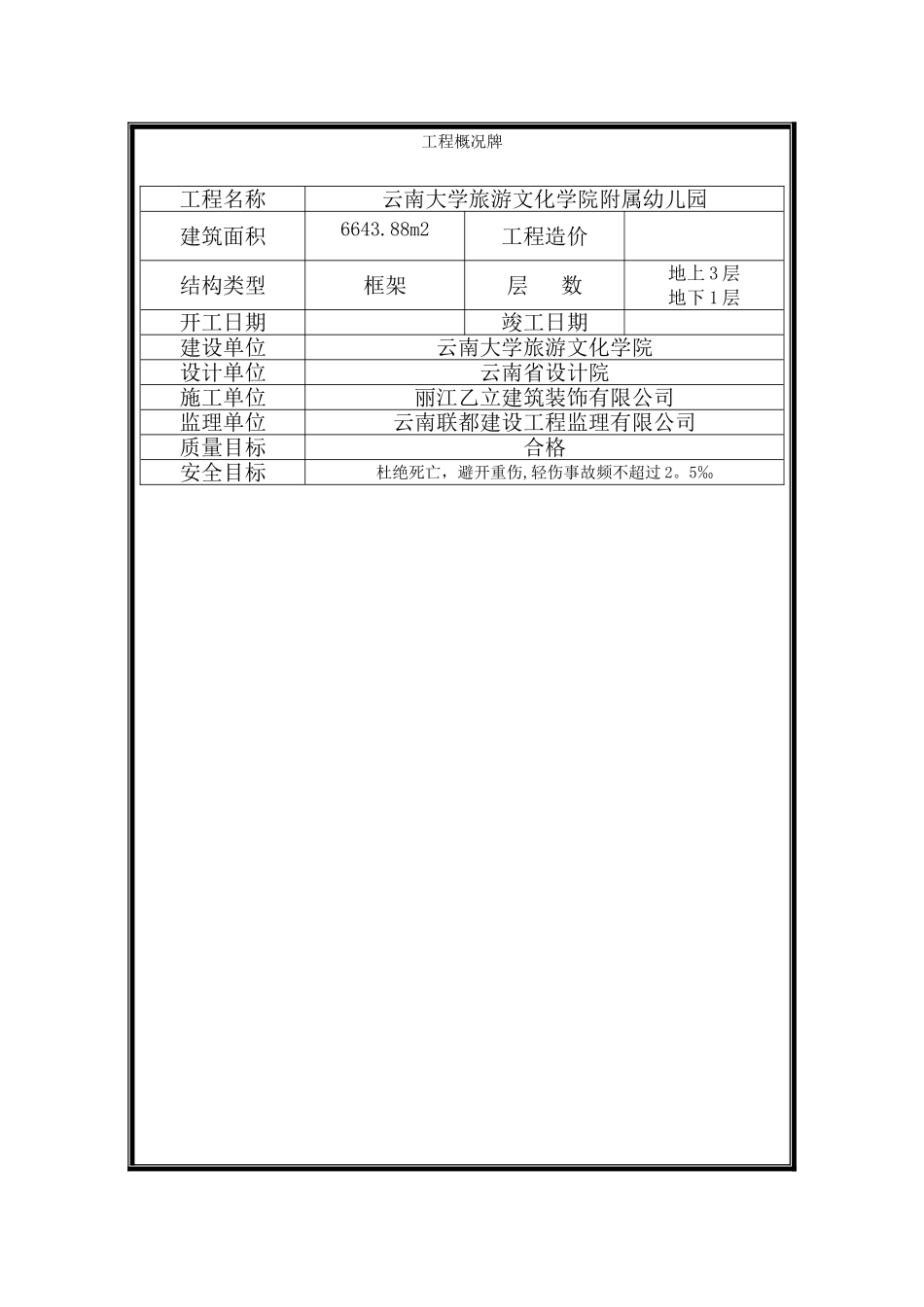
工程概况牌工程名称云南大学旅游文化学院附属幼儿园建筑面积6643.88m2工程造价结构类型框架层 数地上 3 层地下 1 层开工日期竣工日期建设单位云南大学旅游文化学院设计单位云南省设计院施工单位丽江乙立建筑装饰有限公司监理单位云南联都建设工程监理有限公司质量目标合格安全目标杜绝死亡,避开重伤,轻伤事故频不超过 2。5‰安全生产牌一、 进入施工现场必须遵守各项安全生产规章制度。二、 进入现场,必须戴好安全帽,扣好帽带,并正确使用个人劳动防护用品。三、 2m 以上的高处、悬空作业,无安全设施的,必须戴好安全带、扣好保险钩。四、 工程的楼梯出口,通道口,必须有防护设备。五、 施工现场不准赤脚、不准穿拖鞋、高跟鞋、喇叭裤.高处作业不准穿硬底鞋或带钉易滑的鞋靴。六、 操作前不准喝酒.不准在施工现场打闹。七、 非有关操作人员不准进入危险区域.不准带小孩进入施工现场。八、 不是电器和机械班组的人员,严禁使用和玩弄机电设备。九、 未经施工负责人批准,不准任意拆除防护设施及安全装置.十、 不准从高处向下抛掷任何材料工具等物件。凡违反上述纪律,按规定给予处罚。文明施工牌一、 施工场地四周应按规定设置围挡,大门口处设置企业标志,悬挂“六牌一图”,实行封闭式管理.二、 建立门卫制度,进入施工现场必须配证上岗.三、 施工场地四周道路畅通,排水,排污设施有效,无积水现象。四、 材料、构建、极具应按平面布局堆放,要有条有理,料堆应挂上名称、品种、规格等标牌.五、 施工现场的落地灰废料等建筑垃圾要做到天天清扫,垃圾堆放应整齐,标明名称品种。六、 施工施工场地周边防护要安全、严密、美观,有防止高处坠落的防护设施。七、 施工施工场地应坚持安全生产、文明施工、杜绝伤亡和火灾事故的发生.八、 施工施工场地须加强民工的“三证"管理(身份证、暂住证、女性计划生育证).九、 爱护公物,对场内一切公共设施不得任意损坏,注意成品及半成品的保护。十、 施工施工场地建立安全生产、治安保卫、消防管理制度及责任落实工作。现场出入制度牌一、凡出入施工现场的施工人员,均需办理出入证或临时出入证,并佩戴法律规范,主动出示证件。无证人员不得出入施工现场。二、出入施工现场应举止文明、着装法律规范,正确佩戴安全帽. 三、凡出入施工现场的车辆必须办理《临时通行证》,并应自觉接受检查,同时主动出示相应证件或有效证明.未经许可不得强行进入施工现场观。四、出入施工现场车辆...

1、当您付费下载文档后,您只拥有了使用权限,并不意味着购买了版权,文档只能用于自身使用,不得用于其他商业用途(如 [转卖]进行直接盈利或[编辑后售卖]进行间接盈利)。
2、本站所有内容均由合作方或网友上传,本站不对文档的完整性、权威性及其观点立场正确性做任何保证或承诺!文档内容仅供研究参考,付费前请自行鉴别。
3、如文档内容存在违规,或者侵犯商业秘密、侵犯著作权等,请点击“违规举报”。

碎片内容

施工现场六牌一图

确认删除?
VIP
微信客服
  • 扫码咨询
会员Q群
  • 会员专属群点击这里加入QQ群
客服邮箱
回到顶部