电脑桌面
添加小米粒文库到电脑桌面
安装后可以在桌面快捷访问

施工现场视频监控系统方案VIP专享

施工现场视频监控系统方案_第1页
1/3
施工现场视频监控系统方案_第2页
2/3
施工现场视频监控系统方案_第3页
3/3
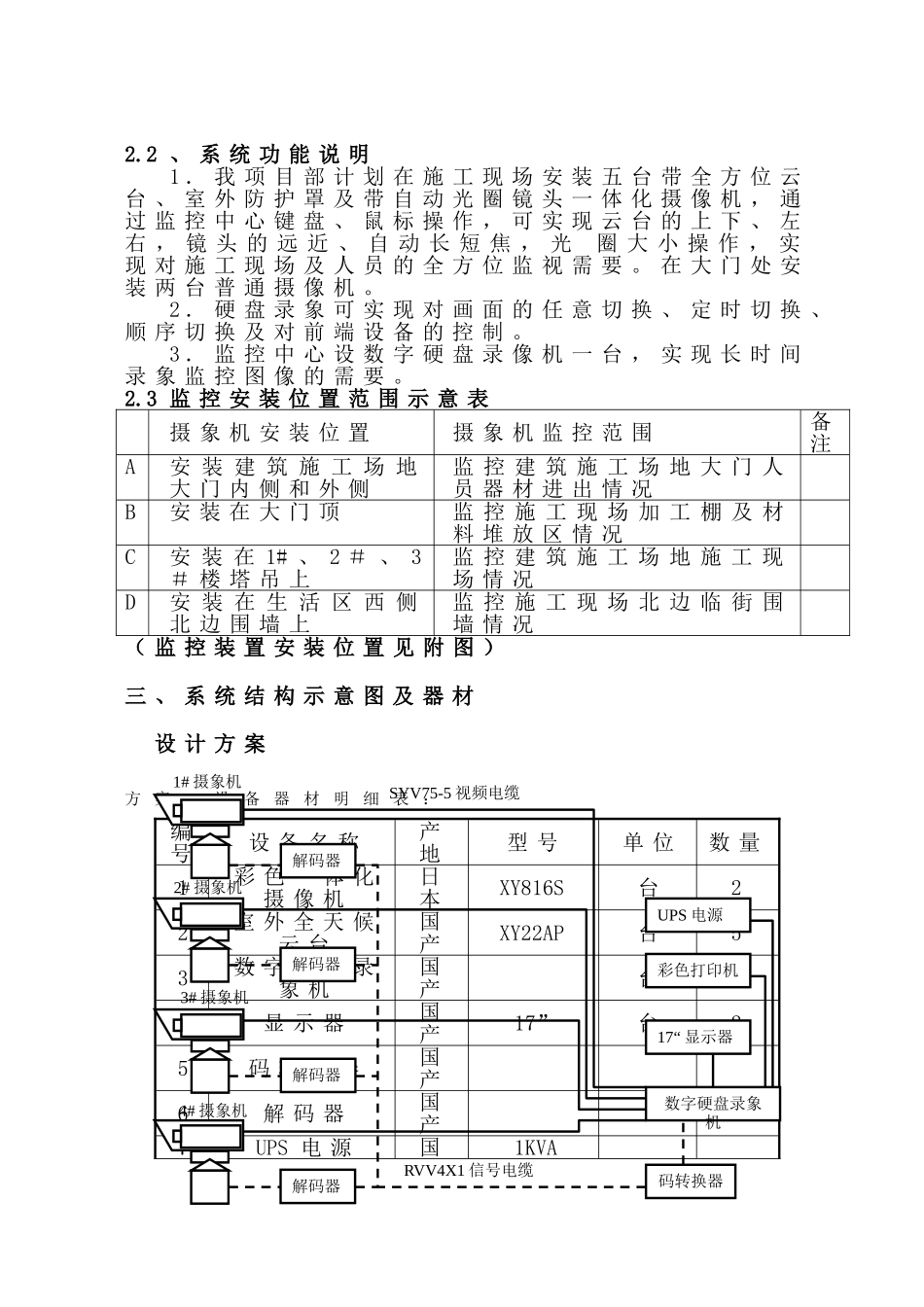
目 录一 、 序 言 2二 、 系 统 功 能 及 组 成 1 2 。 1 系 统 组 成 1 2.2 、 系 统 功 能 说 明 2 2 。 3 监 控 安 装 位 置 范 围 示 意 表 2 三 、 系 统 结 构 示 意 图 及 器 材 2 四 、 质 量 保 证 和 售 后 服 务 3 现 场 监 控 装 置 布 置 示 意 图 3 一 、序 言1.1 随 着 社 会 经 济 的 不 断 进 步 、 进 展 , 人 们 对 安 全生 产 的 要 求 以 越 来 越 高 。 如 何 才 能 安 全 、 高 效 的 生 产 、生 活 , 以 越 来 越 受 到 各 行 各 业 的 关 注 , 视 频 监 控 系 统作 为 有 效 的 防 护 措 施 和 科 学 的 、 先 进 的 管 理 系 统 已 经越 来 越 受 到 人 们 的 欢 迎 。在 建 筑 行 业 中 , 施 工 人 员 的 人 身 安 全 , 施 工 场 地的 建 筑 材 料 、 设 备 等 财 产 的 保 全 尤 为 重 要 。 但 是 , 由于 施 工 环 境 的 限 制 , 设 备 、 材 料 的 安 全 管 理 不 完 善 及部 分 员 工 的 自 我 防 护 意 识 的 薄 弱 , 为 犯 罪 分 子 提 供 了可 乘 之 机 。 为 了 建 筑 施 工 场 地 安 全 管 理 进 一 步 完 善 ,我 项 目 部 计 划 在 施 工 现 场 建 立 视 频 监 控 系 统 。1 。 2 工 程 概 况本 工 程 为 戎 德 园 工 程 , 总 建 筑 面 积 为 38351 。 91 平 方米 , 住 宅 基 底 总 建 筑 面 积 为 1386.07 平 方 米 。 1 号 楼 地上 建 筑 面 积 为 15794.55m2, 基 底 面 积 为 647 。 08m2,A1 单 元为 地 下 1 层 , 地 上 27 层 , 高 度 为 79 。 2m , A2 单 元 为 地 下 1层 , 地 上 25 层 , 高 度 为 73.4m 。 2 号 楼 地 上 建 筑 面 积 为8234。 03 m2 , 基 底 面 积 为 377 。 86 m2 , 地 下 1 层 , 地 上 23层 , 高 度 为 67 。 6m 。 3 号 楼 地 上 建 筑 面 积 为 8508 。 09 m2 , 基 底 面 积 为 361 。 13 m2 , 地 下 1 层 , 地 上 25 层 , 高度 为 73.4m.二...

1、当您付费下载文档后,您只拥有了使用权限,并不意味着购买了版权,文档只能用于自身使用,不得用于其他商业用途(如 [转卖]进行直接盈利或[编辑后售卖]进行间接盈利)。
2、本站所有内容均由合作方或网友上传,本站不对文档的完整性、权威性及其观点立场正确性做任何保证或承诺!文档内容仅供研究参考,付费前请自行鉴别。
3、如文档内容存在违规,或者侵犯商业秘密、侵犯著作权等,请点击“违规举报”。

碎片内容

施工现场视频监控系统方案

确认删除?
VIP
微信客服
  • 扫码咨询
会员Q群
  • 会员专属群点击这里加入QQ群
客服邮箱
回到顶部