电脑桌面
添加小米粒文库到电脑桌面
安装后可以在桌面快捷访问

施工现场质量管理表格

施工现场质量管理表格_第1页
1/8
施工现场质量管理表格_第2页
2/8
施工现场质量管理表格_第3页
3/8
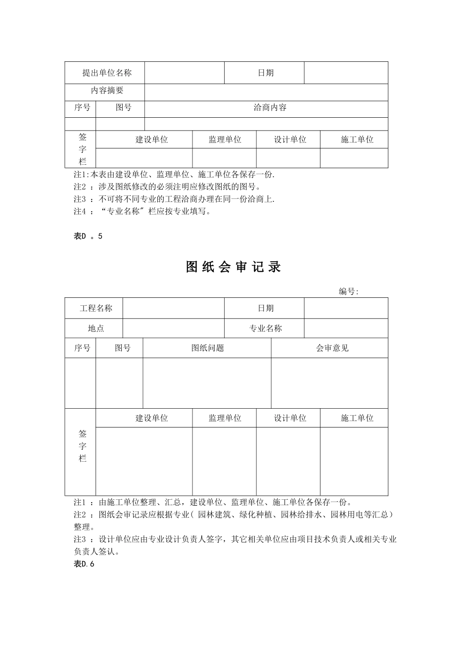
表D.2施 工 日 志编号:时间天气状况风力最高/ 最低温度备注白天夜间生产情况记录:(施工部位、施工内容、机械作业、班组工作, 生产存在问题等)技术质量安全工作记录:(技术质量安全活动、检查评定验收、技术质量安全问题等)记录人日期年月日注:本表由施工单位填写并保存。表D.3技 术 交 底 记 录编号:工程名称交底日期施工单位分项工程名称交底提要交底内容审核人交底人接受人注1 :本表由施工单位填写,交底单位与接受交底单位各保存一份。注2 :当做分项工程施工技术交底时,应填写“分项工程名称”栏,其它技术交底可不填写。表D 。4工 程 洽 商 记 录编号:工程名称分项名称提出单位名称日期内容摘要序号图号洽商内容签字栏建设单位监理单位设计单位施工单位注1:本表由建设单位、监理单位、施工单位各保存一份.注2 :涉及图纸修改的必须注明应修改图纸的图号。注3 :不可将不同专业的工程洽商办理在同一份洽商上.注4 :“专业名称" 栏应按专业填写。表D 。5 图 纸 会 审 记 录编号:工程名称日期地点专业名称序号图号图纸问题会审意见签字栏建设单位监理单位设计单位施工单位注1 :由施工单位整理、汇总,建设单位、监理单位、施工单位各保存一份。注2 :图纸会审记录应根据专业( 园林建筑、绿化种植、园林给排水、园林用电等汇总)整理。注3 :设计单位应由专业设计负责人签字,其它相关单位应由项目技术负责人或相关专业负责人签认。表D.6设 计 变 更 通 知 单编号:工程名称专业名称设计单位名称日期序号图号变更内容签字栏建设单位监理单位设计单位施工单位注1:本表由建设单位、监理单位、施工单位各保存一份。注2:涉及图纸修改的,必须注明应修改图纸的图号。注3 :不可将不同专业的设计变更办理在同一份变更上.注4 :“专业名称”栏应按专业填写。表D 。7工 程 定 位 测 量 记 录 编号:工程名称委托单位图纸编号施测日期平面坐标依据复测日期高程依据使用仪器允许误差仪器校验日期定位示意图:复测结果:签字栏建设(监理) 单位施工( 测量)单位测量人员岗位证书专业技术负责人测量负责人复测人施测人注:本表由建设单位、施工单位各保存一份.表D 。8基 槽 验 线 记 录编号:工程名称日期验线依据及内容:基槽平面、剖面简图:检查意见:签字栏建设(监理)单位施工( 测量)单位专业技术负责人测量负责人复测人施测人注:本表由建设单位、施工单位各保存一份。表D 。9材 ...

1、当您付费下载文档后,您只拥有了使用权限,并不意味着购买了版权,文档只能用于自身使用,不得用于其他商业用途(如 [转卖]进行直接盈利或[编辑后售卖]进行间接盈利)。
2、本站所有内容均由合作方或网友上传,本站不对文档的完整性、权威性及其观点立场正确性做任何保证或承诺!文档内容仅供研究参考,付费前请自行鉴别。
3、如文档内容存在违规,或者侵犯商业秘密、侵犯著作权等,请点击“违规举报”。

碎片内容

施工现场质量管理表格

您可能关注的文档

确认删除?
VIP
微信客服
  • 扫码咨询
会员Q群
  • 会员专属群点击这里加入QQ群
客服邮箱
回到顶部