电脑桌面
添加小米粒文库到电脑桌面
安装后可以在桌面快捷访问

旋挖桩专项施工方案55104

旋挖桩专项施工方案55104_第1页
1/13
旋挖桩专项施工方案55104_第2页
2/13
旋挖桩专项施工方案55104_第3页
3/13
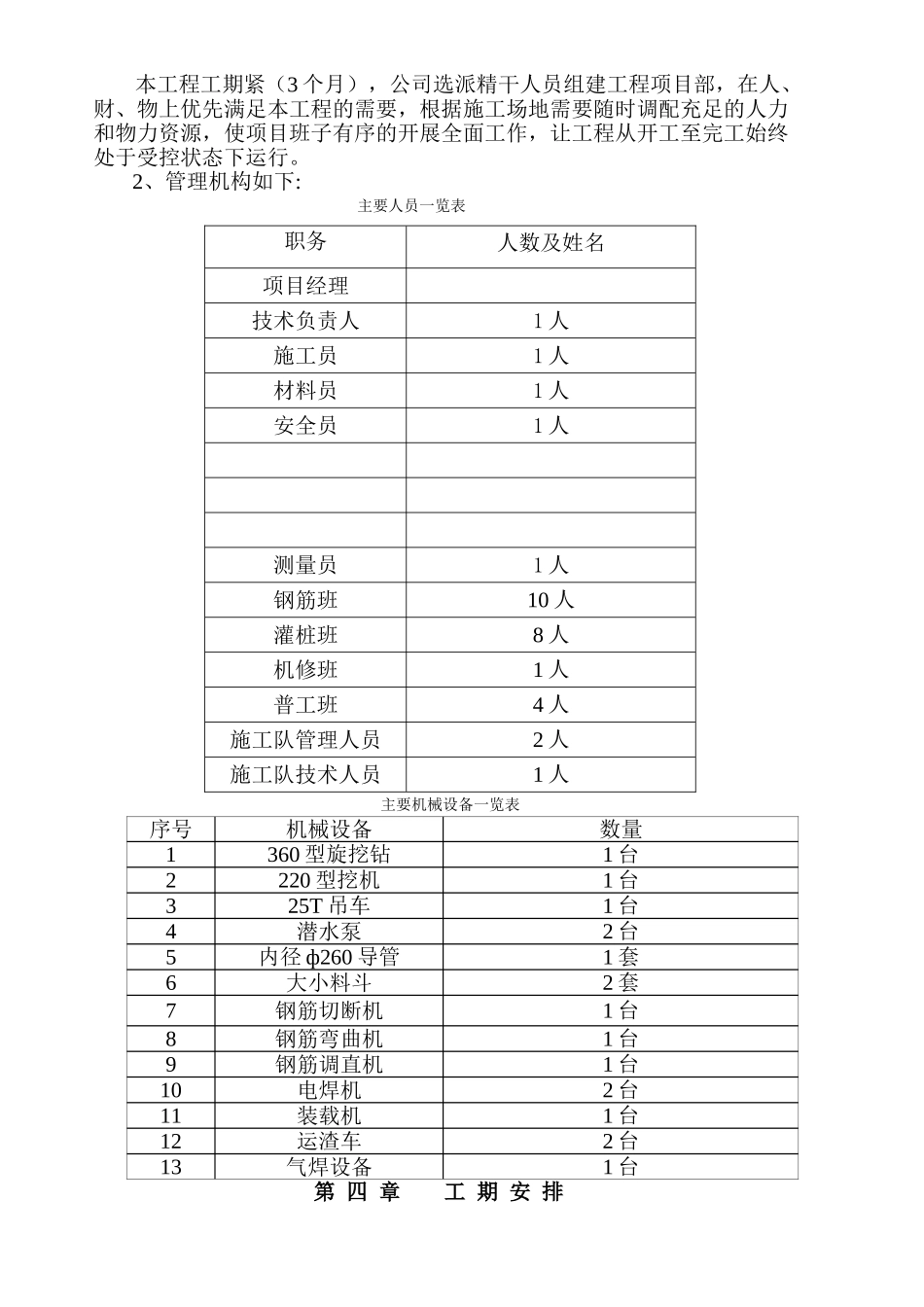
环城产业大道复兴至双龙段道路工程烧炭沟大桥桩基旋挖方案编制人:复核人:审核人:桥 梁 工 区2024 年 12 月 25 日目 录一、编制依据二、工程概况三、 施工部署四.工期安排五、施工方案及主要技术措施六、旋挖桩施工应急预案七、施工工期保证措施八、安全生产保证措施第 一 章 编 制 依 据1.环城大道复兴至双龙段道路工程(桥涵工程)施工图纸2.施工现场踏勘获得的资料;3.我公司现有的综合施工能力及历年来承担相类似工程的施工经验。第 二 章 工 程 概 况1。1 工程项目位置及其基本特征本桥梁为跨越双龙河而设,本桥跨径采纳 30 米,上部结构为 2X30 预应力砼简支 T 梁,桥面连续,两桥台处设置 80 型伸缩缝,下部结构采纳柱式桥墩,桩基础,桥台大里程侧采纳 U 型台,桩基础,桩基均按崁岩桩设计,左幅小里程桥台,桥台锥坡应相应进行护坡处理.本工程桥梁桩基共有 38 根 φ1。3m,6 根D1。6m,旋挖钻孔桩,桩长 13~18 米,要求桩底置于完整中风化岩层上,嵌入该岩层内深度 5 米,桩底岩石天然单轴抗压强度≥4800KN——9000KN1。2 工程数量一览表工程数量一览表项目名称根数总长(m)钢筋总重(T)混凝土(m3)Φ1.3—1。6m 旋挖钻孔桩446241102024第 三 章 施 工 部 署一、总体布置根据地质、工期要求、场地施工条件,计划安排 1 台旋挖机,并配备电焊机、气焊设备及附属运输,排水、夜间照明等设备。项目班子由公司选择具有丰富经验、有责任心的人员组成,钻机及相关配套设备到位,确保本工程顺利实施。二、项目班子组织和管理1、项目班子组织本工程工期紧(3 个月),公司选派精干人员组建工程项目部,在人、财、物上优先满足本工程的需要,根据施工场地需要随时调配充足的人力和物力资源,使项目班子有序的开展全面工作,让工程从开工至完工始终处于受控状态下运行。2、管理机构如下:主要人员一览表职务人数及姓名项目经理技术负责人1 人施工员1 人材料员1 人安全员1 人测量员1 人钢筋班10 人灌桩班8 人机修班1 人普工班4 人施工队管理人员2 人施工队技术人员1 人主要机械设备一览表序号机械设备数量1360 型旋挖钻1 台2220 型挖机1 台325T 吊车1 台4潜水泵2 台5内径 ф260 导管1 套6大小料斗2 套7钢筋切断机1 台8钢筋弯曲机1 台9钢筋调直机1 台10电焊机2 台11装载机1 台12运渣车2 台13气焊设备1 台第 四 章 工 期 安 排本工程设计有 44 根旋挖桩,桩间间距 ...

1、当您付费下载文档后,您只拥有了使用权限,并不意味着购买了版权,文档只能用于自身使用,不得用于其他商业用途(如 [转卖]进行直接盈利或[编辑后售卖]进行间接盈利)。
2、本站所有内容均由合作方或网友上传,本站不对文档的完整性、权威性及其观点立场正确性做任何保证或承诺!文档内容仅供研究参考,付费前请自行鉴别。
3、如文档内容存在违规,或者侵犯商业秘密、侵犯著作权等,请点击“违规举报”。

碎片内容

旋挖桩专项施工方案55104

您可能关注的文档

确认删除?
VIP
微信客服
  • 扫码咨询
会员Q群
  • 会员专属群点击这里加入QQ群
客服邮箱
回到顶部