电脑桌面
添加小米粒文库到电脑桌面
安装后可以在桌面快捷访问

更衣室管理制度

更衣室管理制度_第1页
1/3
更衣室管理制度_第2页
2/3
更衣室管理制度_第3页
3/3
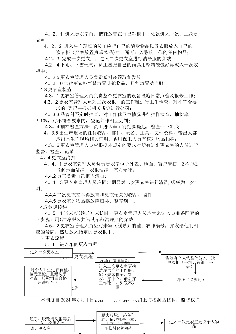
更衣室管理制度1 目的法律规范更衣室管理洁净、有序,指导员工井然有序的通过更衣室进入洁净房2 范围进出上海福润肉类加工有限公司生产现场的人员3 职责 3。1 更衣室管理人员职责 3。1。1 负责更衣室设备设施点检、保养、报修; 3。1.2 负责更衣室 6S; 3。1。3 负责生产辅助物品领用、发放、记录;3.1。4 负责洁净服的运送、放置、整理;3。1。5 负责更衣室管理规定的执行与监督; 3。2 保卫人员负责人员和物品进出管制。4 内容4。1 更衣室相关设施配置及管理4。1。1 更衣室配置相应数量的柜子,柜子上标有编号;4.1.2 所有进入生产现场工作的员工,每人配置一个鞋柜,二个更衣柜;4.1.3 更衣室衣柜、鞋柜共有 2 把钥匙,一把由衣、鞋(柜)所有人保管,另一把由生产部管理科保管;4。1。4 鞋柜、更衣柜的钥匙,上面标有与之相应的编号;4.1.5 钥匙忘带或遗失,禁止强行打开柜子,应及时告知更衣室管理人员并向他借取备用钥匙;4。1.6 钥匙(鞋柜、二次衣柜)遗失由员工自己负责配置(生产管理科提供母钥匙);4。1。7 钥匙(一次衣柜)遗失由更衣室管理人员负责更换,相关费用由员工自己承担:4。1。8 员工离职时,应将钥匙交还生产部管理科并经确认,方可办理离职相关手续;4。1。9 劳保用品和洁净用品应放置在指定的衣柜中并由更衣室管理人员统一发放;4。1。10 任何进入生产现场的人员应遵守洁净服穿戴法律规范4。1。11 所有人员应当保持更衣室洁净、洁净,禁止以任何理由在更衣室随地丢弃任何物品;4.1.12 各种废弃物应分类丢弃在更衣室指定垃圾箱或工具箱中;4。1.13 更衣室相关设备、设施严禁员工自行开关、调节、移动、调换;4。1.14 员工不得在更衣室内休息、嬉戏打闹、大声喧哗等违反劳动纪律的现象;4。1.15 更衣室管理人员应当监督更衣室的劳保配备用品的(员工)领用量,对于超出范围的领取应立即制止;4.1。16 更衣室管理人员每班记录更衣室的相关内容(劳保用品量、员工违纪、待处理事项等)用于交接班。4.2 更衣柜的使用4。2。1 进入更衣室前,把鞋放置在自己鞋柜中,依次进入一次、二次更衣室;4。2。2 进入生产现场的员工应把自己的随身物品以及衣服放入自己的一次衣柜(严禁放置贵重物品)中,避开带入影响工作的任何物品;4.2。3 完成一次更衣后,进入二次更衣室进行洁净服的穿戴;4.2。4 下雨、下雪天气,员工应把自己的雨具用塑料袋包好再放入一次衣柜中;4。2.5 更衣室管理人员负责塑料袋领...

1、当您付费下载文档后,您只拥有了使用权限,并不意味着购买了版权,文档只能用于自身使用,不得用于其他商业用途(如 [转卖]进行直接盈利或[编辑后售卖]进行间接盈利)。
2、本站所有内容均由合作方或网友上传,本站不对文档的完整性、权威性及其观点立场正确性做任何保证或承诺!文档内容仅供研究参考,付费前请自行鉴别。
3、如文档内容存在违规,或者侵犯商业秘密、侵犯著作权等,请点击“违规举报”。

碎片内容

更衣室管理制度

您可能关注的文档

确认删除?
VIP
微信客服
  • 扫码咨询
会员Q群
  • 会员专属群点击这里加入QQ群
客服邮箱
回到顶部