电脑桌面
添加小米粒文库到电脑桌面
安装后可以在桌面快捷访问

2025年人防资料全套范例范本

2025年人防资料全套范例范本_第1页
1/55
2025年人防资料全套范例范本_第2页
2/55
2025年人防资料全套范例范本_第3页
3/55
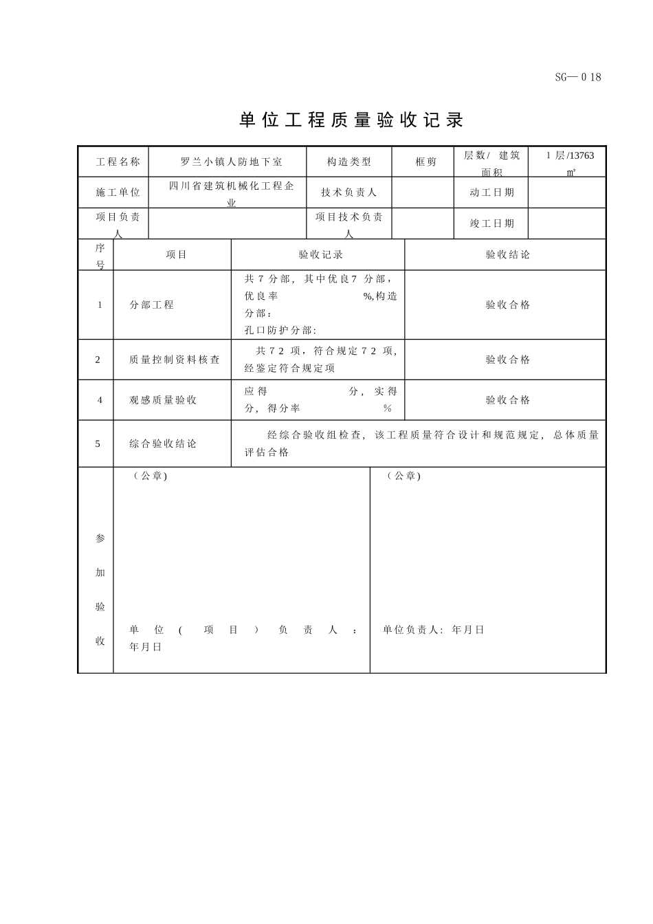
SG—018单 位 工 程 质 量 验 收 记 录工 程 名 称罗 兰 小 镇 人 防 地 下 室构 造 类 型框 剪层 数 /建 筑面 积1 层 /13763㎡施 工 单 位四 川 省 建 筑 机 械 化 工 程 企业技 术 负 责 人动 工 日 期项 目 负 责人项 目 技 术 负 责人竣 工 日 期序号项 目验 收 记 录验 收 结 论1分 部 工 程共 7 分 部 ,其 中 优 良 7 分 部 ,优 良 率 %,构 造分 部 : 孔 口 防 护 分 部 :验 收 合 格2质 量 控 制 资 料 核 查共 7 2 项 , 符 合 规 定 7 2 项 ,经 鉴 定 符 合 规 定 项验 收 合 格4观 感 质 量 验 收应 得 分 ,实 得 分 ,得 分 率 %验 收 合 格5综 合 验 收 结 论经 综 合 验 收 组 检 查 ,该 工 程 质 量 符 合 设 计 和 规 范 规 定 ,总 体 质 量评 估 合 格参加验收( 公 章 )单位(项目)负责人: 年 月 日 ( 公 章 )单 位 负 责 人 :年 月 日单位( 公 章 )监 理 工 程 师 :年 月 日(公 章 )单 位 (项 目 ) 负 责 人 :年 月 日四 川 省 建 设 厅 制SG—19单 位 工 程 质 量 控 制 资 料 核 查 记 录工程名称光明大厦施工单位大华建筑企业序号项目资料名称份数核查意见核查人1建筑构造 与防 护图纸会审、设计变更、洽商记录完整2工程定位测量、放线记录//3原材料出厂合格证及进场检查汇报完整4施工试验汇报及见证检测汇报完整5隐蔽工程验收记录完整6施工记录完整7预制构件、预拌混凝土合格证完整8主体构造检查及抽样检测汇报完整9防护门、防护密闭门、密闭门、防爆波活门出厂合格证书完整10防爆超压排气活门、自动排气活门出厂合格证书完整11分项、分部工程质量验收记录完整12工程质量事故及事故调查处理资料//13新材料、新工艺施工记录//1给水排 水图纸会审、设计变更、洽商记录完整2材料配件出厂合格证及进场检查汇报完整3管道、设备强度试验、严密性试验记录完整4隐蔽工程验收表施工记录完整5系统清洗、灌水、通水、通球试验记录完整6施工记录完整7分项、分部工程质量验收记录完整1通风 采 暖与空调图纸会审、设计变更、洽商记录完整2材料、设备出厂合格证及进场检查汇报完整3空调、水管道强度试验、严密性试验记录//4隐蔽工程验收记录完整5通风、空...

1、当您付费下载文档后,您只拥有了使用权限,并不意味着购买了版权,文档只能用于自身使用,不得用于其他商业用途(如 [转卖]进行直接盈利或[编辑后售卖]进行间接盈利)。
2、本站所有内容均由合作方或网友上传,本站不对文档的完整性、权威性及其观点立场正确性做任何保证或承诺!文档内容仅供研究参考,付费前请自行鉴别。
3、如文档内容存在违规,或者侵犯商业秘密、侵犯著作权等,请点击“违规举报”。

碎片内容

2025年人防资料全套范例范本

您可能关注的文档

卷上珠帘+ 关注
实名认证
内容提供者

该用户很懒,什么也没介绍

确认删除?
VIP
微信客服
  • 扫码咨询
会员Q群
  • 会员专属群点击这里加入QQ群
客服邮箱
回到顶部