电脑桌面
添加小米粒文库到电脑桌面
安装后可以在桌面快捷访问

机房精密空调维保方案

机房精密空调维保方案_第1页
1/4
机房精密空调维保方案_第2页
2/4
机房精密空调维保方案_第3页
3/4
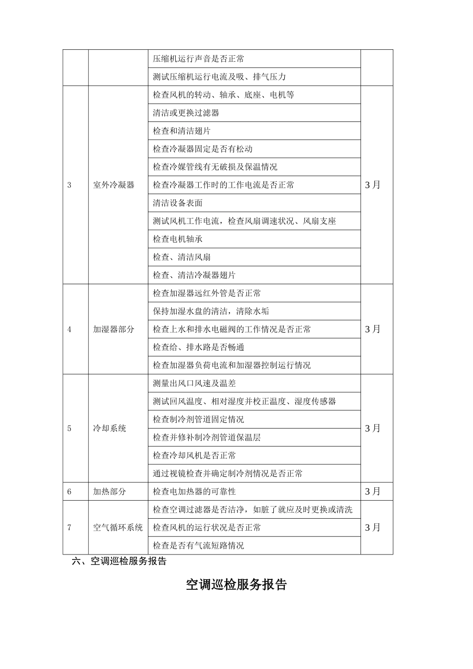
机房精密空调维保项目方案书一、设备所在地:北京市亦庄经济开发区二、主要维保设备:室内机:P3080FARMS1R 1台室外机:LSF52 2台短信告警器 1套三、维保时限:自签订合同起一年四、维保内容:精密空调维保服务,包括:1、提供 4 次全面检修维护,并提供空调巡检服务报告。春秋两季定期保养,不定期巡检及 7*24 小时应急维修服务.2、提供 4 次清洗室外冷凝器散热翅片,4 次清洗室内加湿水盘及给排水通路.3、每季度更换空调过滤网.4、节假日前夕,根据情况进行空调巡检.5、定期检查空氟利昂压力,及时加氟。6、空调发生故障,维保商负责免费维修,如需更换配件由用户提供(易损件除外,易损件包括:过滤网、氟利昂、风机皮带). 五、维保内容及周期表维保内容及周期表序号维护项目维护内容周期1控制系统检查报警器声、光告警,接触器、熔断器是否正常3 月检查所有电器触点和电气元件检查空调系统的各项功能及参数是否正常检查温度、湿度传感器的工作状态是否正常测量电机负载电流、压缩机电流、风机电流是否正常检查水浸情况、水浸告警系统是否正常2压缩机部分检测压缩机表面温度有无过冷、过热现象3 月测试高低压保护装置压缩机运行声音是否正常测试压缩机运行电流及吸、排气压力3室外冷凝器检查风机的转动、轴承、底座、电机等3 月清洁或更换过滤器检查和清洁翅片检查冷凝器固定是否有松动检查冷媒管线有无破损及保温情况检查冷凝器工作时的工作电流是否正常清洁设备表面测试风机工作电流,检查风扇调速状况、风扇支座检查电机轴承检查、清洁风扇检查、清洁冷凝器翅片4加湿器部分检查加湿器远红外管是否正常3 月保持加湿水盘的清洁,清除水垢检查上水和排水电磁阀的工作情况是否正常检查给、排水路是否畅通检查加湿器负荷电流和加湿器控制运行情况5冷却系统测量出风口风速及温差3 月测试回风温度、相对湿度并校正温度、湿度传感器检查制冷剂管道固定情况检查并修补制冷剂管道保温层检查冷却风机是否正常通过视镜检查并确定制冷剂情况是否正常6加热部分检查电加热器的可靠性3 月7空气循环系统检查空调过滤器是否洁净,如脏了就应及时更换或清洗3 月检查风机的运行状况是否正常检查是否有气流短路情况六、空调巡检服务报告空调巡检服务报告报 价 明 细 表单位:人民币元用户信息客户名称:联系人:地 址:电 话:室内机型号:机身编号:冷凝器型号:机身编号:机房信息电源电压:UV: V VW: V UW: V接触器、空开状态□正常...

1、当您付费下载文档后,您只拥有了使用权限,并不意味着购买了版权,文档只能用于自身使用,不得用于其他商业用途(如 [转卖]进行直接盈利或[编辑后售卖]进行间接盈利)。
2、本站所有内容均由合作方或网友上传,本站不对文档的完整性、权威性及其观点立场正确性做任何保证或承诺!文档内容仅供研究参考,付费前请自行鉴别。
3、如文档内容存在违规,或者侵犯商业秘密、侵犯著作权等,请点击“违规举报”。

碎片内容

机房精密空调维保方案

您可能关注的文档

确认删除?
VIP
微信客服
  • 扫码咨询
会员Q群
  • 会员专属群点击这里加入QQ群
客服邮箱
回到顶部