电脑桌面
添加小米粒文库到电脑桌面
安装后可以在桌面快捷访问

机械工程系逆向加工实训室建设方案

机械工程系逆向加工实训室建设方案_第1页
1/9
机械工程系逆向加工实训室建设方案_第2页
2/9
机械工程系逆向加工实训室建设方案_第3页
3/9
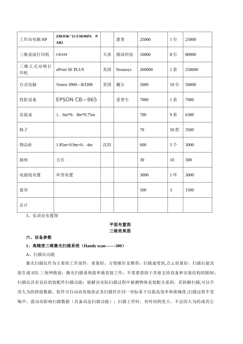
机 械 工 程 系逆向加工实训室建 设 方 案2024。10.16机械工程系逆向加工实训室建设方案一、逆向加工的内容与前景逆向工程(又称逆向技术),是一种产品设计技术再现过程,即对一项目标产品进行逆向分析及讨论,从而演绎并得出该产品的处理流程、组织结构、功能特性及技术规格等设计要素 ,以制作出功能相近,但又不完全一样的产品.逆向工程做为一种非常高效的产品设计思路和方法,可以迅速、精确、方便地获得得实物的三维数据及模型。为产品提供先进的开发、设计及制造的技术支撑。它改变了传统产品设计开发模式,,大大缩短了产品开发的时间周期,提高产品研发的成功率。三维扫描与逆向工程技术进展时间并不长,是一门新兴科学和朝阳产业。但是,他却因为他的有用性与高效性已广泛存在于汽车、航天航空、模具等行业之中.在逆向设计、质量检查、来样加工和模具设计中广泛应用.然而,与之相对的是.这个行业的巨大人才缺口。在中国仅有少数的高校开设了这一专业。而且多是硕士讨论生等科研人才.有用型人才很少。在最近几年,随着三维扫描与逆向工程在非工业行业的进展,如:雕刻、文物保护、服装、电影玩具等.这一缺口已越来越大。二、逆向加工的流程三、当前省内高职院校同类实训室建设情况3D 扫描计算机数据处理3D 打印成品当前省内多家高职院已经积极开展逆向加工实训室建设。辽宁机电职业技术学院建成了具有 2 台成型机与扫描仪的实验室,并已开办多期省级双师培训;沈阳职业技术学院与辽宁装备职业技术学院建成了具有单台成型机与扫描仪的实验室;其它院校也在积极建设。四、逆向加工实训室建设对我校专业建设进展的作用1、对专业建设的支撑作用① 可支撑我院计算机辅助设计与制造专业实训项目开展。逆向加工实训室的建设为我校计算机辅助设计与制造专业开展 3D 打印实训提供了有力支撑。目前 3D 打印技 方兴未艾,社会宣传也在广泛开展,开展 3D 打印实训,有助于该专业招生与就业。② 可对现有的模具设计与制造、数控技术、机械制造与自动化专业提供新的实训项目。逆向加工实训室建设可以对机械系现有各专业开展 3D 测量与 3D 打印实训提供支撑.目前企业需要一专多能型人才,对机械系现有各专业开展 3D 测量与 3D 打印实训有利于促进学生就业与进展。2、对开展社会服务的支撑作用① 逆向加工实训室建成以后,可以申请面对中职、高职院校开展省级双师素养技术培训。② 逆向加工实训室建成以后,可以占领本地区逆向加工技...

1、当您付费下载文档后,您只拥有了使用权限,并不意味着购买了版权,文档只能用于自身使用,不得用于其他商业用途(如 [转卖]进行直接盈利或[编辑后售卖]进行间接盈利)。
2、本站所有内容均由合作方或网友上传,本站不对文档的完整性、权威性及其观点立场正确性做任何保证或承诺!文档内容仅供研究参考,付费前请自行鉴别。
3、如文档内容存在违规,或者侵犯商业秘密、侵犯著作权等,请点击“违规举报”。

碎片内容

机械工程系逆向加工实训室建设方案

一帆文传+ 关注
实名认证
内容提供者

欢迎光临店铺,各类公文供您挑选。

确认删除?
VIP
微信客服
  • 扫码咨询
会员Q群
  • 会员专属群点击这里加入QQ群
客服邮箱
回到顶部