电脑桌面
添加小米粒文库到电脑桌面
安装后可以在桌面快捷访问

杆塔组立检验批质量验收记录表

杆塔组立检验批质量验收记录表_第1页
1/3
杆塔组立检验批质量验收记录表_第2页
2/3
杆塔组立检验批质量验收记录表_第3页
3/3
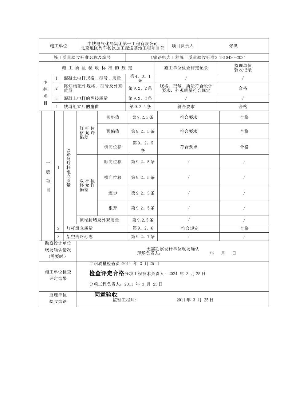
杆塔组立检验批质量验收记录表 09030202401单位工程名称北京地区列车餐饮加工配送基地工程分部工程名称杆塔组立分项工程名称杆塔组立验收部位公路弯灯 1—10#施工单位中铁电气化局集团第一工程有限公司北京地区列车餐饮加工配送基地工程项目部项目负责人张洪施工质量验收标准名称及编号《铁路电力工程施工质量验收标准》TB10420—2024施 工 质 量 验 收 标 准 的 规 定施工单位检查评定记录监理单位验收记录主 控 项 目1混凝土电杆规格、型号、质量第 4。3。1条//2路灯构配件规格、型号及外观质量第 9。2。2条规格、型号、质量符合设计要求,外观质量符合规定合格3混凝土电杆的焊接质量第 9.2.3 条//4铁塔组立后的主材弯曲第 9.2.4 条符合要求合格一 般 项 目1公路弯灯杆组立质量灯 杆 位移 允 许偏差倾斜值第 9.2。5 条符合要求合格预偏值第 9。2。5条符合要求合格横向位移第 9。2.5 条符合要求合格双 杆 位移 允 许偏差顺向位移第 9。2.5 条//横向位移第 9。2.5 条//迈步第 9。2。5条//根开第 9。2。5条//顶端封堵及外观质量第 9.2.5 条//2灯杆组立质量第 9。2。6条 符合规定 合格3架空线路标志第 9.2.7 条//勘察设计单位现场确认情况(需要时)无需勘察设计单位现场确认现场负责人: 年 月 日施工单位检查评定结果专职质量检查员:2011 年 3 月 25 日检查评定合格分项工程技术负责人:2024 年 3 月 25 日分项工程负责人:2011 年 3 月 25 日监理单位验收结论同意验收 监理工程师:2011 年 3 月 25 日杆塔组立检验批质量验收记录表 09030202402单位工程名称北京地区列车餐饮加工配送基地工程分部工程名称杆塔组立分项工程名称杆塔组立验收部位公路弯灯 11—20# 施工单位中铁电气化局集团第一工程有限公司北京地区列车餐饮加工配送基地工程项目部项目负责人张洪施工质量验收标准名称及编号《铁路电力工程施工质量验收标准》TB10420—2024施 工 质 量 验 收 标 准 的 规 定施工单位检查评定记录监理单位验收记录主 控 项 目1混凝土电杆规格、型号、质量第 4.3.1 条//2路灯构配件规格、型号及外观质量第 9。2。2条规格、型号、质量符合设计要求,外观质量符合规定合格3混凝土电杆的焊接质量第 9.2。3 条//4铁塔组立后的主材弯曲第 9.2.4 条符合要求合格一 般 项 目1公路弯灯杆组立质量灯 杆 位移 允 许偏差倾斜值第 9。2。5条符合要求合格...

1、当您付费下载文档后,您只拥有了使用权限,并不意味着购买了版权,文档只能用于自身使用,不得用于其他商业用途(如 [转卖]进行直接盈利或[编辑后售卖]进行间接盈利)。
2、本站所有内容均由合作方或网友上传,本站不对文档的完整性、权威性及其观点立场正确性做任何保证或承诺!文档内容仅供研究参考,付费前请自行鉴别。
3、如文档内容存在违规,或者侵犯商业秘密、侵犯著作权等,请点击“违规举报”。

碎片内容

杆塔组立检验批质量验收记录表

MY shop+ 关注
实名认证
内容提供者

欢迎挑选适合自己的材料。

相关文档

确认删除?
VIP
微信客服
  • 扫码咨询
会员Q群
  • 会员专属群点击这里加入QQ群
客服邮箱
回到顶部