电脑桌面
添加小米粒文库到电脑桌面
安装后可以在桌面快捷访问

架桥机安全监控系统试验验证记录

架桥机安全监控系统试验验证记录_第1页
1/6
架桥机安全监控系统试验验证记录_第2页
2/6
架桥机安全监控系统试验验证记录_第3页
3/6
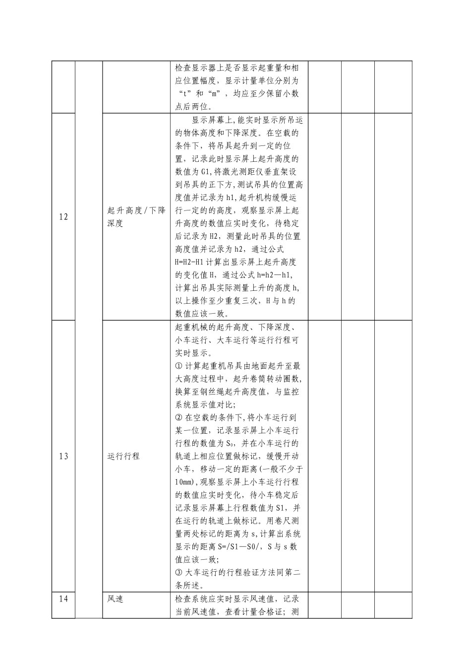
架桥机安全监控系统试验验证记录SGTJ/JJ.QAQXX 记录编号序号检验项目及要求检验结论备注1设计文件检查起重机械设计文件中有关安全监控管理系统的内容是否符合《起重机械 安全监控管理系统》(GB/T 28264—2024)的要求。2安全监控管理功能要求的硬件配备检查起重机械的出厂配套件清单是否齐全.3管理权限的设定输入正确的密码或其它识别方式后,能够顺利进入系统。4故障自诊断开机进入系统后,现场核实系统有运行自检的程序,并显示自检结果,系统应具有故障自诊断功能.系统自身发生故障而影响正常使用时,能立即发出报警信号。5报警装置在空载的条件下,通过按急停或系统设计的报警信号现场验证起重机械的各种报警装置的动作。系统的报警装置能向起重机械操作者和处于危险区域的人员发出清楚的声光报警信号。当发生故障时,系统不但要报警,还应能根据设置要求对设备止停.6文字表达形式现场目测系统显示的所有界面的文字表达形式为简体中文。7通信协议的开放性(1)现场检查系统有对外开放的硬件接口,查阅相关说明书中通信协议的内容,应符合国家现行标准规定的 MODBUS、TCP/IP、串口等对外开放的协议;(2)现场验证系统通过以太网或 USB 接口能方便地将记录数据导出。8显示信息的清楚度在司机座位上,斜视 45°可清楚完整的观察到整个监控画面,包括视频系统的画面,画面上显示的信息不刺目、不干扰视线,清楚可辨.9系统信息采集源对应 GB/T 28264—2024 中表 1 检查信息采集源10监控参数起重量现场起升载荷,检查显示器上是否显示起重量,显示计量单位为“t”,并至少保留小数点后两位。11起重力矩现场起升载荷,并进行变幅运动,检查显示器上是否显示起重量和相应位置幅度,显示计量单位分别为“t”和“m”,均应至少保留小数点后两位。12起升高度/下降深度显示屏幕上,能实时显示所吊运的物体高度和下降深度。在空载的条件下,将吊具起升到一定的位置,记录此时显示屏上起升高度的数值为 G1,将激光测距仪垂直架设到吊具的正下方,测试吊具的位置高度值并记录为 h1,起升机构缓慢运行一定的的高度,观察显示屏上起升高度的数值应实时变化,待稳定后记录为 H2,测量此时吊具的位置高度值并记录为 h2,通过公式H=H2-H1 计算出显示屏上起升高度的变化值 H,通过公式 h=h2—h1, 计算出吊具实际测量上升的高度 h,以上操作至少重复三次,H 与 h 的数值应该一致。13运行行程起重机械的起升高度、下降深度、小车运行、大车运行等运行行程可实...

1、当您付费下载文档后,您只拥有了使用权限,并不意味着购买了版权,文档只能用于自身使用,不得用于其他商业用途(如 [转卖]进行直接盈利或[编辑后售卖]进行间接盈利)。
2、本站所有内容均由合作方或网友上传,本站不对文档的完整性、权威性及其观点立场正确性做任何保证或承诺!文档内容仅供研究参考,付费前请自行鉴别。
3、如文档内容存在违规,或者侵犯商业秘密、侵犯著作权等,请点击“违规举报”。

碎片内容

架桥机安全监控系统试验验证记录

确认删除?
VIP
微信客服
  • 扫码咨询
会员Q群
  • 会员专属群点击这里加入QQ群
客服邮箱
回到顶部