电脑桌面
添加小米粒文库到电脑桌面
安装后可以在桌面快捷访问

桥梁桥头搭板施工方案

桥梁桥头搭板施工方案_第1页
1/7
桥梁桥头搭板施工方案_第2页
2/7
桥梁桥头搭板施工方案_第3页
3/7
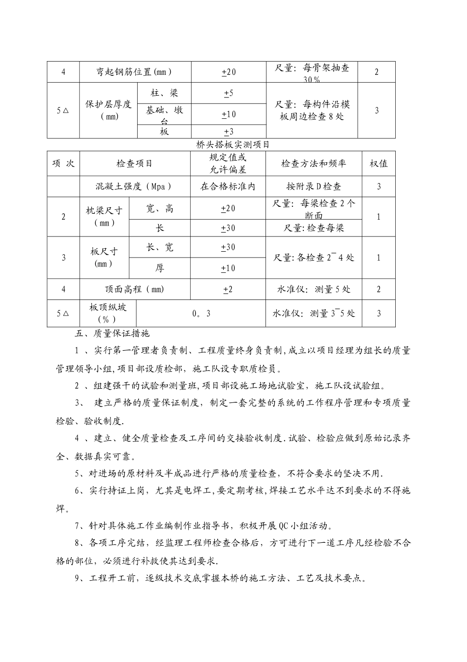
国防大桥桥头搭板施工方案一、工程概况工程名称:国防大桥改建工程工程地点:安丘市管公镇工程概况:国防大桥桥头搭板采纳 C30 砼,板底采纳撘C20 砼.主要工程量:C30 混凝土 79。9m3;C20 混凝土 45.6m3二、施工组织1、主要管理人员:序号人员姓名职务职称到场情况联系电话1刘成科项目经理/已到场/2李彦军项目总工/已到场/3陈良东王同进/已到场/2、施工人员 20 人根据工程量和工期安排,共计安排施工工人 20 人,各工种施工人员情况如下:钢筋工 10 人、混凝土工 9 人、电工 1 人。3、施工进度计划2011 年 11 月 30 日-2011 年 12 月 15 日三、施工方案1、施工准备项目部试验室根据业主、监理的要求完成了原材料的选择、采集和试验工作。碎石和砂采纳雹泉石料厂,水泥采纳诸城杨春水泥,钢筋采纳莱钢的钢材。桥头搭板所用的 C30、C20 混凝土配合比已经试验完成,所有试验准备工作已经满足施工要求。项目部所用混凝土采纳集中拌和,拌合站采纳一台 750 型拌合机。混凝土运输采纳 2 台混凝土罐车运输。2、工艺流程测量定位→绑扎搭板钢筋→安装侧模→浇注混凝土→拆模养护3、操作工艺a、测量定位: 采纳全站仪坐标定位法测设路基中心位置。b、钢筋制作:钢筋在施工过程中要逐一核对设计的钢筋型号、规格、尺寸、数量,按设计要求在现场加工成型,并分类堆放,挂牌标识。C、钢筋绑扎要严格按图示规格、型号、数量、间距进行操作,作到横平竖直,间距准确。为使骨架有足够的刚度,采纳绑扎、焊接相结合的方法施工,钢筋在绑扎前,用钢刷除去表面的铁锈.在浇注混凝土时不得使钢筋错位和变形,在安装钢筋时不能让钢筋沾上油污.钢筋接头采纳搭接电弧焊(搭接长度大于等于 5d),两钢筋搭接端部应预先折向一侧,使两结合钢筋轴线一致,接头采纳双面焊,焊缝长度不小于 5d(d 为钢筋直径),采纳单面焊时,焊缝长度不小于 10d(d 为钢筋直径)。d、模板:模板采纳钢模板。模板(板厚 5mm)的加工几何尺寸满足设计要求,具有一定的刚度,满足施工法律规范要求。模板接缝平整、严密、不漏浆。模板使用前对其刚度、几何尺寸和平整度、严密性进行检查、校对,修正后方可使用。每次模板使用前清除表面污垢,涂刷脱模剂。e、混凝土灌注:在钢筋、模板施工完成之后,自检合格,并报监理工程师检查合格,然后进行混凝土施工.所用混凝土采纳集中拌和,拌合站采纳一台 750 型拌合机。混凝土运输采纳 2 台混凝土罐车运输.砼运至现场...

1、当您付费下载文档后,您只拥有了使用权限,并不意味着购买了版权,文档只能用于自身使用,不得用于其他商业用途(如 [转卖]进行直接盈利或[编辑后售卖]进行间接盈利)。
2、本站所有内容均由合作方或网友上传,本站不对文档的完整性、权威性及其观点立场正确性做任何保证或承诺!文档内容仅供研究参考,付费前请自行鉴别。
3、如文档内容存在违规,或者侵犯商业秘密、侵犯著作权等,请点击“违规举报”。

碎片内容

桥梁桥头搭板施工方案

人从众+ 关注
实名认证
内容提供者

欢迎光临小店,本店以公文和教育为主,希望符合您的需求。

确认删除?
VIP
微信客服
  • 扫码咨询
会员Q群
  • 会员专属群点击这里加入QQ群
客服邮箱
回到顶部