电脑桌面
添加小米粒文库到电脑桌面
安装后可以在桌面快捷访问

桥面系及附属工程施工方案

桥面系及附属工程施工方案_第1页
1/14
桥面系及附属工程施工方案_第2页
2/14
桥面系及附属工程施工方案_第3页
3/14
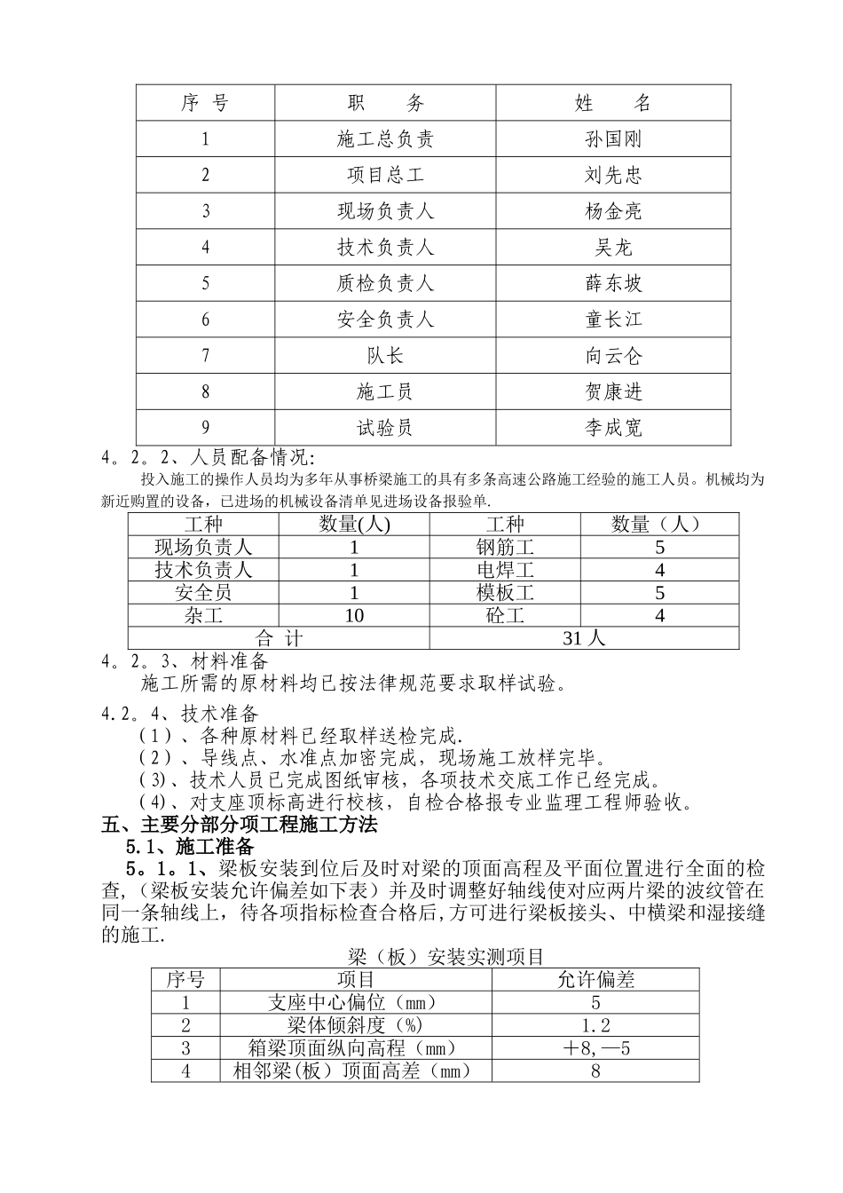
目 录一、编制依据二、工程概况三、施工进度计划四、施工准备工作及施工布署4。1、施工顺序4。2、施工准备五、主要分部分项工程施工方法5.1、施工准备5。2、钢筋施工5.3、砼施工5。4、现浇箱梁接头、中横梁及负弯矩湿接缝5.5、湿接缝施工5.6、桥面铺装层施工5.7、桥面防水层及沥青路面5.8、护栏施工5.9、伸缩缝安装5。10、桥头搭板施工六、质量保证措施七、安全生产措施八、进度保证措施九、文明施工措施B10 标桥面系及附属工程施工方案一、编制依据1. 奉铜高速公路《两阶段施工图设计》2. 《公路桥涵施工技术法律规范》:JTJ 041-20003.《公路工程质量检验评定标准》:JTG F80/1—2024二、工程概况我标段共有大桥 3 座,分离式立交 2 座。上部构造分别采纳装配式预应力混凝土连续 T 梁、预应力砼土箱梁、预应力砼空心板.桥面铺装采纳 10cm沥青混凝土(4cmAC—13C 型+6cmAC—20C 型)+防水层+10cmC50 钢筋混凝土。现浇横梁和湿接头采纳 C50 砼,防撞护栏采纳 C30 砼,,桥头搭板采纳C25 砼。三、施工进度计划本工程计划于 2024 年 06 月 1 日开工,2024 年 11 月 30 日完工。四、施工准备工作及施工布署4.1、施工顺序施工准备—-现浇接头、中横梁及负弯矩区湿接缝--顶板负弯矩预应力钢绞线束张拉、压浆-—浇筑湿接缝砼——拆除临时支座完成体系转换—-砼桥面铺装-—防撞护栏施工-—沥青砼桥面铺装—-伸缩缝安装4.2、施工准备4。2.1、人员准备为了保证桥梁施工的安全、质量、进度。本项目部专门成立了桥梁监察组。组织机构如下表:序 号职 务姓 名1施工总负责孙国刚2项目总工刘先忠3现场负责人杨金亮4技术负责人吴龙5质检负责人薛东坡6安全负责人童长江7队长向云仑8施工员贺康进9试验员李成宽4。2。2、人员配备情况:投入施工的操作人员均为多年从事桥梁施工的具有多条高速公路施工经验的施工人员。机械均为新近购置的设备,已进场的机械设备清单见进场设备报验单.工种数量(人)工种数量(人)现场负责人1钢筋工5技术负责人1电焊工4安全员1模板工5杂工10砼工4合 计31 人4。2。3、材料准备施工所需的原材料均已按法律规范要求取样试验。4.2。4、技术准备(1)、各种原材料已经取样送检完成.(2)、导线点、水准点加密完成,现场施工放样完毕。(3)、技术人员已完成图纸审核,各项技术交底工作已经完成。(4)、对支座顶标高进行校核,自检合格报专业监理工程师验收。五、主要分部分项工程施工方法5.1、施工准备5。1...

1、当您付费下载文档后,您只拥有了使用权限,并不意味着购买了版权,文档只能用于自身使用,不得用于其他商业用途(如 [转卖]进行直接盈利或[编辑后售卖]进行间接盈利)。
2、本站所有内容均由合作方或网友上传,本站不对文档的完整性、权威性及其观点立场正确性做任何保证或承诺!文档内容仅供研究参考,付费前请自行鉴别。
3、如文档内容存在违规,或者侵犯商业秘密、侵犯著作权等,请点击“违规举报”。

碎片内容

桥面系及附属工程施工方案

确认删除?
VIP
微信客服
  • 扫码咨询
会员Q群
  • 会员专属群点击这里加入QQ群
客服邮箱
回到顶部