电脑桌面
添加小米粒文库到电脑桌面
安装后可以在桌面快捷访问

检验批报验表

检验批报验表_第1页
1/17
检验批报验表_第2页
2/17
检验批报验表_第3页
3/17
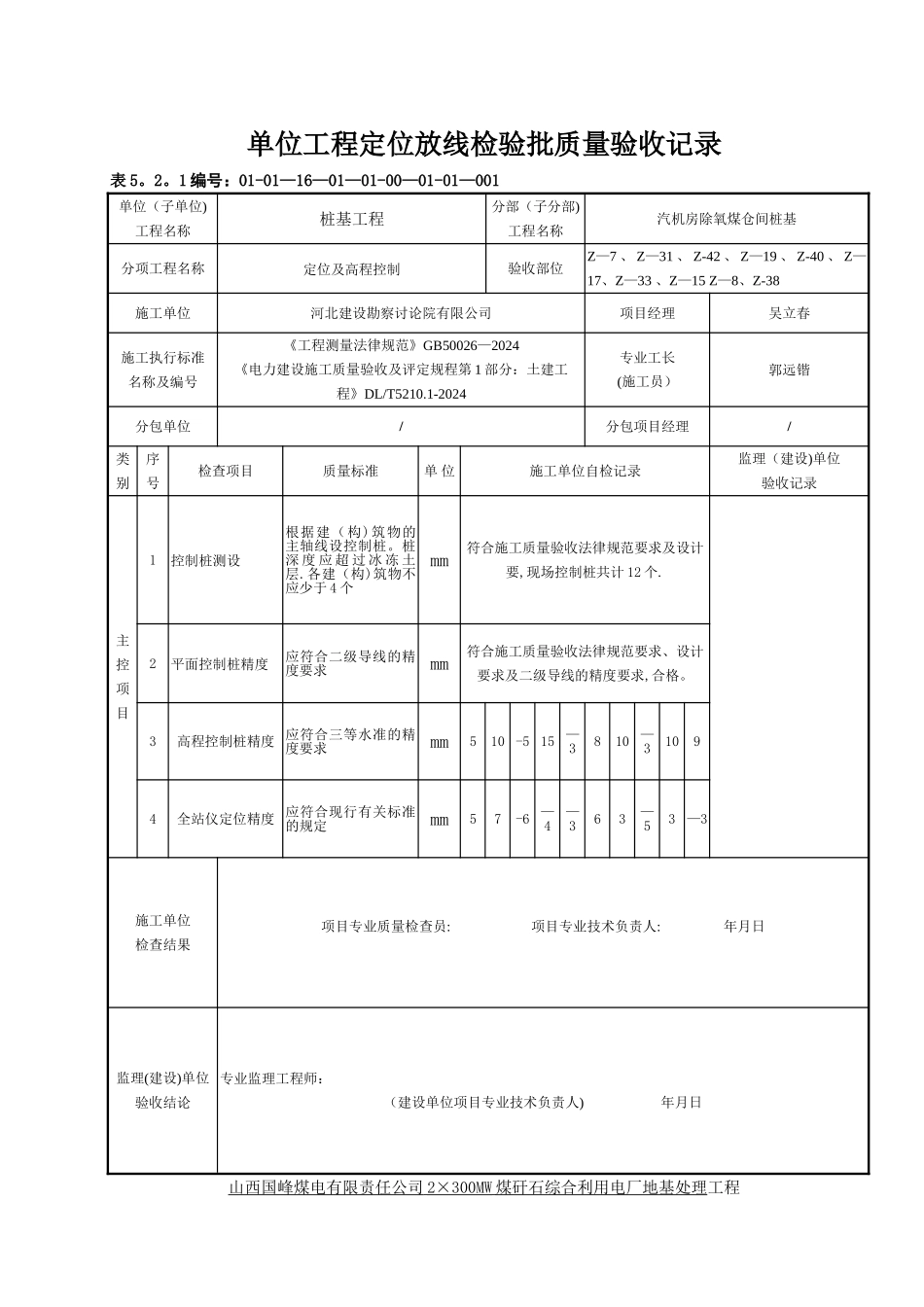
山西国峰煤电有限责任公司 2×300MW 煤矸石综合利用电厂地基处理 工程检 验 批 质 量 报 验 单表 A—32 编号:HBJK—00—TJ—A32-001单位工程名称地基处理与桩基工程合同编号GF-SG-2024—014致:山西和祥建通工程项目管理有限公司 囯峰煤电 项目监理部:汽机房除氧煤仓间桩基定位及高程控制检验批已完成施工任务,并按工程质量检验评定项目划分表规定和有关标准、法律规范要求进行了自检,质量等级自评为合格.附件:1、单位工程定位放线检验批质量验收记录;2、建筑工程桩测量放线记录;3、桩位测放示意图。承包商(章)负责人:年 月 日项目监理部查验意见:项目监理部(章)专业监理工程师:年 月 日本表一式六份,由承包商填报,项目监理部二份、承包商四份单位工程定位放线检验批质量验收记录表 5。2。1 编号:01-01—16—01—01-00—01-01—001单位(子单位)工程名称桩基工程分部(子分部)工程名称汽机房除氧煤仓间桩基分项工程名称定位及高程控制验收部位Z—7 、 Z—31 、 Z-42 、 Z—19 、 Z-40 、 Z—17、Z—33 、Z—15 Z—8、Z-38施工单位河北建设勘察讨论院有限公司项目经理吴立春施工执行标准名称及编号《工程测量法律规范》GB50026—2024《电力建设施工质量验收及评定规程第 1 部分:土建工程》DL/T5210.1-2024专业工长(施工员)郭远锴分包单位/分包项目经理/类别序号检查项目质量标准单 位施工单位自检记录监理(建设)单位验收记录主控项目1控制桩测设根据建(构)筑物的主轴线设控制桩。桩深 度 应 超 过 冰 冻 土层.各建(构)筑物不应少于 4 个mm符合施工质量验收法律规范要求及设计要,现场控制桩共计 12 个.2平面控制桩精度应符合二级导线的精度要求mm符合施工质量验收法律规范要求、设计要求及二级导线的精度要求,合格。3高程控制桩精度 应符合三等水准的精度要求mm510 -5 15 —3810 —31094全站仪定位精度 应符合现行有关标准的规定mm57-6 —4—363—53 —3施工单位检查结果项目专业质量检查员: 项目专业技术负责人: 年月日监理(建设)单位验收结论专业监理工程师:(建设单位项目专业技术负责人) 年月日山西国峰煤电有限责任公司 2×300MW 煤矸石综合利用电厂地基处理 工程建筑工程桩测量放线记录编号:HBJK—TJ-CL—001项目名称山西国峰煤电有限责任公司2×300MW 煤矸石综合利用电厂地基处理 日 期测量部位汽机房除氧煤仓间桩基工程桩位施测说明(附施测示意图):测量...

1、当您付费下载文档后,您只拥有了使用权限,并不意味着购买了版权,文档只能用于自身使用,不得用于其他商业用途(如 [转卖]进行直接盈利或[编辑后售卖]进行间接盈利)。
2、本站所有内容均由合作方或网友上传,本站不对文档的完整性、权威性及其观点立场正确性做任何保证或承诺!文档内容仅供研究参考,付费前请自行鉴别。
3、如文档内容存在违规,或者侵犯商业秘密、侵犯著作权等,请点击“违规举报”。

碎片内容

检验批报验表

您可能关注的文档

确认删除?
VIP
微信客服
  • 扫码咨询
会员Q群
  • 会员专属群点击这里加入QQ群
客服邮箱
回到顶部