电脑桌面
添加小米粒文库到电脑桌面
安装后可以在桌面快捷访问

2025年机械制造技术基础题库试题及答案

2025年机械制造技术基础题库试题及答案_第1页
1/17
2025年机械制造技术基础题库试题及答案_第2页
2/17
2025年机械制造技术基础题库试题及答案_第3页
3/17
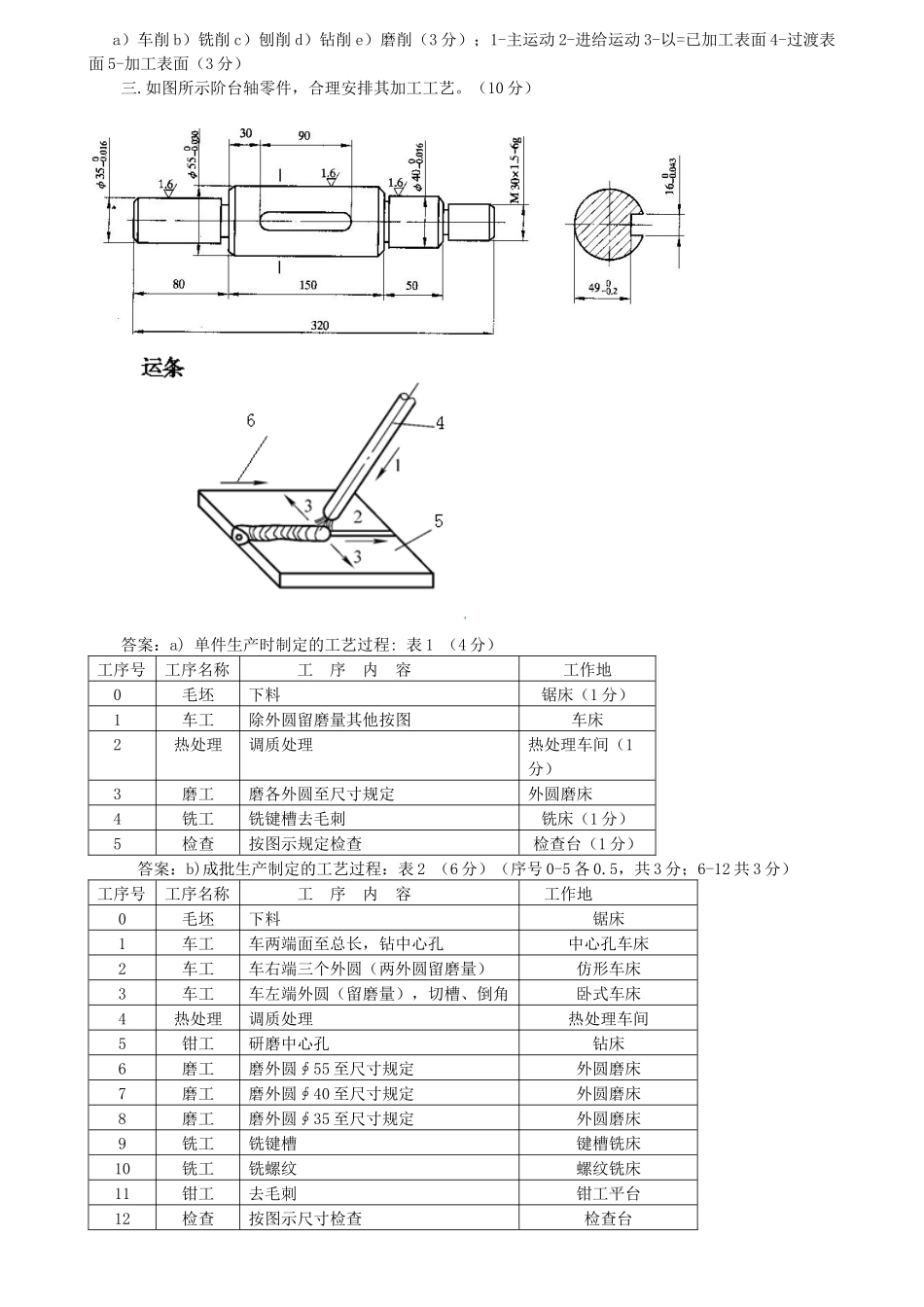
机械制造技术基础试题题库及答案 机械制造技术基础试题 1 及答案一. 名词解释(每题 1 分,共 5 分)1.模样由金属或其他材料制成,形成铸型型腔的工艺装备。2.切削深度一般指工件已加工表面和待加工表面间的垂直距离。3.工序—--一种或一组工人,在一种工作地对同一种或同步对几种工件所持续完毕的那一部分工艺过程。4.划线基准—划线时,在工件上所选定的用来确定其他点、线、面位置的基准。5.轴承预紧—装配时给轴承内外圈加一预载荷,使轴承的内外圈产生轴向相对位移,消除轴承游隙,并使滚动体与内外圈滚道产生初始的接触弹性变形,从而提高轴承刚度的措施。二. 简答题(每题各 6 分,共 30 分)1. 怎样合理选用切削液? (6 分)切削液应根据工件材料、 刀具材料、加工措施、加工规定等原因综合考虑并加以合理选用。( 1 分)一般切削塑性材料时需使用切削液,切削脆性材料时可不用用切削液;(1 分)使用高速工具钢刀具切削时需使用切削液,(1 分)使用硬质合金刀具切削时一般不用切削液;(1 分)粗加工时选用冷却作用好的切削液,(1 分)精加工时选用润滑作用好的切削液。(1 分)2.指出(下图) 卧式车床的重要部件及功用。(6 分)(每项 1 分,答全 8 分)CA6140 卧式车床的外形如图所示。其重要部件如下:1)主轴箱:功 用:将电动机输出的回转运动传递给主轴,再通过装在主轴上的夹具盘带动工件回转,实现主运动。主轴箱内有变速机构,通过变换箱外手柄的位置,可变化主轴的转速,以满足不一样车削工作的需要。2)刀架:功 用:用于装夹刀具。3)滑板:功 用:俗称拖板,由上、中、下三层构成。床鞍(下滑板, 俗称大拖板)用于实现纵向进给运动;中滑板(中拖板)用于车外圆(或孔)时控制切削深度及车端平面时实现横向进给运动;上滑板(小拖板)用来纵向调整刀具位置和实现手动纵向进给运动。上滑板还可以相对中滑板偏转一定角度,实现手动加工圆锥面。4 )尾座:功用:它有一种套筒,由手轮驱动可沿主轴轴线方向移动。套筒锥孔中可安装顶尖,用以支承较长的工件并增长工件的安装刚度。此外,还可以装上钻头、铰刀等刀具实现孔的钻削和铰削。例如:在车床上钻、铰孔、套扣等。5 )床身:功用:用来安装机床的各部件。床身上面有两条导轨,用作床鞍及尾座纵向往复运动的导向。6 )溜板箱:功用:将光杠或丝杠的回转运动变为床鞍或中滑板及刀具的进给运动。变换溜板箱外的手柄位置,可控制...

1、当您付费下载文档后,您只拥有了使用权限,并不意味着购买了版权,文档只能用于自身使用,不得用于其他商业用途(如 [转卖]进行直接盈利或[编辑后售卖]进行间接盈利)。
2、本站所有内容均由合作方或网友上传,本站不对文档的完整性、权威性及其观点立场正确性做任何保证或承诺!文档内容仅供研究参考,付费前请自行鉴别。
3、如文档内容存在违规,或者侵犯商业秘密、侵犯著作权等,请点击“违规举报”。

碎片内容

2025年机械制造技术基础题库试题及答案

您可能关注的文档

确认删除?
VIP
微信客服
  • 扫码咨询
会员Q群
  • 会员专属群点击这里加入QQ群
客服邮箱
回到顶部