电脑桌面
添加小米粒文库到电脑桌面
安装后可以在桌面快捷访问

模板施工方案(参考样板)

模板施工方案(参考样板)_第1页
1/36
模板施工方案(参考样板)_第2页
2/36
模板施工方案(参考样板)_第3页
3/36
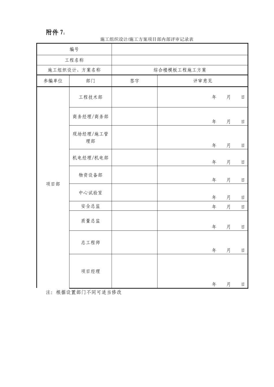
编号:NHWB—模板工程施工方案编制: 审核: 审批: 项目部2O14 年 12 月 10 日附件 7:施工组织设计/施工方案项目部内部评审记录表编号工程名称施工组织设计、方案名称综合楼模板工程施工方案参编单位部门签字评审意见项目部工程技术部 年 月 日商务经理/商务部年 月 日现场经理/施工管理部年 月 日机电经理/机电部年 月 日物资设备部年 月 日中心试验室年 月 日安全总监年 月 日质量总监年 月 日总工程师年 月 日项目经理年 月 日注:根据设置部门不同可适当修改目 录第一章 编制依据..........................................................................................................- 1 -第二章 工程概况................................................................................................................12。1 设计概况 12.2 楼(屋)面荷载 22。3 现场情况........................................................3第三章 施工组织................................................................................................................33。1 施工部位以及工期要求............................................33。2 管理机构设置....................................................33.3 施工准备.........................................................4第四章 主要施工方法和措施.............................................................................................64。1 施工流水段的划分................................................64。2 模板及支撑的配置................................................74。3 模板设计........................................................74.4 模板制作........................................................104。5 模板存放和安装管理............................................114.6 模板拆除要求 12第五章 质量要求及质量措施 135。1 质量要求 135。2 质量通病的防治措施 145。3 成品保护.......................................................15第六章 绿色文明施工 15第七章 模板计算书..........................................................................................................177。1 楼板木模计算...............

1、当您付费下载文档后,您只拥有了使用权限,并不意味着购买了版权,文档只能用于自身使用,不得用于其他商业用途(如 [转卖]进行直接盈利或[编辑后售卖]进行间接盈利)。
2、本站所有内容均由合作方或网友上传,本站不对文档的完整性、权威性及其观点立场正确性做任何保证或承诺!文档内容仅供研究参考,付费前请自行鉴别。
3、如文档内容存在违规,或者侵犯商业秘密、侵犯著作权等,请点击“违规举报”。

碎片内容

模板施工方案(参考样板)

人从众+ 关注
实名认证
内容提供者

欢迎光临小店,本店以公文和教育为主,希望符合您的需求。

确认删除?
VIP
微信客服
  • 扫码咨询
会员Q群
  • 会员专属群点击这里加入QQ群
客服邮箱
回到顶部