电脑桌面
添加小米粒文库到电脑桌面
安装后可以在桌面快捷访问

水利工程安全台帐

水利工程安全台帐_第1页
1/11
水利工程安全台帐_第2页
2/11
水利工程安全台帐_第3页
3/11
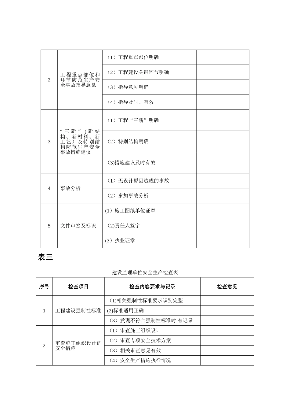
水利工程建设安全生产台帐项目法人安全生产台帐序号检查项目检查内容要求与记录检查意见1安全生产管理制度行文明确本单位适用的工程建设安全生产的规章、法律规范性文件、技术标准,制定本工程建设项目相关安全生产管理制度2安全生产管理机构按规定设置安全生产管理机构、配备专职或兼职安全管理人员3安全生产责任制(1)相关人员职责和权力、义务明确(2)检查合同单位安全生产责任制(分解到各相关岗位和人员)4安全生产例会(1)按期召开例会(2)适时召开安全生产专题会议(3)会议记录完整(4)会议要求落实5施工单位安全生产许可证(1)资格审查时已对安全生产许可证进行审查(2)对分包单位安全生产许可证进行审查(3)建设过程中安全生产许可证有效性审查6“三类人员”安全生产考核合格证(1)进场时,核查 “三类人员”安全生产考核合格证(2)建设过程中新进人员安全生产考核合格证核查(3)建设过程中安全合格证的有效性核查7安全施工措施费用使用(1)招标文件明确(2)建设过程中落实8生产安全事故应急预案管理(1)预案完整并具有可操作性(2)本单位预案与其它相关预案衔接合理(3)按期演练(4)应急管理队伍完整(5)应急通讯录完整、更新及时(6)督促相关单位制定预案9保证安全生产的措施方案(1)备案及时(2)内容完整(3)更新及时10隐患治理(1)定期排查、及时上报(2)隐患治理“五落实”11事故报告(1)报告制度建立情况(2)生产安全事故及时报告情况续表一序号检查项目检查内容要求与记录检查意见12杜绝使用国家公布淘汰的工艺、设备、材料(严重危(1)工艺及施工安全)(2)设备(3)材料13影响施工现场及毗邻区域管线及工程安全的资料(1)招标时提供(2)完整、准确、真实(3)符合有关技术法律规范14拆除工程或爆破工程(1)施工单位资质(2)备案及时(3)备案资料完整15接受安全监督(1)监督手续完善(2)及时提供监督所需资料(3)监督意见及落实16度汛安全(1)编制度汛方案(2)报批手续完备(3)度汛措施落实被检查单位(签字): 检查组组长(签字):表二勘察(测)、设计单位安全生产台帐序号检查项目检查内容要求与记录1工程建设强制性标准(1)相关强制性标准要求识别完整(2)标准适用正确2工程重点部位和环节防范生产安全事故指导意见(1)工程重点部位明确(2)工程建设关键环节明确(3)指导意见明确(4)指导及时、有效3“ 三 新 ” ( 新 结构、新材料、新工艺)及特别结构防范生产安全事故措施建议(1)工程“三新...

1、当您付费下载文档后,您只拥有了使用权限,并不意味着购买了版权,文档只能用于自身使用,不得用于其他商业用途(如 [转卖]进行直接盈利或[编辑后售卖]进行间接盈利)。
2、本站所有内容均由合作方或网友上传,本站不对文档的完整性、权威性及其观点立场正确性做任何保证或承诺!文档内容仅供研究参考,付费前请自行鉴别。
3、如文档内容存在违规,或者侵犯商业秘密、侵犯著作权等,请点击“违规举报”。

碎片内容

水利工程安全台帐

您可能关注的文档

确认删除?
VIP
微信客服
  • 扫码咨询
会员Q群
  • 会员专属群点击这里加入QQ群
客服邮箱
回到顶部