电脑桌面
添加小米粒文库到电脑桌面
安装后可以在桌面快捷访问

水利工程评估报告

水利工程评估报告_第1页
1/8
水利工程评估报告_第2页
2/8
水利工程评估报告_第3页
3/8
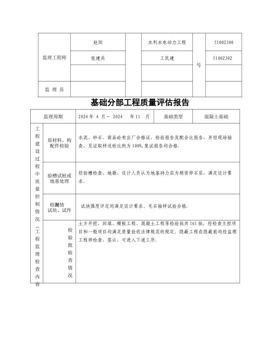
JL—C005水利建筑工程和市政基础设施工程单位工程质量评估报告监 理 号: 工程名称:新龙县孜拖西乡所差村防洪堤二期工程 子项名称: 监理单位: 四川佳诚建设项目管理咨询有限公司 2024 年 12 月 日工 程 概 况工程名称新龙县孜拖西乡所差村防洪堤二期工程工程地址新龙县孜拖西乡所差村建筑面积1426m结构类型毛石混凝土层 数总 高2。8m 开工日期2024 年 9 月 20 日工程完工日期2024 年 11 月 30 日施工许可证号513329202400002施工图审查批准书号建设单位 新龙县水利局勘察单位资 质 等 级设计单位 四川水利电力工程建设监理中心甲级施工单位 四川省君源水电建设有限公司一级检测机构甘孜州炉霍县建筑建材检测所总监理工程师张晓伟专 业工民建证 51000334号监理工程师赵阳水利水电动力工程51002300张建兵工民建 51002302监 理 员基础分部工程质量评估报告监理周期2024 年 4 月~ 2024 年 11 月基础类型混凝土基础工 程 建 设 过 程 中 质 量 控 制 情 况 (工 程 监 理 检 查 内 容 原材料、构 配件检验水泥、砂石、商品砼有出厂合格证、检验报告及配合比报告,并经现场抽查,见证取样送检比例为 100%,复试报告均合格.验槽试桩或地基处理经验槽检查,地勘、设计人员认为地基持力层为稍密卵石层,满足设计要求.检测情况试块、试件 试块强度评定均满足设计要求。毛石抽样试验合格.检 验 批 检 查 情 况土方开挖、回填、模板工程、混凝土工程等检验批共 161 批,经检查主控项目和一般项目均满足质量验收法律规范的规定。隐蔽工程在隐蔽前均经监理工程师检查、签认,可进入下道工序.质 量 文 件 的 签 认 情 况地基基础部位各工序的工程质量措施经审查合格。工程材料进场报验单、见证取样记录、施工测量放线报验单、工程隐蔽资料、设计交底、图纸会审纪要均及时签认.对实验室进行了考核,具备相应资质。对工程项目检验批的质量验收记录均及时签认。主体结构分部工程质量评估报告监理抽测情况经检查,混凝土密实,观感质量较好。抽测一般项目的允许偏差共 558 点,合格 477 点,合格点率 85.48%。抽测砼强度均满足设计要求。发现问题以及处理结果质监、设计、监理验收时提出的问题,整改后重新检查验收,符合设计要求。工程建设过程中执行规范法规情况严格按现行法律规范、标准、法规及已审查通过的设计图纸施工.无重大设计变更,一般修改均经设计签认。其它...

1、当您付费下载文档后,您只拥有了使用权限,并不意味着购买了版权,文档只能用于自身使用,不得用于其他商业用途(如 [转卖]进行直接盈利或[编辑后售卖]进行间接盈利)。
2、本站所有内容均由合作方或网友上传,本站不对文档的完整性、权威性及其观点立场正确性做任何保证或承诺!文档内容仅供研究参考,付费前请自行鉴别。
3、如文档内容存在违规,或者侵犯商业秘密、侵犯著作权等,请点击“违规举报”。

碎片内容

水利工程评估报告

人从众+ 关注
实名认证
内容提供者

欢迎光临小店,本店以公文和教育为主,希望符合您的需求。

确认删除?
VIP
微信客服
  • 扫码咨询
会员Q群
  • 会员专属群点击这里加入QQ群
客服邮箱
回到顶部