电脑桌面
添加小米粒文库到电脑桌面
安装后可以在桌面快捷访问

水利水电工程-低压控制柜安装质量评定表

水利水电工程-低压控制柜安装质量评定表_第1页
1/7
水利水电工程-低压控制柜安装质量评定表_第2页
2/7
水利水电工程-低压控制柜安装质量评定表_第3页
3/7
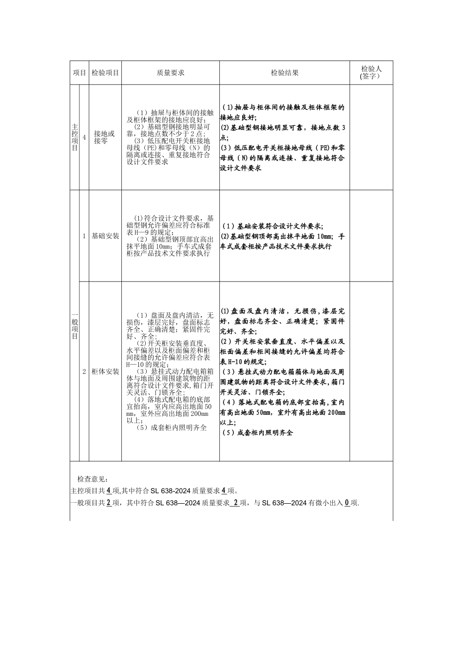
水利水电工程表 8.10 低压配电盘及低压电器安装单元工程质量验收评定表单位工程名称漳州市三湘江引水泵站工程(SXJBZ)单元工程量1 套分部工程名称主机泵机电设备安装工程(SXJBZ—07)安装单位福建金泰泷水利电力建设有限公司单元工程名称、部位低压控制柜安装(SXJBZ-07—09)评定日期 年 月 日项目检验结果基础及本体安装主控项目全部符合 SL 638-2024 质量要求一般项目全部符合 SL 638—2024 质量要求配线及低压电器安装主控项目全部符合 SL 638—2024 质量要求一般项目全部符合 SL 638—2024 质量要求电气试验主控项目全部符合 SL 638—2024 质量要求安装单位自评意见安装质量检验主控项目 13 项,全部符合 SL638—2024 质量要求;一般项目 4 项,与 SL638-2024 有微小出入的 0 项,所占比率为 0 %.质量要求操作试验或试运行符合 SL638—2024的要求,操作试验或试运行未出现故障。单元工程安装质量等级评定为:合 格质检人员:年月日监理单位复核意见安装质量检验主控项目项,全部符合 SL638—2024 质量要求;一般项目___项,与 SL638—2024 有微小出入的项,所占比率为%。质量要求操作试验或试运行符合 SL638—2024 的要求,操作试验或试运行出现故障。单元工程安装质量等级评定为:____________.监理工程师: 年月日 水利水电工程表 8。10。1 低压配电盘基础及本体安装质量检查表分部工程名称主机泵机电设备安装工程(SXJBZ—07)单元工程名称低压控制柜安装(SXJBZ—07-09)安装内容低压控制柜安装安装单位福建金泰泷水利电力建设有限公司开/完工日期年月日~年月日项次 检验项目质量要求检验结果检验人(签字)主控项目1 成套柜的安装(1)机械闭锁、电气闭锁动作准确可靠;(2)动触头与静触头的中心线一致,触头接触紧密;(3)二次回路辅助开关的切换接点动作准确,接触可靠(1)机械闭锁、电气闭锁动作准确可靠;(2)动触头与静触头的中心线一致,触头接触紧密;(3)二次回路辅助开关的切换接点动作准确,接触可靠2抽屉式配电柜的安装(1)抽屉推拉灵活轻便,无卡阻、碰撞现象;(2)抽屉的机械联锁或电气联锁装置动作正确可靠,断路器分闸后,隔离触头才能分开;(3)抽屉与柜体间的二次回路连接插件接触良好(1)抽屉推拉灵活轻便,无卡阻、碰撞现象;(2)抽屉的机械联锁或电气联锁装置动作正确可靠,断路器分闸后,隔离触头才能分开;(3)抽屉与柜体间的二次回路连接插件接触良好3 手车式柜...

1、当您付费下载文档后,您只拥有了使用权限,并不意味着购买了版权,文档只能用于自身使用,不得用于其他商业用途(如 [转卖]进行直接盈利或[编辑后售卖]进行间接盈利)。
2、本站所有内容均由合作方或网友上传,本站不对文档的完整性、权威性及其观点立场正确性做任何保证或承诺!文档内容仅供研究参考,付费前请自行鉴别。
3、如文档内容存在违规,或者侵犯商业秘密、侵犯著作权等,请点击“违规举报”。

碎片内容

水利水电工程-低压控制柜安装质量评定表

您可能关注的文档

津创媒+ 关注
实名认证
内容提供者

欢迎交流文创,小店资料希望满足您的需要。

确认删除?
VIP
微信客服
  • 扫码咨询
会员Q群
  • 会员专属群点击这里加入QQ群
客服邮箱
回到顶部