电脑桌面
添加小米粒文库到电脑桌面
安装后可以在桌面快捷访问

水处理调试方案

水处理调试方案_第1页
1/40
水处理调试方案_第2页
2/40
水处理调试方案_第3页
3/40
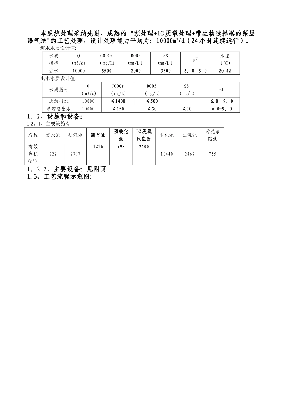
作业文件 文件编号HS03(7。5.1)-16共 37 页修订状态A/5标题污水处理系统工艺设备操作规程受控状态发放号目 录1。0 设计指标及工艺流程……………………………………………………………………21。1 水量和水质………………………………………………………………………………21。2 设施和设备………………………………………………………………………………21.3 工艺流程示意图 ………………………………………………………………………22.0 污水处理系统控制工艺 ……………………………………………………………… 32。1 各车间外排水及水处理进水指标………………………………………………………32.2 斜网过滤器………………………………………………………………………………32.3 一沉池出水………………………………………………………………………………32.7 调节、预酸化池运行控制………………………………………………………………2.8IC 厌氧反应器的运行控制………………………………………………………………2。4 外排水指标(内控)……………………………………………………………………32。5 生化池运行控制指标……………………………………………………………………32。6 污泥处理…………………………………………………………………………………43.0 指标检测频率……………………………………………………………………………44.0 设备的操作及维护………………………………………………………………………45.0 试水、试车与操作规程…………………………………………………………………136。0 调试方案…………………………………………………………………………………216。1 活性污泥的运行管理……………………………………………………………………216.2 管道与设备的运行管理…………………………………………………………………296.3 活性污泥的接种…………………………………………………………………………356。4 活性污泥的驯化期………………………………………………………………………356。5 试运行……………………………………………………………………………………356。6 系统的运行………………………………………………………………………………366.7 水质测定中异常现象及解决对策 …………………………………………………… 361.0 设计指标及工艺流程1、设计指标及工艺流...

1、当您付费下载文档后,您只拥有了使用权限,并不意味着购买了版权,文档只能用于自身使用,不得用于其他商业用途(如 [转卖]进行直接盈利或[编辑后售卖]进行间接盈利)。
2、本站所有内容均由合作方或网友上传,本站不对文档的完整性、权威性及其观点立场正确性做任何保证或承诺!文档内容仅供研究参考,付费前请自行鉴别。
3、如文档内容存在违规,或者侵犯商业秘密、侵犯著作权等,请点击“违规举报”。

碎片内容

水处理调试方案

确认删除?
VIP
微信客服
  • 扫码咨询
会员Q群
  • 会员专属群点击这里加入QQ群
客服邮箱
回到顶部