电脑桌面
添加小米粒文库到电脑桌面
安装后可以在桌面快捷访问

汽车吊结构图与性能表

汽车吊结构图与性能表_第1页
1/32
汽车吊结构图与性能表_第2页
2/32
汽车吊结构图与性能表_第3页
3/32
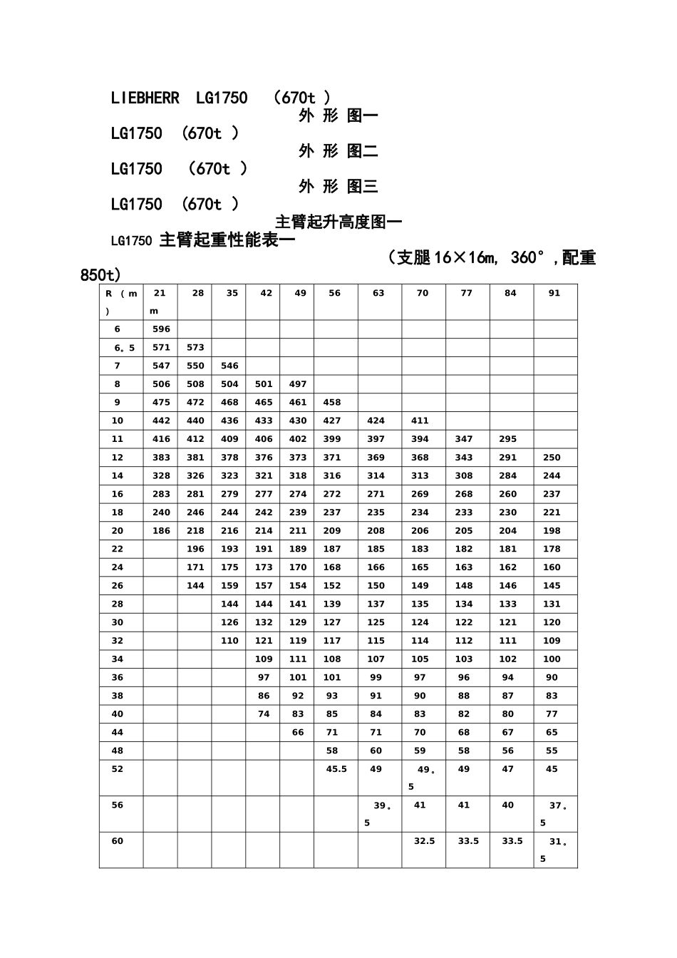
LIEBHERR LG1750 (670t )外 形 图一LG1750 (670t )外 形 图二LG1750 (670t )外 形 图三LG1750 (670t )主臂起升高度图一LG1750 主臂起重性能表一 (支腿 16×16m, 360°,配重850t)R ( m)21m28354249566370778491 6 596 6。5 571 573 7 547 550 546 8 506 508 504 501 497 9 475 472 468 465 461 458 10 442 440 436 433 430 427 424 411 11 416 412 409 406 402 399 397 394 347 295 12 383 381 378 376 373 371 369 368 343 291 250 14 328 326 323 321 318 316 314 313 308 284 244 16 283 281 279 277 274 272 271 269 268 260 237 18 240 246 244 242 239 237 235 234 233 230 221 20 186 218 216 214 211 209 208 206 205 204 198 22 196 193 191 189 187 185 183 182 181 178 24 171 175 173 170 168 166 165 163 162 160 26 144 159 157 154 152 150 149 148 146 145 28 144 144 141 139 137 135 134 133 131 30 126 132 129 127 125 124 122 121 120 32 110 121 119 117 115 114 112 111 109 34 109 111 108 107 105 103 102 100 36 97 101 101 99 97 96 94 90 38 86 92 93 91 90 88 87 83 40 74 83 85 84 83 82 80 77 44 66 71 71 70 68 67 65 48 58 60 59 58 56 55 52 45.5 49 49 。5 49 47 45 56 39 。5 41 41 40 37 。5 60 32.5 33.5 33.5 31 。5 64 25 26 。5 27.1 26 。3 68 20 21.3 21.2 72 13.5 15 。8 16.4 76 10 。6 11 。9 80 7。6支腿尺寸 16000×16000, 行驶速度 80km/h, 吊钩重量:750t—-—16000KG, 400t—-—15000KG, 312t—--8400KG, 215t--—7500KG, 107t—--5500KG, 47t——-3000KG, 16t——-1100KG。LG1750 (670t )主臂起升高度图二LG1750 主臂起重性能表二( 支 腿 12×12m , 360°, 配 重830t)R ( m)21m28354249566370778491 6 670 6。5 621 619 7 579 577 574 8 510 507 505 503 500 9 455 452 450 448 445 442 10 410 408 405 403 400 398 396 383 11 373 371 368 366 363 361 359 344 326 295 12 342 340 337 335 332 3...

1、当您付费下载文档后,您只拥有了使用权限,并不意味着购买了版权,文档只能用于自身使用,不得用于其他商业用途(如 [转卖]进行直接盈利或[编辑后售卖]进行间接盈利)。
2、本站所有内容均由合作方或网友上传,本站不对文档的完整性、权威性及其观点立场正确性做任何保证或承诺!文档内容仅供研究参考,付费前请自行鉴别。
3、如文档内容存在违规,或者侵犯商业秘密、侵犯著作权等,请点击“违规举报”。

碎片内容

汽车吊结构图与性能表

您可能关注的文档

确认删除?
VIP
微信客服
  • 扫码咨询
会员Q群
  • 会员专属群点击这里加入QQ群
客服邮箱
回到顶部