电脑桌面
添加小米粒文库到电脑桌面
安装后可以在桌面快捷访问

汽车维修服务有限公司接车单

汽车维修服务有限公司接车单_第1页
1/2
汽车维修服务有限公司接车单_第2页
2/2
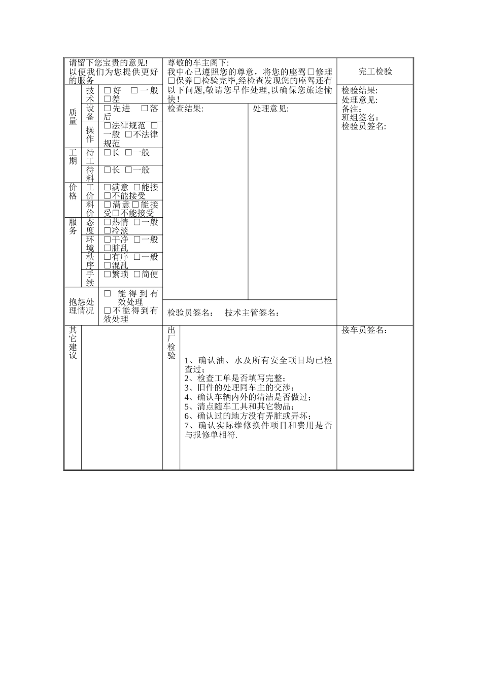
××汽车维修服务有限公司接车单工单号: 地址: 联系电话: 传真: 投诉电话:车主:地址:电话:传真:联系人:车牌号:型号/年份:引擎号:车架号:公里数:燃油量: F-1/2—E 维修类别:入厂时间:约定交车时间:修正交车时间:出厂时间:接车员:调度员:故障陈述维 修 项 目工时工价作业班组开工时间完工时间客户签字: 约定联络时间:接车前的检查□车匙 □备胎 □轮盖 □行驶证班组长:检验员:接车员:服务专员:工时费用总计:材料费用总计:估价人:付款方式转帐支票□ 现金□ 其它□请留下您宝贵的意见!以便我们为您提供更好的服务尊敬的车主阁下:我中心已遵照您的尊意,将您的座驾□修理□保养□检验完毕,经检查发现您的座驾还有以下问题,敬请您早作处理,以确保您旅途愉快!完工检验质量技术□ 好 □ 一 般 □差检验结果:处理意见:备注:班组签名:检验员签名:设备□先进 □落后检查结果:处理意见:操作□法律规范 □一般 □不法律规范工期待工□长 □一般待料□长 □一般价格工价□满意 □能接 □不能接受料价□满意□能接受□不能接受服务态度□热情 □一般 □冷淡环境□干净 □一般 □脏乱秩序□有序 □一般 □混乱手续□繁琐 □简便抱怨处理情况□ 能 得 到 有效处理□不能得到有效处理检验员签名: 技术主管签名:其它建议出厂检验1、确认油、水及所有安全项目均已检查过;2、检查工单是否填写完整;3、旧件的处理同车主的交涉;4、确认车辆内外的清洁是否做过;5、清点随车工具和其它物品;6、确认过的地方没有弄脏或弄坏;7、确认实际维修换件项目和费用是否与报修单相符.接车员签名:

1、当您付费下载文档后,您只拥有了使用权限,并不意味着购买了版权,文档只能用于自身使用,不得用于其他商业用途(如 [转卖]进行直接盈利或[编辑后售卖]进行间接盈利)。
2、本站所有内容均由合作方或网友上传,本站不对文档的完整性、权威性及其观点立场正确性做任何保证或承诺!文档内容仅供研究参考,付费前请自行鉴别。
3、如文档内容存在违规,或者侵犯商业秘密、侵犯著作权等,请点击“违规举报”。

碎片内容

汽车维修服务有限公司接车单

确认删除?
VIP
微信客服
  • 扫码咨询
会员Q群
  • 会员专属群点击这里加入QQ群
客服邮箱
回到顶部