电脑桌面
添加小米粒文库到电脑桌面
安装后可以在桌面快捷访问

沥青中面层作业指导书

沥青中面层作业指导书_第1页
1/10
沥青中面层作业指导书_第2页
2/10
沥青中面层作业指导书_第3页
3/10
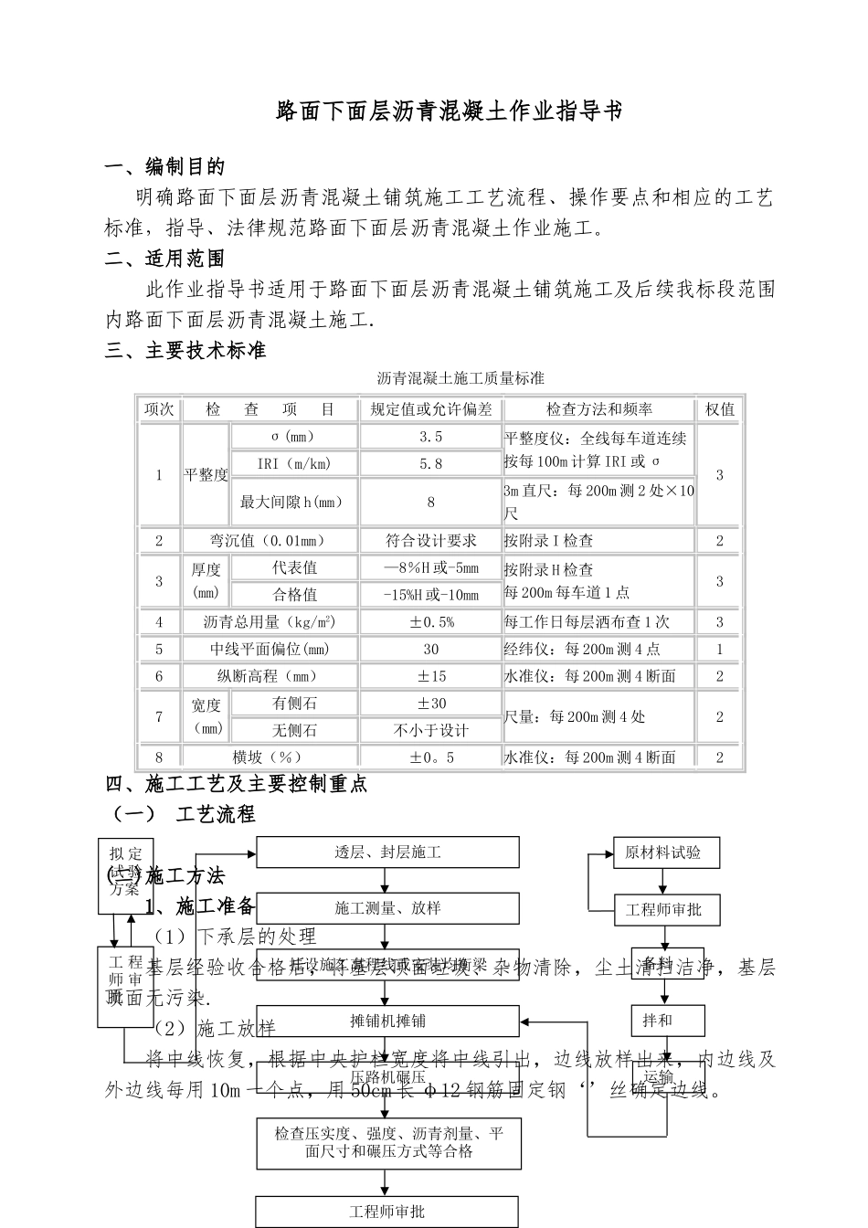
路面下面层沥青混凝土作业指导书二〇一六年十一月路面下面层沥青混凝土作业指导书一、编制目的明确路面下面层沥青混凝土铺筑施工工艺流程、操作要点和相应的工艺标准,指导、法律规范路面下面层沥青混凝土作业施工。二、适用范围此作业指导书适用于路面下面层沥青混凝土铺筑施工及后续我标段范围内路面下面层沥青混凝土施工.三、主要技术标准沥青混凝土施工质量标准项次检 查 项 目规定值或允许偏差检查方法和频率权值1平整度σ(mm)3.5平整度仪:全线每车道连续按每 100m 计算 IRI 或 σ3IRI(m/km)5.8最大间隙 h(mm)83m 直尺:每 200m 测 2 处×10尺2弯沉值(0.01mm)符合设计要求按附录 I 检查23厚度(mm)代表值—8%H 或-5mm按附录 H 检查每 200m 每车道 1 点3合格值-15%H 或-10mm4沥青总用量(kg/m2)±0.5%每工作日每层洒布查 1 次35中线平面偏位(mm)30经纬仪:每 200m 测 4 点16纵断高程(mm)±15水准仪:每 200m 测 4 断面27宽度(mm)有侧石±30尺量:每 200m 测 4 处2无侧石不小于设计8横坡(%)±0。5水准仪:每 200m 测 4 断面2四、施工工艺及主要控制重点(一) 工艺流程(二)施工方法1、施工准备(1)下承层的处理基层经验收合格后,将基层顶面垃圾、杂物清除,尘土清扫洁净,基层顶面无污染.(2)施工放样将中线恢复,根据中央护栏宽度将中线引出,边线放样出来,内边线及外边线每用 10m 一个点,用 50cm 长 φ12 钢筋固定钢‘’丝确定边线。原材料试验工程师审批备料拌和运输透层、封层施工施工测量、放样挂设施工高程线或安装均衡梁摊铺机摊铺压路机碾压检查压实度、强度、沥青剂量、平面尺寸和碾压方式等合格工程师审批拟 定试 验方案工 程师 审批2、透层施工⑴喷洒温度乳化沥青在正常温度下洒布,气温高于 10℃,无大风天气。⑵用量不低于 1.2L/㎡。⑶透层的施工顺序基层表面准备工作 洒布乳化沥青⑷透层沥青在已建成的基层上洒布,浇洒透层沥青符合下列要求:①浇洒透层前,将基层表面的松散材料及尘土清扫洁净,采纳空压机吹扫使表面无尘埃,使之露出坚硬的基层表面,以利于乳化剂与基层的联结。对喷洒附近的路肩、树干表面及人工构造物适当加以防护,以免溅上沥青受到污染。②透层沥青洒布后不产生滑移和流淌、渗透入基层 5—10mm,并能与基层联结成为一体,表面无油膜.③如遇大风或即将降雨时,不得浇洒透层沥青。④气温低于 10℃、大风、浓雾或下雨天气不宜浇洒透层...

1、当您付费下载文档后,您只拥有了使用权限,并不意味着购买了版权,文档只能用于自身使用,不得用于其他商业用途(如 [转卖]进行直接盈利或[编辑后售卖]进行间接盈利)。
2、本站所有内容均由合作方或网友上传,本站不对文档的完整性、权威性及其观点立场正确性做任何保证或承诺!文档内容仅供研究参考,付费前请自行鉴别。
3、如文档内容存在违规,或者侵犯商业秘密、侵犯著作权等,请点击“违规举报”。

碎片内容

沥青中面层作业指导书

津创媒+ 关注
实名认证
内容提供者

欢迎交流文创,小店资料希望满足您的需要。

确认删除?
VIP
微信客服
  • 扫码咨询
会员Q群
  • 会员专属群点击这里加入QQ群
客服邮箱
回到顶部