电脑桌面
添加小米粒文库到电脑桌面
安装后可以在桌面快捷访问

沥青混凝土路面施工方案及方法

沥青混凝土路面施工方案及方法_第1页
1/4
沥青混凝土路面施工方案及方法_第2页
2/4
沥青混凝土路面施工方案及方法_第3页
3/4
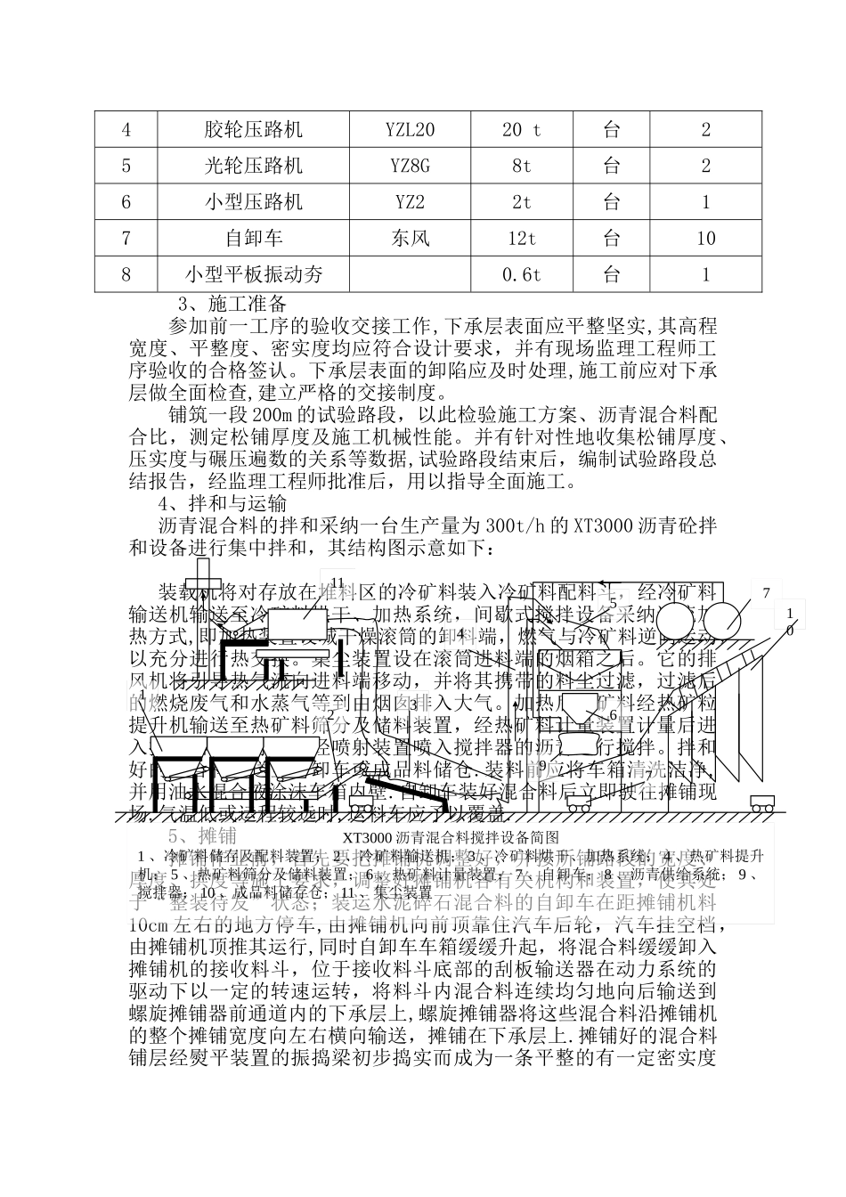
沥青混凝土路面施工方案及方法一、沥青透层和粘层1、施工方案本合同段有沥青透层 71839 m2,粘层 109654 m2,采纳一台 4500L 的沥青洒布车施工.2、施工方法机械设备配置:沥青透层和粘层施工配备 4500L 沥青洒布车 1 台、8000L 洒水车 2 台和 YZ8G 压路机 2 台。3、透层施工透层宜紧接在水泥稳定碎石基层施工结束碾压成型表面稍变干燥,但尚未硬化的情况下浇洒。透层沥青选用 PA—2 慢裂洒布型乳化沥青,透层沥青的用量应根据基层的种类通过试洒确定,对水泥稳定碎石基层,用量为 0。7~1。5L/m2。如基层完工后时间较长,表面过分干燥,应对基层清扫,并在基层表面少量洒水湿润,等表面稍干后浇洒透层沥青。浇洒前应对路缘石、人工构造物进行保护,以防污染。透层沥青洒布后应不致流淌,要渗透入基层一定深度,并不得在表面形成油膜。在铺筑沥青面层前,若局部地方有多余的透层沥青,应予清除,有遗处则应用人工补洒。4、粘层施工待透层沥青晒干后,再用沥青洒布车进行粘层沥青(快裂的洒布型乳化沥青 PC—3 型)的浇洒,用量为 0.3~0.6L/1000m2.撒布石屑后,用 8t 压路机静压 2~3 遍,当通行车辆时,应控制车速.在铺筑沥青面层前,如发现局部地方透层沥青剥落,应予修补,对多余的浮动石屑立即扫除。如遇大风或即将降雨时,不得洒透层和粘层沥青。气温低于10℃时也不宜洒透层和粘层沥青。二、沥青混凝土面层1、施工方案本合同段路面结构组合为 4cm 厚的 AC-13C 细粒式改性沥青砼+4cm 厚的 AC-16C 中粒式沥青砼(各路段的行车道、主要平面交叉和桥头引道路面)、5cm 厚的 AC-13C 细粒式沥青砼(各路段辅道和次要平面交叉)及 4cm 厚的 AC-13C 细粒式改性 SBS—C 改性沥青砼+4cm~6cm 厚的 AC-16C 中粒式沥青砼调平层(原老路路面加铺路段)共计 90308m2,拟采纳 1 台 QB300C 强制间歇式沥青混合料搅拌设备(300t/h)进行拌和,1 台 ABG423 混合料摊铺机(12m)进行摊铺。2、机械设备配制序号机械设备名称规格型号性能指标单位数量1沥青砼拌和设备XT3000300t/h套22沥青混合料摊铺机ABG42312m台13钢轮振动压路机YZ1616t台24胶轮压路机YZL2020 t台25光轮压路机YZ8G8t台26小型压路机YZ22t台17自卸车东风12t台108小型平板振动夯0.6t台13、施工准备参加前一工序的验收交接工作,下承层表面应平整坚实,其高程宽度、平整度、密实度均应符合设计要求,并有现场监理工程师工序验收的合格签认。下承层表面的卸陷应...

1、当您付费下载文档后,您只拥有了使用权限,并不意味着购买了版权,文档只能用于自身使用,不得用于其他商业用途(如 [转卖]进行直接盈利或[编辑后售卖]进行间接盈利)。
2、本站所有内容均由合作方或网友上传,本站不对文档的完整性、权威性及其观点立场正确性做任何保证或承诺!文档内容仅供研究参考,付费前请自行鉴别。
3、如文档内容存在违规,或者侵犯商业秘密、侵犯著作权等,请点击“违规举报”。

碎片内容

沥青混凝土路面施工方案及方法

确认删除?
VIP
微信客服
  • 扫码咨询
会员Q群
  • 会员专属群点击这里加入QQ群
客服邮箱
回到顶部