电脑桌面
添加小米粒文库到电脑桌面
安装后可以在桌面快捷访问

油管保护盖板涵专项施工方案

油管保护盖板涵专项施工方案_第1页
1/22
油管保护盖板涵专项施工方案_第2页
2/22
油管保护盖板涵专项施工方案_第3页
3/22
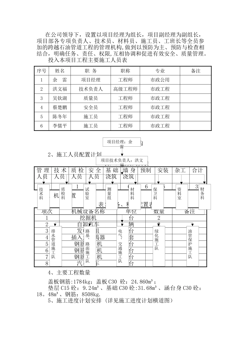
目 录一、编制依据....................................................1二、工程概况 .................................................... 1 1 、概述 ..................................................... 1 2 、水文地质条件 ............................................ 1 三、施工组织机构、资源配置及进度安排 ............................ 1 1 、施工组织机构 ............................................. 1 2 、施工人员配置计划 ......................................... 2 3 、机械配置 ................................................. 2 4 、主要工程数量 ............................................. 2 四、主要施工方案 ................................................ 3 ( 一)施工工艺流程 ........................................... 3 ( 二)各工序施工方案 ......... Error: Reference source not found 五、质量保证措施 ................................................ 6 1 、质量保证体系 ............................................. 6 2 、质量保证制度 ............................................. 7 3 、技术保证 ................................................. 8 4 、施工阶段质量控制 ......................................... 8 5 、混凝土浇筑施工质量控制 ................................... 8 6 、盖板制作 ................................................. 8 7 、盖板安装 ................................................. 9 六、施工安全保证措施 ............................................ 9 (一 ) 危险源分析 ............................................. 9 (二) 组织保障措施 ........................................ 14 (三)技术措施 ............................................. 14 (四)应急预案 ............................................. 14 油管保护盖板涵专项施工方案一、编制依据1、《中华人民共和国石油天然气管道保护法》;2、《建设工程安全生产保护条例》(国务院 393 号令);3、《公路工程桥涵施工技术法律规范》(JTG/T F50—2024);4、本工程施工图设计;5、管道产权单位意见;6、施工现场实际情况及类似施...

1、当您付费下载文档后,您只拥有了使用权限,并不意味着购买了版权,文档只能用于自身使用,不得用于其他商业用途(如 [转卖]进行直接盈利或[编辑后售卖]进行间接盈利)。
2、本站所有内容均由合作方或网友上传,本站不对文档的完整性、权威性及其观点立场正确性做任何保证或承诺!文档内容仅供研究参考,付费前请自行鉴别。
3、如文档内容存在违规,或者侵犯商业秘密、侵犯著作权等,请点击“违规举报”。

碎片内容

油管保护盖板涵专项施工方案

确认删除?
VIP
微信客服
  • 扫码咨询
会员Q群
  • 会员专属群点击这里加入QQ群
客服邮箱
回到顶部