电脑桌面
添加小米粒文库到电脑桌面
安装后可以在桌面快捷访问

洁净室净化空调设计方案

洁净室净化空调设计方案_第1页
1/4
洁净室净化空调设计方案_第2页
2/4
洁净室净化空调设计方案_第3页
3/4
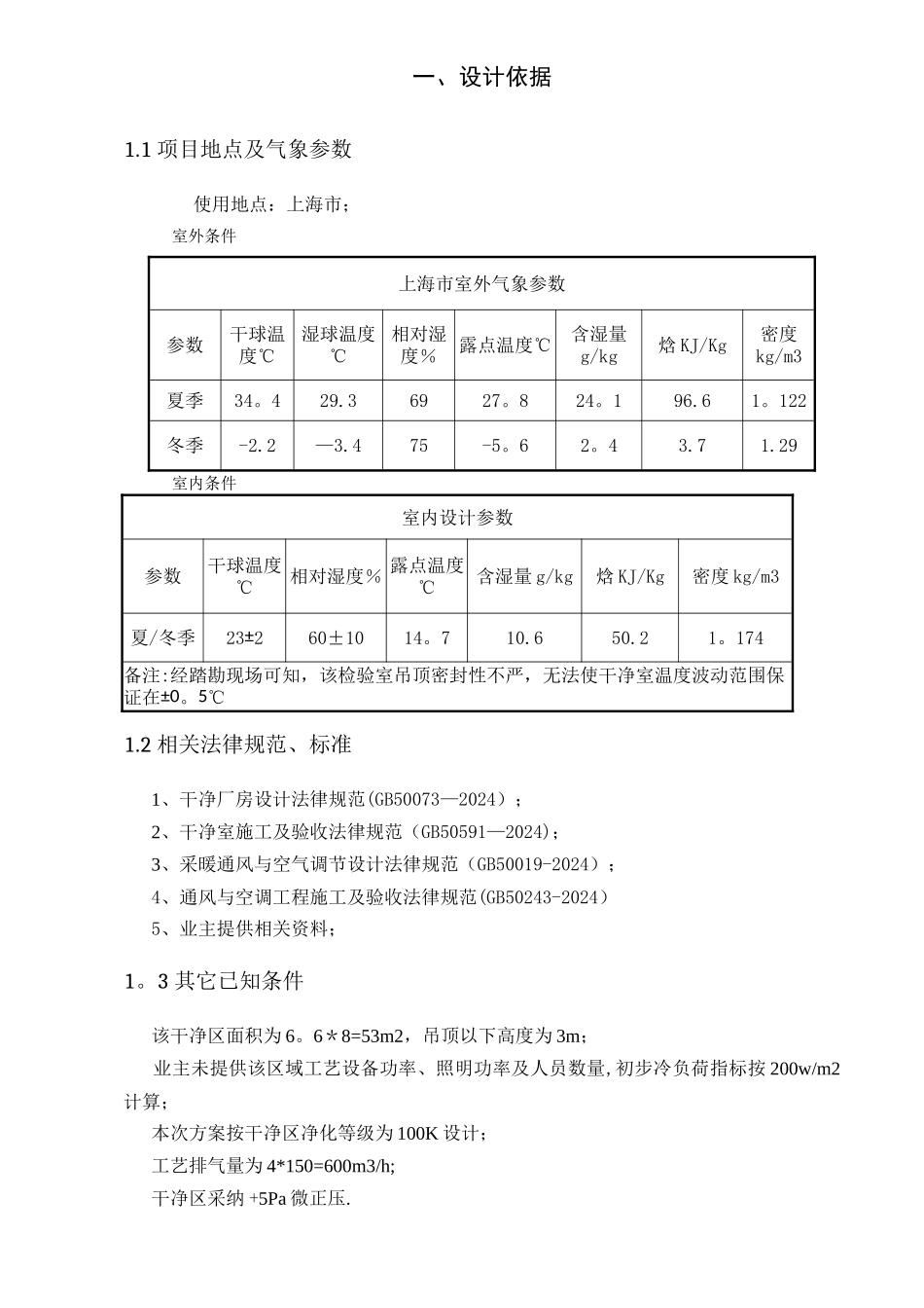
洁净室空调设计方案2024 年 11 月 2 日目 录一、设计依据..........................................................................................................11.1 项目地点及气象参数.....................................................................................01.2 相关法律规范、标准.....................................................................................01。3 其它已知条件..............................................................................................0二、系统分析及参数计算......................................................................................12。1 系统分析......................................ERROR: REFERENCE SOURCE NOT FOUND2.2 空调箱相关参数计算.....................................................................................12。3 恒温恒湿净化空调箱设备选型表..............................................................22.4 主机选型.........................................................................................................2一、设计依据1.1 项目地点及气象参数使用地点:上海市; 室外条件上海市室外气象参数参数干球温度℃湿球温度℃相对湿度%露点温度℃含湿量g/kg焓 KJ/Kg密度kg/m3夏季34。429.36927。824。196.61。122冬季-2.2—3.475-5。62。43.71.29 室内条件室内设计参数参数干球温度℃相对湿度% 露点温度℃含湿量 g/kg焓 KJ/Kg密度 kg/m3夏/冬季23±260±1014。710.650.21。174备注:经踏勘现场可知,该检验室吊顶密封性不严,无法使干净室温度波动范围保证在±0。5℃1.2 相关法律规范、标准1、干净厂房设计法律规范(GB50073—2024);2、干净室施工及验收法律规范(GB50591—2024);3、采暖通风与空气调节设计法律规范(GB50019-2024);4、通风与空调工程施工及验收法律规范(GB50243-2024)5、业主提供相关资料;1。3 其它已知条件 该干净区面积为 6。6*8=53m2,吊顶以下高度为 3m; 业主未提供该区域工艺设备功率、照明功率及人员数量,初步冷负荷指标按 200w/m2计算; 本次方案按干净区净化等级为 100K 设计; 工艺排气量为 4*150=600m3/h; 干净区采纳 +5Pa 微正压.二、系统分析及参数计算2.1 系统分析 该干净区由空调系统来完成恒温...

1、当您付费下载文档后,您只拥有了使用权限,并不意味着购买了版权,文档只能用于自身使用,不得用于其他商业用途(如 [转卖]进行直接盈利或[编辑后售卖]进行间接盈利)。
2、本站所有内容均由合作方或网友上传,本站不对文档的完整性、权威性及其观点立场正确性做任何保证或承诺!文档内容仅供研究参考,付费前请自行鉴别。
3、如文档内容存在违规,或者侵犯商业秘密、侵犯著作权等,请点击“违规举报”。

碎片内容

洁净室净化空调设计方案

确认删除?
VIP
微信客服
  • 扫码咨询
会员Q群
  • 会员专属群点击这里加入QQ群
客服邮箱
回到顶部