电脑桌面
添加小米粒文库到电脑桌面
安装后可以在桌面快捷访问

活动板房安装验收表

活动板房安装验收表_第1页
1/5
活动板房安装验收表_第2页
2/5
活动板房安装验收表_第3页
3/5
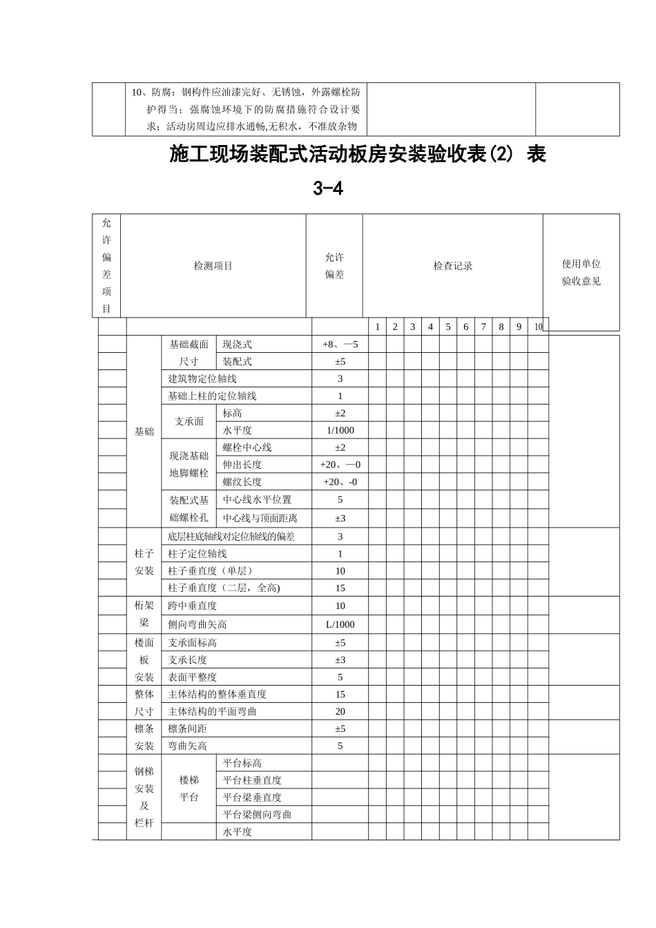
施工现场装配式活动板房安装验收表(1) 表 3—3工程名称蓉园宾馆四号楼重建工程使用单位湖南高岭建设集团股份有限公司建筑面积9585㎡建设单位湖南省委接待工作办公室安装单位层数三层监理单位湖南省湘咨工程项目管理有限公司产权单位项目检查结果检查情况使用单位验收意见保证项目1、构件应具备出厂合格证2、钢构件的焊接部位无脱焊3、钢构件无明显变形、损坏和严重锈蚀4、基础的混凝土、砂浆强度应符合设计要求5、楼面板质量符合设计要求,锁定装置齐全有效6、节点螺栓规格、数量应符合设计要求,连接牢固7、支撑(圆钢拉杆)体系符合设计要求,花篮螺栓的锁定装置完好一般项目1、上部结构安装时,基础混凝土强度应达到设计强度的 75%以上2、楼面板应安装平稳、拼缝紧密3、卫生间、厨房、浴室地面坡向正确,排水通畅,无积水,管道孔部位密封无渗漏税4、围护板材(屋面板和墙板)应无明显变形、损坏;固定螺栓、防水垫圈、金属垫圈、尼龙套管等齐全,连接可靠;密封胶齐全有效5、屋面板应安装平稳、檐口平直,板的搭接方向正确一致6、附着式墙板安装应排板正确,表面平整;嵌入式墙板安装应平整,上下搭接缝应采纳企口缝,外侧板应向下搭接,搭接长度不小于 15mm7、室内电器线路应采纳 PVC 管(槽)明敷,布线整齐美观;电器配置符合设计要求;线路无绝缘老化及接长使用8、防火:防火间距应符合设计和法律规范要求,消防通道应通畅;消火栓、灭火器配置符合设计要求,布局合理;厨房等用火场所防火隔热措施应有效;金属面夹芯板氧指数不低于 32,木地板等可燃材料应做防火处理9、防雷:防雷接地设置符合设计和法律规范要求;接地电阻应检测合格10、防腐:钢构件应油漆完好、无锈蚀,外露螺栓防护得当;强腐蚀环境下的防腐措施符合设计要求;活动房周边应排水通畅,无积水,不准放杂物 施工现场装配式活动板房安装验收表(2) 表 3-4允许偏差项目检测项目允许偏差检查记录使用单位验收意见12345678910基础基础截面尺寸现浇式+8、—5装配式±5建筑物定位轴线3基础上柱的定位轴线1支承面标高±2水平度1/1000现浇基础地脚螺栓螺栓中心线±2伸出长度+20、—0螺纹长度+20、-0装配式基础螺栓孔中心线水平位置5中心线与顶面距离±3柱子安装底层柱底轴线对定位轴线的偏差3柱子定位轴线1柱子垂直度(单层)10柱子垂直度(二层,全高)15桁架梁安装跨中垂直度10侧向弯曲矢高L/1000楼面板安装支承面标高±5支承长度±3表面平整度5整体尺寸主体结构的整体垂直...

1、当您付费下载文档后,您只拥有了使用权限,并不意味着购买了版权,文档只能用于自身使用,不得用于其他商业用途(如 [转卖]进行直接盈利或[编辑后售卖]进行间接盈利)。
2、本站所有内容均由合作方或网友上传,本站不对文档的完整性、权威性及其观点立场正确性做任何保证或承诺!文档内容仅供研究参考,付费前请自行鉴别。
3、如文档内容存在违规,或者侵犯商业秘密、侵犯著作权等,请点击“违规举报”。

碎片内容

活动板房安装验收表

您可能关注的文档

确认删除?
VIP
微信客服
  • 扫码咨询
会员Q群
  • 会员专属群点击这里加入QQ群
客服邮箱
回到顶部