电脑桌面
添加小米粒文库到电脑桌面
安装后可以在桌面快捷访问

液氨管道施工方案

液氨管道施工方案_第1页
1/15
液氨管道施工方案_第2页
2/15
液氨管道施工方案_第3页
3/15
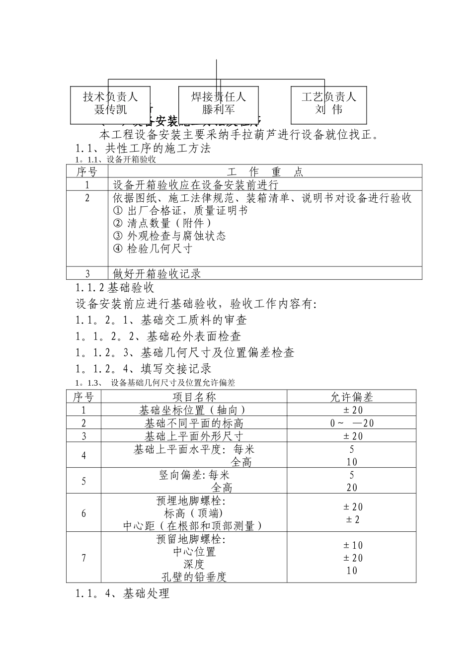
泰安双丰化肥有限公司容器及管道安装工程施 工 方 案一、工程概况及特点1。1 工程概况:1。1。1 本工程为山东泰安双丰化肥有限公司容器及管道安装工程. 1.1。2 施工依据标准1、《工业金属管道设计法律规范》GB50316-20002、《工业金属管道工程施工及验收法律规范》GB50235-973 、 《 现 场 设 备 、 工 业 金 属 管 道 焊 接 工 程 施 工 及 验 收 法 律 规范》GB50236-984、《化工金属管道施工及验收法律规范》HG20245—955 、 《 石 油 化 工 剧 毒 、 可 燃 介 质 管 道 工 程 施 工 及 验 收 法 律 规范》SH3501-971。2 工程特点施工季节属冬季施工,对施工进度和焊接质量有很大影响,因此制定切实可行的施工方案来指导工作。二、组织机构及质量体系2.1 公司安装质量保证体系2。1。1 项目部安装质量管理人员简历表序号姓名性别学历职称岗位责任备注1马振文男大专工程师项目经理2聂传凯男大专工程师技术负责人3滕利军男中专工程师焊接责任人4刘 伟男大专工程师工艺负责人2。2 项目部组织机构及质量体系图项目经理马振文三、施工准备(一)设备安装施工方法及程序本工程设备安装主要采纳手拉葫芦进行设备就位找正。1.1、共性工序的施工方法1。1.1、设备开箱验收序号工 作 重 点1设备开箱验收应在设备安装前进行2依据图纸、施工法律规范、装箱清单、说明书对设备进行验收① 出厂合格证,质量证明书② 清点数量(附件)③ 外观检查与腐蚀状态④ 检验几何尺寸3做好开箱验收记录1.1.2 基础验收设备安装前应进行基础验收,验收工作内容有:1.1。2。1、基础交工质料的审查1。1。2。2、基础砼外表面检查1。1.2。3、基础几何尺寸及位置偏差检查1。1.2。4、填写交接记录1。1.3、 设备基础几何尺寸及位置允许偏差序号项目名称允许偏差1基础坐标位置(轴向)±202基础不同平面的标高0~ —203基础上平面外形尺寸±204基础上平面水平度:每米 全高5105竖向偏差:每米 全高5206预埋地脚螺栓:标高(顶端)中心距(在根部和顶部测量)±20±27预留地脚螺栓:中心位置深度孔壁的铅垂度±10±20101.1。4、基础处理技术负责人聂传凯焊接责任人滕利军工艺负责人刘 伟序号工作内容及要求1基础处理工作必须在设备安装就位前进行2铲垫铁窝 1 对针不同类型的设备按不同标准进行3铲麻面(为保证一次灌浆质量,在洞口内和表面上铲出主够面积的麻面)4基础表面清理:用清水清洗外表和洞内杂...

1、当您付费下载文档后,您只拥有了使用权限,并不意味着购买了版权,文档只能用于自身使用,不得用于其他商业用途(如 [转卖]进行直接盈利或[编辑后售卖]进行间接盈利)。
2、本站所有内容均由合作方或网友上传,本站不对文档的完整性、权威性及其观点立场正确性做任何保证或承诺!文档内容仅供研究参考,付费前请自行鉴别。
3、如文档内容存在违规,或者侵犯商业秘密、侵犯著作权等,请点击“违规举报”。

碎片内容

液氨管道施工方案

文森传品+ 关注
实名认证
内容提供者

一家传播文化教育的小店,资料丰富,随意挑选。

确认删除?
VIP
微信客服
  • 扫码咨询
会员Q群
  • 会员专属群点击这里加入QQ群
客服邮箱
回到顶部