电脑桌面
添加小米粒文库到电脑桌面
安装后可以在桌面快捷访问

涵洞专项施工方案

涵洞专项施工方案_第1页
1/10
涵洞专项施工方案_第2页
2/10
涵洞专项施工方案_第3页
3/10
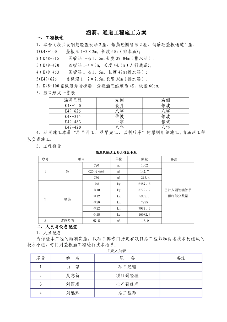
涵洞、通道工程施工方案一、工程概述1、本合同段共设钢筋砼盖板涵 2 座、钢筋砼圆管涵 2 座、钢筋砼盖板通道 1 座. 1)K48+100 盖板涵 1-2×2m, 长度 60m(排水涵);2)K48+315 圆管涵 1-φ1。5m,长度 39.04m(排水涵); 3)K49+420 盖板涵 1-4×3m, 长度 44.5m(人行通道);4)K49+463 圆管涵 1-φ1。5m,长度 49m(排水涵);5)K49+626 盖板涵 1—2×2.5m,长度 36m(排水涵)。2、K48+100 盖板涵为阶梯涵,分段涵底纵坡为 4%,级差 60cm。 3、涵口形式一览表涵洞里程左侧右侧K48+100跌井锥坡K49+626八字八字K48+315锥坡锥坡K49+463一字锥坡K49+420八字八字4、涵洞施工本着“尽早开工、尽早完工、以利后序”的原则组织施工,由涵洞工程队负责施工。5、工程数量涵洞及通道主要工程数量表序号项目单位数量备注1砼C20m31302已计入圆管涵管节预制部分数量C20 片石砼m3147.7C30m3 213.42钢筋φ8kg6487。6φ10kg3772。2Φ12kg5962.1Φ20kg7995Φ22kg7987。3Φ25kg10982.33浆砌片石M7.5m3116.9二、人员与设备配置1、人员配备为保证本工程的顺利实施,我项目部专门指定有项目总工程师和两名技术员组成的技术小组,专门对盖板涵工程进行技术指导。主要人员表序号姓 名职 务备注1白 强项目经理2吴志新项目副经理3刘国顺生产副经理4刘盛辉总工程师5杨 玉副总工程师6唐 平路基工程师7马叙年路基工程师8罗 沛合约部长9赵士阳计量员10邓恒刚测量工程师11刘运林测量员12郭 锐测量员13林 志测量员14叶 剑试验室主任15陈敬武试验工程师16郑绪东安全负责人17陈 平质检负责人18梁杰权资料员19李长进机材部部长20王代燕机械工程师21张 磊综合部部长22谢善良路基队队长23机械手 6 人根据施工进度适时进场.24钢筋工 18 人、木工 18 人、砼工 18 人2、施工机械拟投入涵洞施工的施工机械一览表序号机械名称规格型号额定功率(kw)容重()吨位㎡数量(台)备注1履带式挖掘机PC200斗容: 1m312砼搅拌运输车HB306m323发电机50GF50 kw14振捣器ZCQ-5555 kw35潜水泵150QJ10—1005.5KW26载重自卸汽车ZM40328t47起重汽车16t18钢筋切割机29钢筋弯曲机210电焊机411插入式振捣棒612全站仪拓普康 3002N113自动安平水准仪FS1214砂浆搅拌机2三、工程特点及施工安排1、工程特点⑴ K49+463 圆管涵、K49+626 、K49+420 盖板涵、均位于软基地段,要待软基处理完毕后方可进行开挖施工。⑵ K48+100 盖板涵,回填碎碎石土后方可施工.⑶ ...

1、当您付费下载文档后,您只拥有了使用权限,并不意味着购买了版权,文档只能用于自身使用,不得用于其他商业用途(如 [转卖]进行直接盈利或[编辑后售卖]进行间接盈利)。
2、本站所有内容均由合作方或网友上传,本站不对文档的完整性、权威性及其观点立场正确性做任何保证或承诺!文档内容仅供研究参考,付费前请自行鉴别。
3、如文档内容存在违规,或者侵犯商业秘密、侵犯著作权等,请点击“违规举报”。

碎片内容

涵洞专项施工方案

确认删除?
VIP
微信客服
  • 扫码咨询
会员Q群
  • 会员专属群点击这里加入QQ群
客服邮箱
回到顶部