电脑桌面
添加小米粒文库到电脑桌面
安装后可以在桌面快捷访问

混炼工序作业指导书

混炼工序作业指导书_第1页
1/3
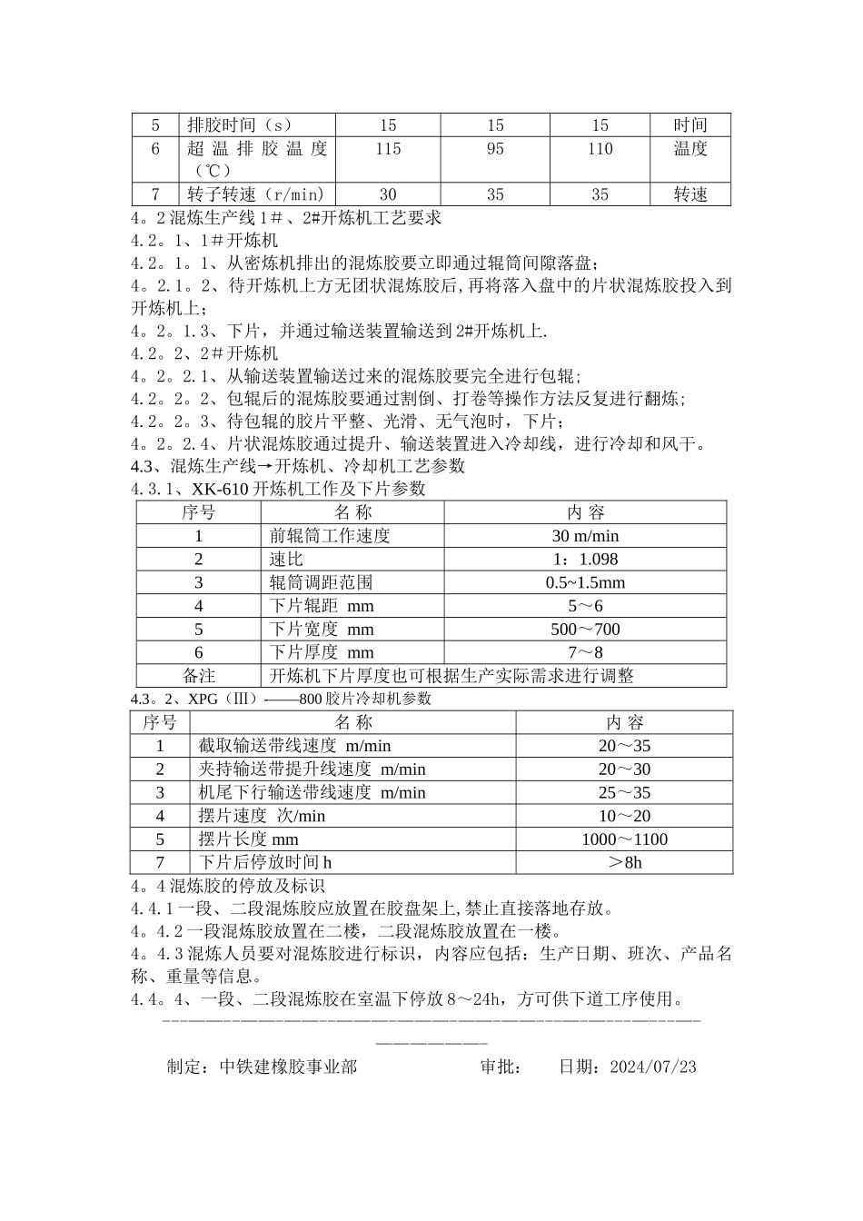
混炼工序作业指导书_第2页
2/3
混炼工序作业指导书_第3页
3/3
ZZCJ—GY13—04-2024混炼工序作业指导书1、烘胶工序1。1 烘胶工艺要求胶种烘胶温度 烘胶时间 h作业地点烘胶参数要求天然橡胶40~60℃11 月~次年 3 月≥481#烘胶房氯丁橡胶20~40℃11 月~次年 3 月≥482#烘胶房其它生胶一般不进行烘胶作业1.2 工艺步骤1。2。1、用扫帚清理烘胶室,使其保持表面清洁、洁净。1。2.2、从库房领取生橡胶运送到烘胶室进行烘胶作业.胶块进、出烘胶房前、表面不得粘附沙土或其它杂物.1。2.3、进行单排堆放,堆放高度不高于 1。5m,每排间隔距离不小于 0.2 米。1.3 注意事1.3.1 项抽查烘胶房温度是否符合要求.1.3。2 生胶应距热源 1m 以上。2、切胶工序2。1 切胶设备及地点切胶设备:液压切胶机 切胶地点:混炼中心一楼东北角2.2 重量要求块状生胶每块约为 5~10kg,便于称量的小块为 1~5kg。2.3、切胶工艺步骤2.3。1、切胶前,将切胶机周围及工作台清扫洁净。2.3.2、检查切胶机刀片、切胶动作,调整至无异常情况.2。3。3、启动电机,进行切胶作业,按要求切成规定重量。变换胶种时,必须清理切胶机周围,严防混料。2.3.4、生胶切好后,放在托盘或胶架内,保持胶块表面清洁,严禁落地.2。4、注意事项2.4.1、操作前仔细检查油箱油位、电气限位开关、传动装置及液压系统等,保持切胶机完好,切胶机必须装有串联双开关装置。2.4。2、切胶时生胶放好后方可启动,启动后应严防胶块弹出伤人,切胶时身体任何部位不准越过刀位线。2.4.3、切胶刀下降时不准再用手、脚推动生胶。2。4。4、禁止连续切胶,禁止切冷、硬生胶和杂物.2.4.5、切胶后,带有杂物的,应将杂物去掉;生胶出现霉变变质时应停止使用,并将情况反映给技术人员。3、橡胶与配合剂的称量和配合3.1 原、辅材料的称量器具及称量允许公差原材料名称称量器具允许公差生橡胶混炼中心二楼大料称量电子秤(胶秤)±200g硫磺、防老剂、促进剂、混炼中心二楼小料自动±5g氧化锌、硬脂酸称量系统(小料秤)炭黑、碳酸钙、油料等补强填充剂上辅机自动称量系统±200g3.2、称量和配合的操作要求3。2.1、所有的配料操作设专职人员进行.称量和配合操作必须做到细致、精确、不漏、不错。3。2.2、根据《生产任务通知单》的要求进行配料。3.2。3、依据小料自动称量系统里事先设定的配合剂品种、规格、用量进行分别称量和配合,称量偏差应在系统允许范围内。3.3、配合剂的盛装与存放3.3。1、称量好的配合剂放入白色塑料袋中存放。3。3.2、防老剂、氧化锌、硬脂酸可存放...

1、当您付费下载文档后,您只拥有了使用权限,并不意味着购买了版权,文档只能用于自身使用,不得用于其他商业用途(如 [转卖]进行直接盈利或[编辑后售卖]进行间接盈利)。
2、本站所有内容均由合作方或网友上传,本站不对文档的完整性、权威性及其观点立场正确性做任何保证或承诺!文档内容仅供研究参考,付费前请自行鉴别。
3、如文档内容存在违规,或者侵犯商业秘密、侵犯著作权等,请点击“违规举报”。

碎片内容

混炼工序作业指导书

文旅传媒+ 关注
实名认证
内容提供者

传播文化,成就未来

确认删除?
VIP
微信客服
  • 扫码咨询
会员Q群
  • 会员专属群点击这里加入QQ群
客服邮箱
回到顶部